NXTII 系统手册.pdf - 第148页
4. 生产 QD142-05 130 NXT II 系统手册 先行贴装的元件的高度限制 (仅限于 B 型) 在设置了 B 型的低反射板的位置后,先行贴装的元件 的高度受到限制。请参考下图。 使用低反射板时不能配置支撑销的范围 安装了低反射板后, 在低反射板的周围不能够配置支撑销。 能够安装低反射板的范围如下。

QD142-05 4. 生产
NXT II 系统手册 129
低反射板的安装
通过低反射板背面的磁铁,能够使之固定在支撑板上,安装低反射板时请注意位置。
(X 方向)
(Y 方向)
如果影像处理时的 Y 坐标为默认值 (12 mm)时,低反射板的 Y 方向设置如下所示。
在通道 2 中,安装时请不要遮住支撑销检测传感器的光轴。如果遮住了光轴,受光侧传感器
的红灯就会灭灯。

4. 生产 QD142-05
130 NXT II 系统手册
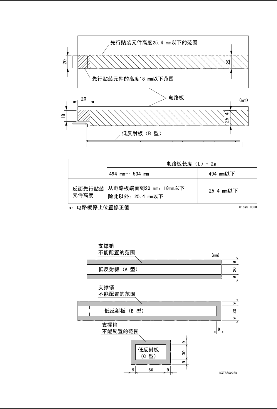
先行贴装的元件的高度限制 (仅限于 B 型)
在设置了 B 型的低反射板的位置后,先行贴装的元件的高度受到限制。请参考下图。
使用低反射板时不能配置支撑销的范围
安装了低反射板后,在低反射板的周围不能够配置支撑销。能够安装低反射板的范围如下。

QD142-05 4. 生产
NXT II 系统手册 131
使用电路板停止位置补正功能时的异常
说明在使用电路板停止位置补正功能时所发生的异常及其对策。
电路板轮廓的测出失败时
操作画面上显示异常向导。
a. 请按下 OK 按钮,拉出模组。
b. 请擦去附着在对象通道的低反射板上的污垢,然后插入模组。
另外,当按下 MONITOR 按钮后,就能够确认影像的状态。比较电路板与背景 (低反射板),
如果有对比度小的部分时,请按照以下变更 Job 的设定。
a. 取入对比度大的部分。
b. 将取入范围变小。