NXTII 系统手册.pdf - 第250页
5. 换线 QD142-05 232 NXT II 系统手册 料盘高度和搭载条件 5.7.6 料盘插入时的注意事项 · 料盘具有方向性。将料盘插入料 盘单元 -M 时,请注意方向。 · 开闭料盘单元 -M 的正门时, 请不要有冲击小心进行。 有可能发生元件偏移或元件 从料盘上飞出。 从安全上考虑, 这些门实施了自动锁定而有可能不能打开 ,此时 请不要硬开。 · 请不要使用右前方有缺口的料盘 。

QD142-05 5. 换线
NXT II 系统手册 231
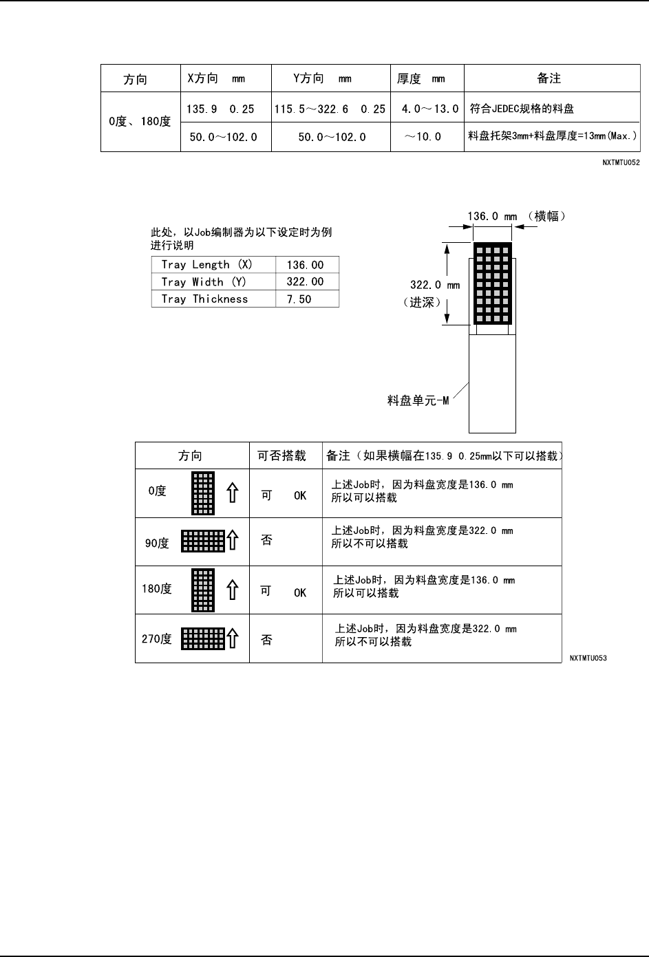
5.7.5 料盘单元 -M 中可以使用的料站尺寸
料盘方向和搭载条件
–
–
–

5. 换线 QD142-05
232 NXT II 系统手册
料盘高度和搭载条件
5.7.6 料盘插入时的注意事项
·料盘具有方向性。将料盘插入料盘单元 -M 时,请注意方向。
·开闭料盘单元 -M 的正门时,请不要有冲击小心进行。有可能发生元件偏移或元件
从料盘上飞出。从安全上考虑,这些门实施了自动锁定而有可能不能打开,此时
请不要硬开。
·请不要使用右前方有缺口的料盘。

QD142-05 5. 换线
NXT II 系统手册 233
5.8 支撑板的更换
5.8.1 更换支撑板的向导画面
备注 )从单搬运轨道切换到双通道生产时 ( 或者相反 ),或者变更搬运轨道宽度时,有时需要
进行支撑销的更换。搬运轨道宽度自动地调节到与下一道生产的电路板宽度相吻合。
进行支撑板的更换时,请在 Y 轴线性马达的轴的温度降到常温后,安装保护罩。
注意
在线性马达附近使用工具时,请注意由磁铁引起的吸引作用。
请不要使磁卡、手表、精密仪器等靠近线性马达附近。有可能受磁力影响
出现故障。