KD-2077-Rev03PDFA - 第77页
- 74 - N O T E ( 注記 ) #0 1 . . .. FOR FRON T ・ LEFT-RIGHT 手前・左右用 FOR R E A R ・ R IGH T - LEFT 奥・右左用 #0 2 .... FOR FR O NT ・ RIGHT-LEFT 手前・右左用 FOR R E A R ・ L EFT-RIGHT 奥・左右用 *I NS TA LLAT IO N PO SIT IO N AN D DI RE CTI …

- 73 -
37.CENTERING PIN COMPONENTS
センタリングピン関係
23
21
21
24
9
10
11
4
5
6
7
8
8
6
18
20
22
12
13
14
1
15
16
17
19
17
12
22
14
13
25 42
2
3

- 74 -
NOTE( 注記 ) #01....FOR FRONT ・ LEFT-RIGHT 手前・左右用
FOR REAR ・ RIGHT-LEFT 奥・右左用
#02....FOR FRONT ・ RIGHT-LEFT 手前・右左用
FOR REAR ・ LEFT-RIGHT 奥・左右用
*INSTALLATION POSITION AND DIRECTION VARY IF THE PWB TRANSFER
REFERENCE IS DIFFERENT.
基板搬送基準が異なると取付位置、方向が変わります。
REF.NO NOTE PART NO D E S C R I P T I O N
品 名
Qty
1 EA-9500B01-00 CABLE BAND
束線バンド
8
2 E2076-721-000 BU HAND KNOB
BU ハンドノブ
1
3 E2141-725-000 BU HAND KNOB S
BU ハンドノブ S
1
4 400-15791 DAMPER PLATE L
ダンパープレート L
1
5 400-15792 DAMPER PLATE R
ダンパープレート R
1
6 400-15793 LOCK SPRING ロックスプリング 2
7 400-00895 DAMPER BLOCK R
ダンパブロック R
1
8 SL-6030892-TN SCREW
座金付き六角穴ボルト
4
9 400-00891 STOPER SLIDE LEVER L
ストッパスライドレバー L
1
10 400-00897 STOPER SLIDE LEVER R
ストッパスライドレバー R
1
11 400-00892 DAMPER BLOCK L
ダンパブロック L
1
12 400-00978 DAMPER LOCK LINK
ダンパロックリンク
2
13 400-00950 DAMPER SPRING
ダンパスプリング
2
14 RE-0300000-K0 E-RING 3
E 形止め輪 3
6
15 EA-9500B00-00 CLIP CV-70S
結束バンド 60
1
16 HX-0031400-00 SPIRAL TABE
スパイラル チューブ
0.3
17 400-01081 CENTERING PIN 4.0
センタリングピン 4.0
2
18 400-02122 T.PIN SENS ASM
ティーピンセンサ組
1
19 SL-6030692-TN BOLT
座金付き六角穴ボルト
1
20 SL-4031091-SC SCREW M3 X 10
なべ小ねじセムス
2
21 RE-0300000-K0 E-RING 3
E 形止め輪 3
2
22 400-00896 DAMPER LOCK PIN
ダンパロックピン
2
23
#01
E2148-721-000 SENSOR BRACKET R
センサブラケット R
1
24
#02
E2147-721-000 SENSOR BRACKET L
センサブラケット L
1
25 400-01087 CENTERING PIN 3.4
センタリングピン 3.4
1
26 400-01088 CENTERING PIN 3.3
センタリングピン 3.3
1
27 400-01089 CENTERING PIN 3.2
センタリングピン 3.2
1
28 400-01090 CENTERING PIN 3.1
センタリングピン 3.1
1
29 400-01091 CENTERING PIN 3.0
センタリングピン 3.0
1
30 400-01092 CENTERING PIN 2.9 センタリングピン 2.9 1
31 400-01093 CENTERING PIN 2.8
センタリングピン 2.8
1
32 400-01094 CENTERING PIN 2.7
センタリングピン 2.7
1
33 400-01095 CENTERING PIN 2.6
センタリングピン 2.6
1
34 400-01096 CENTERING PIN 2.5
センタリングピン 2.5
1
35 400-01097 CENTERING PIN 2.0
センタリングピン 2.0
1
36 400-01098 CENTERING PIN 1.9
センタリングピン 1.9
1
37 400-01099 CENTERING PIN 1.8
センタリングピン 1.8
1
38 400-01082 CENTERING PIN 3.9
センタリングピン 3.9
1
39 400-01083 CENTERING PIN 3.8
センタリングピン 3.8
1
40 400-01084 CENTERING PIN 3.7
センタリングピン 3.7
1
41 400-01085 CENTERING PIN 3.6
センタリングピン 3.6
1
42 400-01086 CENTERING PIN 3.5
センタリングピン 3.5
1

- 75 -
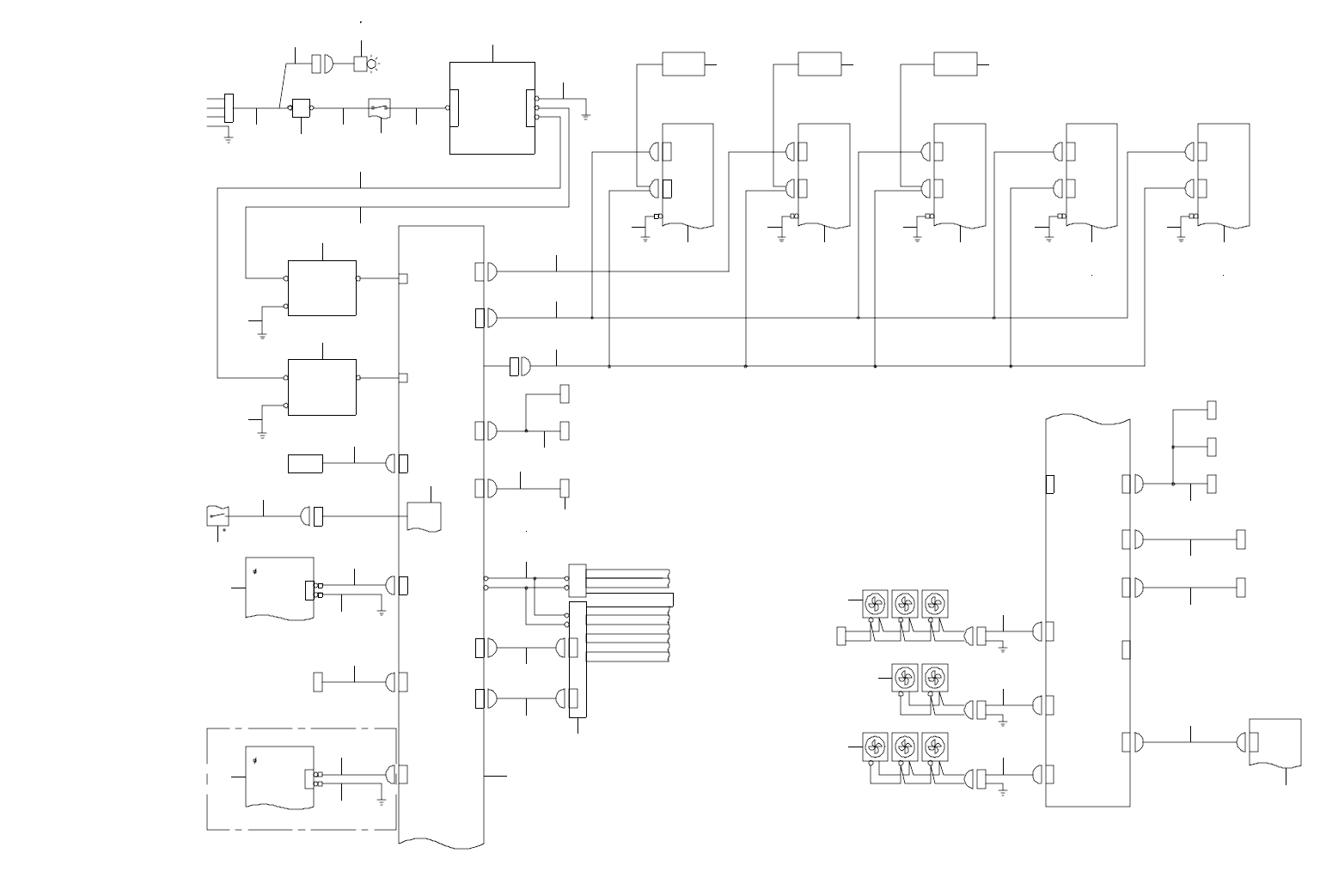
38.SYSTEM DIAGRAM (1)
SYSTEM DIAGRAM(1)
REG 3
MR- RB1 2
R EG2
M R-R B12
RE G1
MR -RB 12
CN0 70
PWR
LAMP
CN246
C N136
CN018
C N09 7
CN015
2-3C2-3C
T
T SERV O
A MP(1/ 3)
M R-J3- 10B
F8E
E
CNP2
CNP1
Z
Z S ERVO
AMP (1/3 )
MR- J3-1 0B
F7 E
E
CNP2
CN P1
VCS (O CS) MON ITO R
CN011CN011 CN709
HEA D
MAIN PCB
(DC PWR)
C N018
(1/2)5-2A
(1 /3 )
(1 /4 )
(1 /2 )
(1 /3 )
(1 /2 )
(1 /2 )
(1/5)2-2A
3-1A
3-1B
3-1B
3-1A
2-3A
5-2B
TEMPERATURE
CONTROL
UNIT(L)
CN 55 8
TEMPERATURE
CONTROL
UNIT(R)
CN013CN013
CN5 60
TEMPERATURE
CONTROL
UNIT(C)
CN 55 9
2-3B2-3B2-3A
5-2B
4-3D
4-3B
5-1C
1-1A
1-1C
1 -2D
1- 4A
R5E
CPU
OUT
MOTER
DRIVER
CN031CN031
CN655 (R)
IN
MOTER
DRIVER
CN655 (L)
CN004
HEA D
MAIN PCB
(AC PWR)
CN0 97
CP CI BACK
BOARD
LCD
MONITOR(1/2)
C N015BASE FAN R
CN 06 7
C N009
R3 E
C N007
R4 E
CN 008C N008
R2 E
CN 007
TB2
TB1
BASE-FEEDER
XY RELAY
LI GH T C TRL
I/ O CTRL
SAFETY
IP -X3R
BU S- BRI DGE
PO SI TIO N B OAR D
YL
Y L SERV O
AMP(1/2)
MR-J3-70B
F5E
E
CNP2
CNP1
YR
YR SE RV O
AMP (1 /2 )
MR- J3 -7 0B
F4E
E
CNP2
CNP1
CN001
O PTION (AWC)
5 DRIVER CN005
A WC DRIVE R(1 /2)
F6 E
TB
CN005
CE NT
MO TE R
DR IV E R
CN0 28 CN0 28CN655
5 DRIVER CN003
BU DRIVER (1/2)
F1E
TB
CN003
MAIN
SW(2/2)
TB2
AC200V
INPUT
X
BA SE FA N L
CN 06 6
CONTROL UNIT TOP FAN
CN 06 4C N06 5
X SERVO
A MP( 1/ 2)
M R-J 3- 40 B
POWER
UNIT(1/2)
CN0 27
CN0 24
CN010
POWER
UNIT(2/2)
CN 006
CN 009
H O UR ME TE R CN010
CN2
CN1
REMORT SW
UPS
(1/2 )
CN 027
CN 024
F3E
E
CN P2
CNP1
CN 099
C N002
TB1
CN0 96
R7E
TF2 (AC TRANS)
R6E
TF1(D C TRANS)
AC IN PUT
U NIT
TB1
MAIN
SW(1/2)
NFB1
30A
PE
FG
L3
L2
L1
1
6
8
2
4
5
3
7
9
10
11 12
13
17
14 16
15
18
19
20
21
51
23
24
2726
25
28
5248
49
46
45
65 43 44
31
30
33
34
37
36
38
39
40
64
41
42
29
32
35
47
50
54 56 58
53
55
57
61 626059
22
63