KD-2077-Rev03PDFA - 第85页
- 82 - REF .NO N OTE P ART NO D E S C R I P T I O N 品 名 Q ty 1 400-02208 I N _ SENS_ASM インセンサ組 1 2 400-02209 I N SEN S CABLE ASM インセンサーケーブル組 1 3 400-02210 OU T SENS ASM. アウトセンサ組 1 4 400-02211 OU T SENS CABLE ASM アウトセンサーケ…

- 81 -
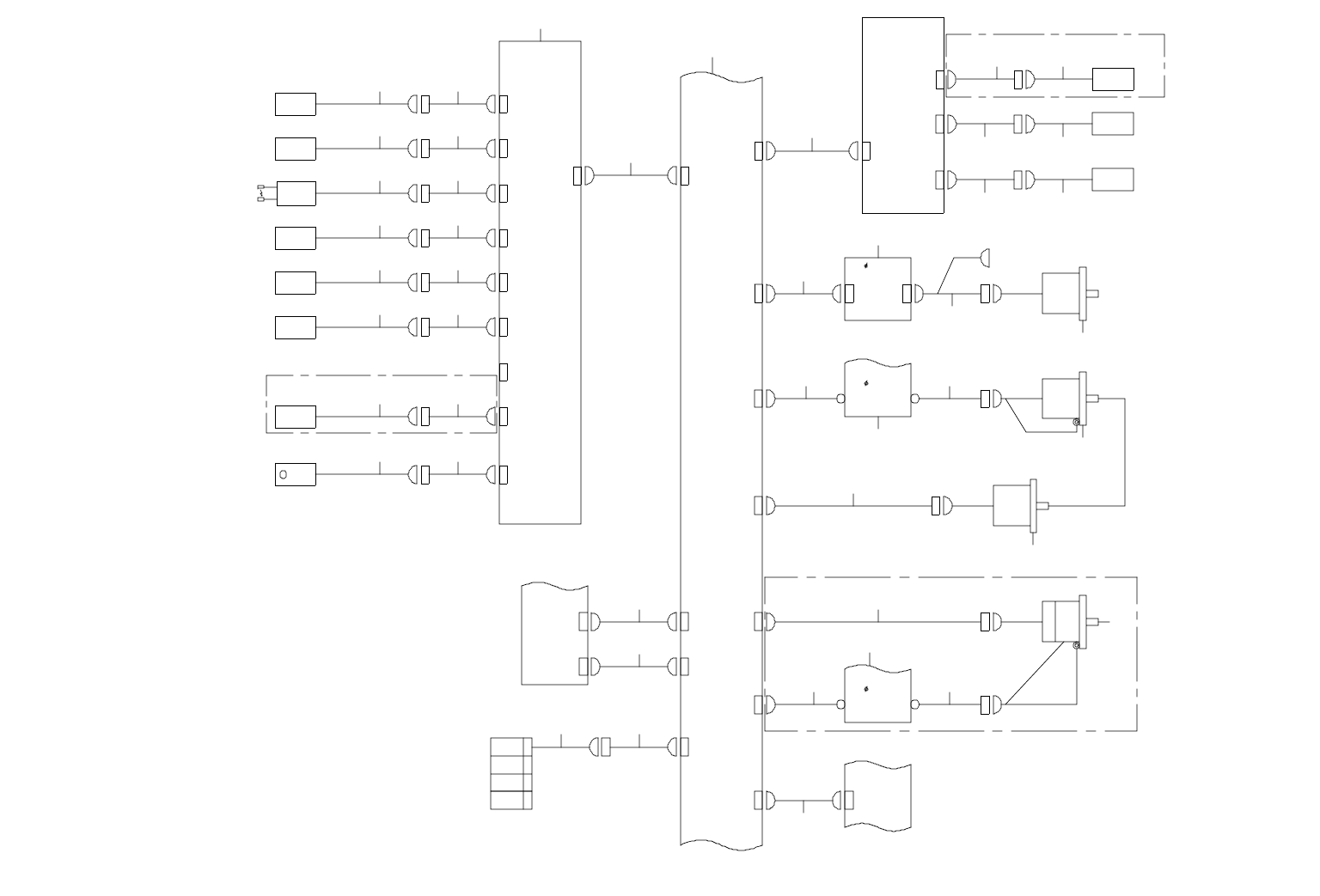
41.SYSTEM DIAGRAM (4)
SYSTEM DIAGRAM(4)
OP TIO N CAB LE( AWC )
OPT IO N C ABL E(A WC)
AWC DRIVER
(2 /2 )
BU DRI VER
(2/ 2)
CN 40 3R (CN403R)
5-2A
TAPE DETECT SENSOR
CN 63 5 C N3 5
LS1 -6
CN 6
CN 3
TAPE
CN12 CN4 12R
MA IN AIR PR ES SU RE S ENS OR
CN08
5-3A
3-3A
XY R EL AY PCB (4/ 5)
LS0 -1 5
LS 0-15
CN637
CN37
3-4B
1-5C
CN611 CN11
CN 421 CN1CN6 21CN21
CN22CN622CN401CN1
1-1D
1-1C
S. V.
SHAPE Y
SHAPE X
STOPPER
CN12CN61 2CN 670
5 DRIVER
5 DRIVER
LS1 -4
CN 4
CN 63 6CN 36
CN 63 3CN 33
CN 63 2CN 32
CN 34
CN31
CN 63 4
OP TIO N(A UTO WI DTH AD JUS TME NT)
CN63 1
PWR
AUTOWIDTH ADJUSTMENT MOTOR
CN 671
CN 67 2
C N66 0
CN659
CN 65 8
CN657
CN656
CN655
BU UP EN COD ER (L)
BU UP MOTOR(L)
CE NTE R M OTO R(L )
CN2
CN1
5 DRIVER
SA FE TY
P CB (4/ 4)
CN9 CN409R
AWC ORG SENSOR
CN445
CARRY
SENSOR
RELAY
PCB(R)
CARRY
PCB(1/2)
CN 20
T P IN S ENSOR (L)
CN7C N 407 LCN442
CN8C N 408 L
BA CK UP PI N S EN SO R
CN444
CN9C N 409 L
BU ORG S EN SO R
(CN409L)
CN16CN416 L
C.OUT SENSOR(L)
CN 441
CN17
CN4
CN3
CN2
C N417 L
C N 404 L
C N 403 L
C N 402 L
ST OP SENSOR (L )
CN 440
RIGH T
LEFT
WAIT SENSOR
CN439
OU T SEN S OR
CN438
IN SE NSO R
CN437
CARRY
SENSOR
RELAY
PCB(L)
1
24
35
68
79
10 12
11
14
13 15
16
18
20
27
31
35
41
45
43
46
37 38 40
39
17
19
3228
42
36
3430
33
29
25
2624
23
22
21
44

- 82 -
REF.NO NOTE PART NO D E S C R I P T I O N
品 名
Qty
1 400-02208 IN_SENS_ASM
インセンサ組
1
2 400-02209 IN SENS CABLE ASM
インセンサーケーブル組
1
3 400-02210 OUT SENS ASM.
アウトセンサ組
1
4 400-02211 OUT SENS CABLE ASM
アウトセンサーケーブル組
1
5 400-02212 WAIT SENS ASM
ウェイトセンサ組
1
6 400-02213 WAIT SENS CABLE ASM
ウェイトセンサーケーブル組
1
7 400-02214 STOP SENS ASM
ストップセンサ組
1
8 400-02215 STOP SENS CABLE ASM
ストップセンサーケーブル組
1
9 400-02235 C.OUT SENS ASM
シーアウトセンサ組
1
10 400-02236 C.OUT SENS CABLE ASM
シーアウトセンサーケーブル組
1
11 400-02124 BU ORG SENS ASM
バックアップテーブル原点センサ組
1
12 400-02345 BU ORG RLY CABLE ASM
バックアップ原点中継ケーブル組
1
13 400-68876 CONVEYOR DETECT SNS CBL ASM
コンベア検出センサケーブル組
1
14 400-02240 BU PIN RCV CABLE ASM
BU PIN RCV ケーブル組
1
15 400-02122 T.PIN SENS ASM
ティーピンセンサ組
1
16 400-02123 T.PIN CABLE ASM
ティーピンケーブル組
1
17 400-01964 CARRY SENSOR RELAY PCB ASM.
キャリーセンサ中継基板組
1
18 400-02074 CRY SENSOR(L)CABLE ASM
キャリーセンサ L ケーブル組
1
19 400-01947 CARRY PCB ASM.
キャリー基板組
1
20 400-02073 CRY SENSOR(R)CABLE ASM
キャリーセンサ R ケーブル組
1
21 400-02121 AWC ORG CABLE ASM
AWC ORG ケーブル組
1
22 400-02120 AWC ORG SENS ASM
自動幅調原点センサ組
1
23 400-45500 AIR PRESSURE CABLE ASM
エアプレッサーケーブル組
1
24 400-45499 AIR PRESSURE METER ASM
エアプレッサーメータ組
1
25 400-68900 TAPE DETECT RELAY CABLE ASM
テープ検出リレーケーブル組
1
26 400-45503 ATC CLOSE SENS ASM
ATC クローズセンサ組
1
27 400-02093 CENT MOTOR PULSE CABLE ASM
CENT モータ PULSE ケーブル組
1
28 HM-0013200-00 MOTOR DRIVER
モータドライバ
1
29 400-02173 CENT MOTOR CABLE ASM
CENT モータケーブル組
1
30 E9431-729-0A0 CENT MOTOR ASM.
CENT モータ組
1
31 400-02098 BU MOTOR PULSE CABLE ASM
BU モータ PULSE ケーブル組
1
32 HX-0042000-00 5 PHASE STEP DRIVER
5相ステッピングモータドライバ
1
33 400-02174 BU MOTOR CABLE ASM
BU モータケーブル組
1
34 E9432-729-0A0 BU MOTOR ASM.
BU モータ組
1
35 400-02095 BU ENC CABLE ASM
BU ENC ケーブル組
1
36 E9433-729-0A0 BU ENC ASM.
BU ENC 組
1
37 400-45438 CENT-PM CTRL CABLE ASM
CENT − PM コントロールケーブル組
1
38 400-02078 CRY SAFE CABLE ASM
キャリーセイフティ接続ケーブル組
1
39 400-68864 CARRY-SV WIRE ASM
キャリーソレノイドバルブ束線組
1
40 400-02079 CARRY SV CABLE ASM
キャリー SV ケーブル組
1
41 400-02094 AWC ENC CABLE ASM
AWC ENC ケーブル組
1
42 E9434-729-0A0 WIDTH ADJUST MOTOR ASM.
自動幅調モ−タ組
1
43 400-02096 AWC MOTOR PULSE CABLE ASM
AWC モータ PULSE ケーブル組
1
44 HX-0042000-00 5 PHASE STEP DRIVER
5相ステッピングモータドライバ
1
45 400-02176 AWC MOTOR CABLE ASM
AWC モータケーブル組
1
46 400-45439 CARRY PWR CABLE ASM
キャリーパワーケーブル組
1

- 83 -
42.SYSTEM DIAGRAM (5)
SYSTEM DIAGRAM(5)
V CS( OC S) MO NIT OR
LS5-2 CN2
CN706 CN742CN6
EMG SW_RR
CN23
CN26
CN623
CN626
LS3-3
LS3 -1
CN3
CN1
4-3D
CARRY
PCB(2 /2)
F10E
OPE -E 1
CN2
SSD
LPT
O PTI ON (T OU CH PANEL )
COM2
LS4-4
LS4-6
CN4
CN6
CN70 1
CN 715
CN1
CN483
1- 3C
BAS E
FEE DER (2/ 2)
SI GNA L LIGH T
PWR
IN
3-1A
IP-X3R
PCB
(3/3)
O PTIO N(FDD )
PW R
FD D
CN11
CN711
CN1 6
4-3D
XY RELAY
PCB(5/5)
LS 0-16
LS0 -16
3- 1B
CN 15
I/O CTRL
PCB
(3/3)
3-5A
1-3C
ETHERNET
USB CH2
USB CH1
LA N
CH 2
CH1
C OVER
USB CH2
US B CH1
CN 02CN2
CN708 CN747CN8
1-5D
1-2 C
COVER OPEN SW(R)
CN 18
RS232C
MS
KB
KEY
B OAR D
M OUSE
LC D
MO NITO R(2/2 )
LS3-2
VIDEO
OP TION (UPS)
C OM1
ACCESSARY
RS-232C
UP S(2/ 2)
FD D I/F
HD D I/F
CPU
BOA RD( 2/2)
DVI1
HOD
BOX
SW9
SW 10
SW5
SW6
SW1
SW2
CYCL E SW
SERV O FREE SW
STOP SW
STAR T SW
ORIGIN SW
ON LINE SW
COVER OPEN SW(F)
CN7CN7
EMG SW_FR
CN705CN5
OP EA RA TI ON
PC B( 2/ 2)
1
2
3
54
6
7
15 17
16
18 20
9111213
8
10
14
22 23
24
25
26
28 29 30
27
31
32 33
34
35
19 21