MX系列中文说明书 - 第206页
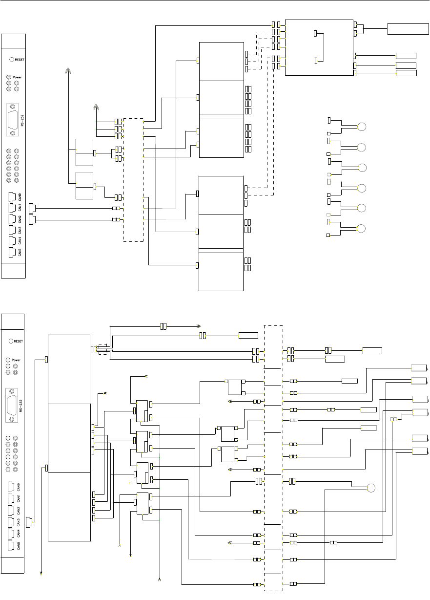
Mx Series Manual 4-40 6. Head Motor Error [症 状 ] y Z 、 W 轴 Motion C ontrol Boar d(DMC) 出现错误 。 y Z 、 W 轴回原点 失败。 - Head Motor 结构 - Motion Contro l Board(DMC) 与 AMP 的连接状态图。 - 连接图纸 - Sensor 位置 Front Head :装备侧面 图。 (6 M Head) …

第4章 解决问题
4-39
Y-Axis N_Limit
Sensor
Y-Axis P_Limit
Sensor
X GANTRY
Y2 GANTRY
Y1 GANTRY
X-Axis N_Limit
Sensor
X-Axis P_Limit
Sensor

Mx Series
Manual
4-40
6. Head Motor Error
[症状]
y
Z、W轴Motion Control Board(DMC)出现错误。
y
Z、W轴回原点失败。
- Head Motor结构
- Motion Control Board(DMC)与AMP的连接状态图。
- 连接图纸
- Sensor位置
Front Head:装备侧面图。(6 M Head)
W Axis Moto
r
Z Axis Moto
r
(Z1~Z6)
Z Axis N_Limit
Sensor
Z Axis P_Limit
Sensor
Laser Pointer
Sensor

第4章 解决问题
4-41
SMPS2
DC24Vsw
SMPS1
DC24Vsw
??2811Z-10901-02x
2821Z-24001-02x
2821Z-24001-03x
??2811Z-10901-03x
CAN 0
DC24Vsw 3
Flat Cable_SX1
CAN 1
DC24Vsw 1
DC24Vsw 2
DC24Vsw2
Z3-POWER
Z4-POWER
DMC I/O BOARD
Z5-ECD
DMC MAIN BOARD
Anlog SIG
CAN COMM
LIMIT
D I/O
DC24V
Z6-ECD
Current Board
DMC INVERTER BOARD
DC24Vsw3
Z5-POWER
Z6-POWER
HEAD DMC
DC CONTROL POWER IN
From:L P_BOX CN4A
2821Z-10401-01x
From:L P_BOX CN9
2821Z-10901-01x
CAN
AC POWER IN
DMC I/O BOARD
LIMIT
Front Head Block Diagram
D I/O
Anlog SIG
CAN COMM
Flat Cable X1
DC24V3
DC24V2
DC24V1
Z3-ECD
Z2-ECD
Z1-ECD
DC24V
DMC MAIN BOARD
Z2-POWER
Z1-POWER
DC24Vsw1
DMC INVERTER BOARD
Z4-ECD
Current Board
Z1-POWER
2821Z-24009-03x
2821Z-24011-02x
D I/O
2821Z-33030-01X
2821Z-33030-02X
M
Z2-ECD
Z1-ECD
2821Z-33010-01x
2821Z-33010-02x
DC24V
DMC Connector Board
Anlog SIG
D I/O
LIMIT
LIMIT
2821Z-24009-01x
2821Z-24011-01x
2821Z-24012-01x
2821Z-24010-010
2821Z-33040-01X
2821Z-33090-01X
VACUUM EJECTOR(6P)
Laser Point
VACUUM EJECTOR(6P)
A-SIG 6PORT
D-SIG 12PORT
LMT Z-NSEN
LMT Z-PSEN
Z6-POWER
M
Z5-POWER
Z4-POWER
Z2-POWER
Z3-POWER
M
Z3-ECD
Z4-ECD
M
2821Z-33010-03x
2821Z-33010-04x
M
M
Z6-ECD
Z5-ECD
2821Z-33010-05x
2821Z-33010-06x
DMC-A
From:L P-BOX CN4A
2821Z-10401-01x
From : Left Front Pana
2821Z-24015-02x
DC24V
DMC ANALOG Board
2821Z-24004-05x
2821Z-24004-06x
2821Z-24004-07x
2821Z-240054-08x
X5
rW AMP
Right Rear
Convex 연결
X5
T/B Block
PANA AMP
CONVEX AMP
rY2 AMP
2652Z-24005-07x
2652Z-24005-08x
2821Z-24014-03x
2821Z-24014-01x
rY2_HS
B/D
To: C/B 1(CN4)
2821Z-27201-02x
2821Z-24006-06x
2821Z-24006-05x
Right Rear Pana 연결
2821Z-24015-03x
From:L P-BOX CN10
2821Z-11001-02x(Motor PWR)
From:L P-BOX CN8
2821Z-10801-02x(AMP Cont PWR)
To: C/B 1(CN4)
2821Z-27201-02x
2821Z-24006-07x
2821Z-24006-08x
2821Z-24001-04x
DMC MAIN Board
From:P-BOX CN4A
2821Z-10401-01x(EXT DC24V)
LIMIT
CAN COMM
Rear DMC I/O Board
CAN
2821Z-24002-02x
2652Z-32020-01x
Rear Gantry Block Diagram
2821Z-24003-01x
Front DMC-A
LIMIT Y1-PSEN
2652Z-24005-06x
X5
T/B BlockT/B Block
CONVEX AMP
rY1 AMP
2821Z-24014-01x
2652Z-24005-05x
X5
CONVEX AMP
rX AMP
From : Front Convex
2821Z-24014-02x
rX_HS
B/D
To: C/B 1(CN4)
2821Z-27201-02x
rY1_HS
B/D
MOTOR
rY1-ECD
rY2-HALL
Y1
Y2
MOTOR
rX-ECD
rX-Temp
rY1-HALL
X1
2821Z-24007-01x
fX-HALL
40543-11000-000
553312-000036
rX-Hall
rY1-Hall
40543-11000-000
553312-000037
40543-11000-000
553312-000038
rY2-Hall
Flat Cable
rX-PSEN
rX-PSEN
rX-NSEN
rY1-PSEN
2821Z-32010-01x
2821Z-24007-01x
2821Z-32010-02x
Scale Head
rX-NSEN
rX-ECD
Scale Head
rY1_MOVER
rY2-ECD
rY2_MOVER
rY2-Temp
rY1-POWER
rX-POWER
rY1-Temp
rX-Temp
rY1-ECD
rX_MOVER
Scale Head
Flat Cable
MOTOR
rW-POWER
MOTOR
rY2-POWER
rY1-Temp
Y2
X1
2821Z-24007-01x
rY1-POWER
MOTOR
rX-POWER
X1
Y1
MOTOR
rW-ECD
rY2-Temp
MOTOR
rY2-ECD
rW-ECD
Panasoinc
rW-POWER
2821Z-33110-010
2821Z-24008-01x
M
rY2-POWER