MX系列中文说明书 - 第287页
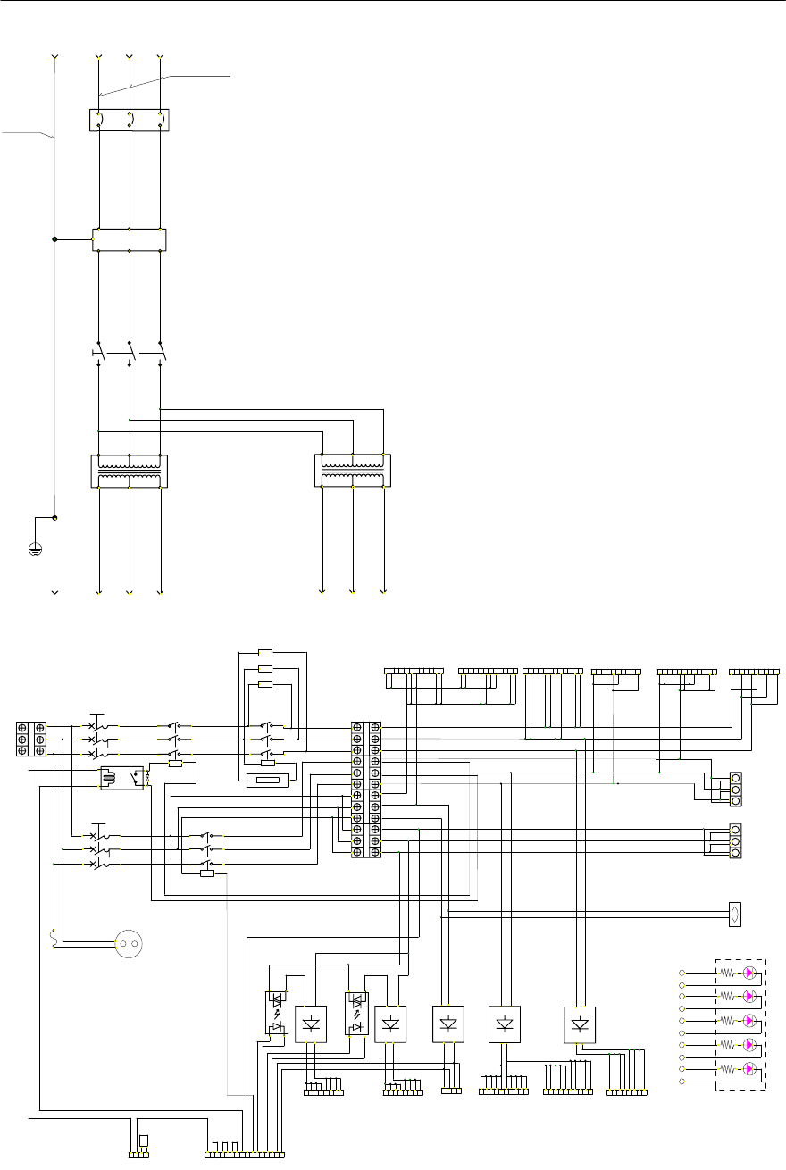
Appendix G-13 T2 T3 T1 L1 L2 L3 RELAY LM CP (Main Contact) D (Terminal Block) L3 L2 L1 T/B Connector LCD LCD DT (DELAY TIMER) SSR FG V U V U Servo Motor W W Servo Motor PS (SMPS) AC IN DC OUT OUTPUT INPUT 4 3 T/F (Transf…

G-12 Mx Series Manual
2653Z-10501-01x
역방향 Motor Connector
2653Z-10401-01x
C/B CN1
CN7
CN5
CN1(Molex35353)
Power Input
Connector
CN1
Tempareture Sensing
Connector
LSM
From: P-BOX CN5
From: P-BOX CN4A
CN6
CN4
정방향 Motor Connector
CN6
2654Z-27001-10x
Y2-TEMP
Y1-TEMP
To Flat Cable
502090-000629
From:
Nx12-03 CN2(2653Z-23005-01x)
From:
Nx12-04 CN2(2653Z-23006-01x)
X-TEMP
2653Z-27201-01x
CN2
CN3
Cooling Board Block Diagram
Command & Alarm Signal
Connector
Tempareture Sensing
Connector
Cooling Board(V1.2)
CN9
CN2
CN3
CN9
2653Z-27202-01x
COM 5
PC
XXXXXX-XXXXXX(NEW)
Outlet
Outlet
OUTLET CONV_BELT
Mx400 SYSTEM
Mx-400 System
Signal Part
see "2821Z-20000"
see "2821Z-10000"
Power Part
Fox ll System Block Diagram

Appendix G-13
T2
T3
T1L1
L2
L3
RELAY
LM
CP
(Main Contact)
D
(Terminal Block)
L3
L2
L1
T/B
Connector
LCD
LCD
DT
(DELAY TIMER)
SSR
FG
V
U
V
U
Servo
Motor
WW
Servo
Motor
PS
(SMPS)
AC IN
DC OUT
OUTPUT
INPUT
43
T/F
(Transfer)
N/F
(Noise Filter)
A1
T3
MC
(Main Contact)
A2
MC
(Magnetic Coil)
T1L1L1
L2
T1
T2
T3T3L3
12
G
SYMBOL TABLE
MCCB
FG
FAN
FAN
SS
(SEFETY SENSOR)
R
R(EGISTER)
V
W
U
FG
Linear
Motor
Linear Motor
L3
L1
L2
W
FG
U
V
L1C
L2C
Motor Driver
(CONVX)
PC
VME
PC
VME
LAMP
RS
(RUN SWITCTH)
K1
24
23
14
13
A2
A1
S14
S13
S10
S12
S11
S21
K2
Safety Relay
AC Concent
FUSE
L2
V
W
L1
U
F.G
P/D
Panasonic
Driver

G-14 Mx Series Manual
PE
L12
T/F (Transfer)
3 Phase 7KVA
INPUT
2811Z-10105-01x
L32
L22
KM(MAIN S/W)
T3-3-8342
2811Z-10104-01x
2811Z-10105-02x
L12
INPUT
L13
OUTPUT
L23
L33
OUTPUT
L14
AC110V입력 삭제
2811Z-10106-01x
2811Z-10106-01x
2811Z-10106-02x
L31
L21L11
654
312
G
PE1
N/F (Noise Filter)
MAX 450V , 30A
L30
L20
AWG#6
(GRN/YEL)
PE L1 L2 L3
AWG#10 (Black)
MCCB
25A
L10
2811Z-10102-01x
2811Z-10103-01x
T/F (Transfer)
3 Phase 7KVA
L22
L32
L24
L34
1 2 34
1
2
DC: +RED // -BLU
온도센서
FUSE(250V 5A)
AC Concent (FG Type)
FG Frame접지
L200
L340
Note:Cable Coloer
AC: BLK
L330
L230
AC IN
PS1
DC OUT
L330
MSF150-15
DC OUT
L330
AC IN
L230
PS2
AC IN
MSF150-15
DC OUT
P3
43 56789 1011121314 1615
L130
43 521
CN1 (DC15Va) CN2 (DC15Vb)
876
1 2 3 4 5678
CN3(DC24V)
L2
L3
L1
CP1
GV2-M10
L222
L120
T1
L122
A2A1
MC2
T1L1L1 T1
L320
L220
T2
T3
T2
T3T3T3L3
L2
A1
L23
(L24)
L33
(L34)
L13
(L14)
TB1
L1
GV2-M16
CP2
L100
L2
L3
L300
L200
T3
T2
L210
L310
LC1D126
MC2
T1
L110
L111
T1T1L1L1
L311
L211
T2
T3T3T3L3
L2
L3
L2
L1L1
LC1D126
MC3
T1T1
L112
T2
T3T3T3
L121
L312
L212
R3
R1
R2
561 2 34
CN7 (AC220Va)
7 8 910 1211
S
R
T
D1
D2
D3
D4
TB2
L230
L130
L113
L122
L313
L213
L321
L221
A2
Timer
L310
L321
L221
L220
L120
A1
A2
L121
LC1D126
S
R
T
R
S
R
T
L130
L322
L222
L130
L230
L330
S
T
L330
L230
L130
1 32
CN15 (AC220Vc)
64 785 1112910
L213
1
CN9 (AC220Vsw)
76543
L113
2
L213
L113
8 910 1211
CN6 (AC220Vb)
321 4 5 876 109
CN8 (AC220Vb)
321
L222
L222
L322
L122
L313
L213
L113
L122
85674
CN10 (AC220Vsw)
1211910
4231 5 789 106
L330
L230
L230
POWER LAMP
L322
L222
RUN LAMP
CN4A (DC24V)
1 2 34
1 342 1098765
1 2 3
CN4B (DC24V) CN5 (DC24Vsw)
87654
1
109
67852 34
PS5
MSF35-24
PS4
PS3
MSF150-24
AC IN
DC OUT
L322
L222
L230
L313
L213
PS1
DC OUT
VSF400-24
AC IN
PS5
PS2
PS3
PS4
+
-
+
PD_PS3N
PD_PS4P
PD_PS4N
PD_PS3P
+
-
-
PD_PS2P
PD_PS2N
PD_PS1N
FAN
+
PD_PS1P
MPS-LED
L330
-
-
+
PD_PS5P
PD_PS5N