MX系列中文说明书 - 第299页
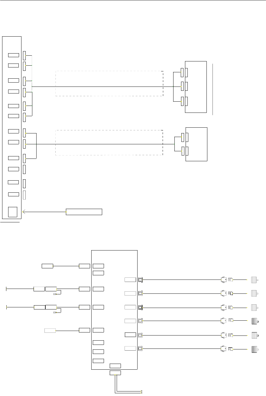
Appendix G-25 CN15 CN14 CN10 CN13 2822Z-27101-05x CN5 CN6 CN6 CN7 CN7 CN11 2822Z-27101-06x From :P-BOX CN4B From :P-BOX CN5 TB CN11 2821Z-10402-01x 2821Z-10501-01x 2822Z-27101-02x Next-M TB1 CN9 2822Z-27101-01x 2821Z-270…

G-24 Mx Series Manual
+24V
POWER
CN11
CN10
P-BOX(CN4A)
DC24V POWER(LED전원)
2821Z-10401-01x
CN07
CN09
CN08
CN06
CN05
(A)
CN2
CN1
Rear DQFP
(B)
2821Z-26106-01x
CN03
CN02
CN00
CN01
CN04
MRIL 1
MRIL B/D 2 Block Diagram
CN1
CN2
CN2
(A)
(C)
(B)
Rear CSP
2823Z-26107-01x
Daul Conv일경우 2822Z-27101-01x
TB Board의 CN8로 연결
FROM (2821Z-23006-01x)
Nx12 10
CN13
CN14
CN15
TB
CN10
CN10
CN5
2821Z-27001-05x
2821Z-27001-04x
CN6
CN5
CN6
CN7
CN7
2821Z-27001-06x
CN11
From :P-BOX CN4B
TB CN11
From :P-BOX CN5
2821Z-10402-01x
2821Z-10501-01x
FROM (2821Z-23006-01x)
Nx12 10
2821Z-27006-01x
Next-M
Machine
Conn.
2821Z-27005-02x
2821Z-27005-01x
Pre-M.
Pre-M. Pre-M.
TB3(CN8)
2821Z-27004-01x
Conveyor1 Step Motor Controller
P-9902(T/B Board 1)
CN8
TB
CN8
TB
CN9
CN9
CN1
TB
CN1
CN12
CN2
CN2
2821Z-27001-01x
CN3
2821Z-27001-02x
CN3
CN4
CN4
2821Z-27001-03x
f1
f1ENT
f2
f2ENT
f1
f1Work
f2_INLET CONV_BELT
2821Z-36250-02x
2821Z-36250-03x
2821Z-36250-01x
f1_INLET CONV_BELT
f2
f2Work
f1
f1EXT
f2
f2EXT
f2_OUTLET CONV_BELT
f1_OUTLET CONV_BELT
2821Z-36250-06x
2821Z-36250-05x
2821Z-36250-04x
f1_MID CONV_BELT
f2_MID CONV_BELT

Appendix G-25
CN15
CN14
CN10
CN13
2822Z-27101-05x
CN5
CN6
CN6
CN7
CN7
CN11
2822Z-27101-06x
From :P-BOX CN4B
From :P-BOX CN5
TB CN11
2821Z-10402-01x
2821Z-10501-01x
2822Z-27101-02x
Next-M
TB1 CN9
2822Z-27101-01x
2821Z-27003-04x
FROM (2822Z-23007-01x)
Nx12 11
Conveyor2 Step Motor Controller
CN1
P-9902(T/B Board 2)
TB
CN1
CN9
TB
CN9
CN8
CN12
TB
CN8
CN3
2822Z-27101-01x
2822Z-27101-02x
CN3
CN2
CN2
CN4
CN5
CN4
2822Z-27101-03x
2822Z-27101-04x
r1
r2
fMID2
r1
r2
rWork
rWork
r1_MID CONV_BELT
r2_INLET CONV_BELT
2821Z-36250-05x
2821Z-36250-04x
2821Z-36250-02x
2821Z-36250-03x
rENT
rENT
r1_INLET CONV_BELT
r2
r1
2821Z-36250-01x
r2_OUTLET CONV_BELT
rEXT
2821Z-36250-06x
rEXT
r2_MID CONV_BELT
r1_OUTLET CONV_BELT
L_rY2-TEMP
L_rX-TEMP
To Flat Cable "SX3"
DWG. 2821Z-24200/A4
To Flat Cable "SX2"
DWG. 2821Z-24100/A4
To:NX12#12
2821Z-23105-01x
CN1
Power Input
Connector
CN1(Molex35353)
CN5
Cooling Valve
Connector
CN5
CN7
C/B CN1
정방향 Motor Connector
Tempareture Sensing
Connector
From: P-BOX CN4A
From: P-BOX CN5
2821Z-10401-01x
2821Z-10501-01x
From:
Nx12 12 CN2(2821Z-23105-01x)
To Flat Cable "SX3"
DWG. 2821Z-24200/A2
To Flat Cable "SX2"
DWG. 2821Z-24100/A4
To Flat Cable "SX3"
DWG. 2821Z-24200/A4
To Flat Cable "SX3"
DWG. 2821Z-24200/A2
2821Z-27201-02x
2821Z-27201-01x
L_rY1-TEMP
L_fX-TEMP
L_fY2-TEMP
L_fY1-TEMP
Cooling Board Block Diagram
CN6
Command & Alarm Signal
Connector
CN2 CN2
CN9
CN3
Tempareture Sensing
Connector
CN3
CN4 CN4
Cooling Board(V1.2)
CN9
PC
USB
USB To Serial Cable
2821Z-27202-01x

G-26 Mx Series Manual
Power Part
FOX System
Signal Part
Left
Power Part
Signal Part
Right
see "2811Z-11000"
see "2811Z-10000"
see "2811Z-21000"
see "2811Z-20000"
Mx800 System Block Diagram
T2
T3
T1L1
L2
L3
RELAY
LM
CP
(Main Contact)
D
(Terminal Block)
L3
L2
L1
T/B
Connector
LCD
LCD
DT
(DELAY TIMER)
SSR
FG
V
U
V
U
Servo
Motor
WW
Servo
Motor
PS
(SMPS)
AC IN
DC OUT
OUTPUT
INPUT
43
T/F
(Transfer)
N/F
(Noise Filter)
A1
T3
MC
(Main Contact)
A2
MC
(Magnetic Coil)
T1L1L1
L2
T1
T2
T3T3L3
12
G
SYMBOL TABLE
MCCB
FG
FAN
FAN
SS
(SEFETY SENSOR)
R
R(EGISTER)
V
W
U
FG
Linear
Motor
Linear Motor
L3
L1
L2
W
FG
U
V
L1C
L2C
Motor Driver
(CONVX)
PC
VME
PC
VME
LAMP
RS
(RUN SWITCTH)
K1
24
23
14
13
A2
A1
S14
S13
S10
S12
S11
S21
K2
Safety Relay
AC Concent
FUSE
L2
V
W
L1
U
F.G
P/D
Panasonic
Driver