00198169-02_TX技术培训(中文) - 第67页
5 贴片头 5.1 CPP 贴片头 技术培训 SIPLACE TX系列 01/2018 67 贴片程序 “高力度”:贴片力度取决于 Z 轴的当前位置,以确定 Z 轴下移以及真空发生器切换到吹气的终了信 号。 抛料程序 “缺陷”或“缺失”的决定因素: ● 光学对中 ● 元件传感器 温度补偿 定期检查温度传感器,校准偏差值以提高贴片精准度。

5 贴片头
5.1 CPP 贴片头
66 技术培训 SIPLACE TX系列 01/2018
5.1.3.3 标准贴片流程
标准贴片
在该模式(挡光板向下)中,CPP 贴片头的贴片力度约为 2.6N。
生产期间,在 350 个贴片头循环(如需要,可由 SIPLACE 服务人员进行设置)以及完成当前加工
的板之后,将运行吸嘴扫描。
可以通过贴片机接口,在四个不同级别中配置吸嘴质量检查: 状态概述, 真空值, 高度值, 扫描值.
拾取程序
为了将真空较早地移到拾取位置,真空发生器会在 Z 轴下移之前开启真空。
“非接触式”:第一个元件使用标准模式拾取,以确定 Z 轴下移的位置,拾取的元件会成为抛料。下一
批元件在 Z 轴下移的绝对位置拾取。

5 贴片头
5.1 CPP 贴片头
技术培训 SIPLACE TX系列 01/2018 67
贴片程序
“高力度”:贴片力度取决于 Z 轴的当前位置,以确定 Z 轴下移以及真空发生器切换到吹气的终了信
号。
抛料程序
“缺陷”或“缺失”的决定因素:
●
光学对中
●
元件传感器
温度补偿
定期检查温度传感器,校准偏差值以提高贴片精准度。

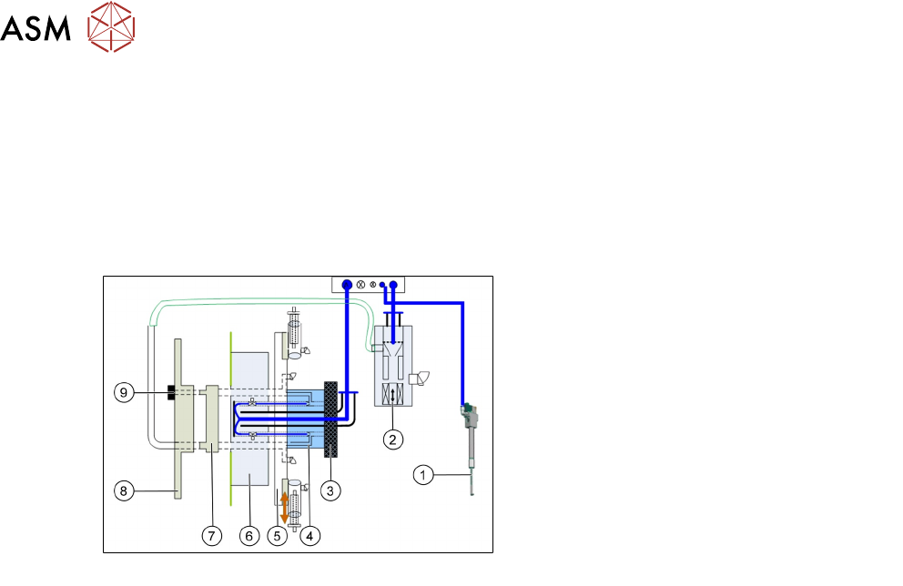
5 贴片头
5.1 CPP 贴片头
68 技术培训 SIPLACE TX系列 01/2018
5.1.4 真空系统概览
5.1.4.1 真空系统功能概览
真空系统包括两个主要部件:
●
拾取/贴片回路:提供真空或吹气,拾取供料器中的元件并将其贴装到印刷板上。
●
保持回路:当元件在吸嘴上,不在拾取位置时,将元件吸持到吸嘴上
1. Z 轴收缩装置
2. 真空发生器
3. 消音器
4. 保持回路
5. 配备 DP 轴驱动装置的星型轴框架
6. 阀门板
7. 分配器盘
8. 贴片头后盖
9. 保持回路传感器
●
气动输送分配器向调压阀 PRV
(2)
、保持回路
(4)
及收缩装置
(1)
提供 4.5 bar 的压缩空气。
●
通过保持回路
(4)
,将压缩空气直接提供给阀岛
(6)
。经过阀岛的压缩空气被分配到 12 个通道,
每个通道均配有一个气动阀,用于打开或关闭该通道。
●
压缩空气从阀岛中进入保持回路
(4)
。在这里,通过 12 个吹气电磁阀的吸嘴,生成 12 个所有
段位器的保持回路的真空。
●
通过星型轴框架
(5)
,保持回路中的真空进入吸嘴中。