N7202A066B - 第373页
Ref No. Remark s R 1 Q'ty 31 17連台車前面カバー部:NPM-WX 17 Slot Feeder Cart Front Cover:NPM -W X イラスト No. Part No. 品 名 品 番 数量 R 2 パーツリスト Kit No. キット品番 Kit Name キット名称 MTKA013943AA Part Nam e 備 考 セク ショ ンNo . PARTS LIST Sectio…

31
17連台車前面カバー部:NPM-WX
17 Slot Feeder Cart Front Cover:NPM-WX
パーツレイアウト
Kit No.
キット品番
Kit Name
キット名称
MTKA013943AA
セクションNo.
PARTS LAYOUT
Section No.
--
O135
( KMTKA013943AA-02 )

Ref
No.
Remarks R
1
Q'ty
31
17連台車前面カバー部:NPM-WX
17 Slot Feeder Cart Front Cover:NPM-WX
イラスト
No.
Part No.
品 名品 番 数量
R
2
パーツリスト
Kit No.
キット品番
Kit Name
キット名称
MTKA013943AA
Part Name
備 考
セクションNo.
PARTS LIST
Section No.
R
3
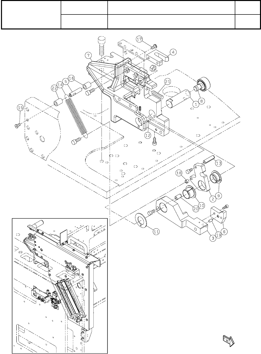
COVER
1
1 MTPB012506AB
BRACKET
1
2 MTPB012507AA
LABEL
1
3 N986PC0106M1
S
PC0106M1
JOINT
1
4 N510066743AA KQ2C08-00A
O136
--
( KMTKA013943AA-02 )

32-A
17連交換台車駆動部切替仕様(左側):NPM-WX
Feeder cart drive changing unit(Left Side):NPM-WX
パーツレイアウト
Kit No.
キット品番
Kit Name
キット名称
MTKA016351AA
セクションNo.
PARTS LAYOUT
Section No.
--
O137
( KMTKA016351AA-03-1 )