N7202A066B - 第486页
60-E 軽量8ノズルヘッド Light W eight 8 Nozzle Head パーツレイアウト Kit No. キット 品番 Kit Name キット名称 N610166370AA セクションNo. PARTS LAYOUT Section No. - - O249 ( KN610166370AA-12-5 )

Ref
No.
Remarks R
1
Q'ty
60-D
軽量8ノズルヘッド
Light Weight 8 Nozzle Head
イラスト
No.
Part No.
品 名品 番 数量
R
2
パーツリスト
Kit No.
キット品番
Kit Name
キット名称
N610166370AA
Part Name
備 考
セクションNo.
PARTS LIST
Section No.
R
3
PIECE
16
1 N210110278AA
HOLDER
8
2 N210081891AB
SPRING
8
3 N210068065AA
A
SPRING
8
4 MTPA000688AA
A
NOZZLE HOLDER
8
5 MTKP000165AC
FILTER
8
6 MTKP000164AC
CLAMP-ARM(Black)
16
7 MTKP000166AA
A
HOUSING
8
8 MTKA005213AB
JOINT
8
9 MTNP000432AA M-5AU-4-X163
STEEL-BALL
8
10 KXF04BQAA00 2mm
BEARING
8
11 KXF0CSVAA00 DDLF-1170ZZ H P0P25LY121
BEARING
8
12 N510011382AA DDLF-850ZZ H P0P25LY121
PACKING
16
13 KXF0CSQAA00
A
MYA-5
SHIM
8
14 N510028628AA RF002004020
BEARING
8
15 N510019154AA DDR-620ZZY52 H P0P13LY72
PIN
8
16 N510049558AA N2X5-07
O248
--
( KN610166370AA-12-4 )

60-E
軽量8ノズルヘッド
Light Weight 8 Nozzle Head
パーツレイアウト
Kit No.
キット品番
Kit Name
キット名称
N610166370AA
セクションNo.
PARTS LAYOUT
Section No.
--
O249
( KN610166370AA-12-5 )

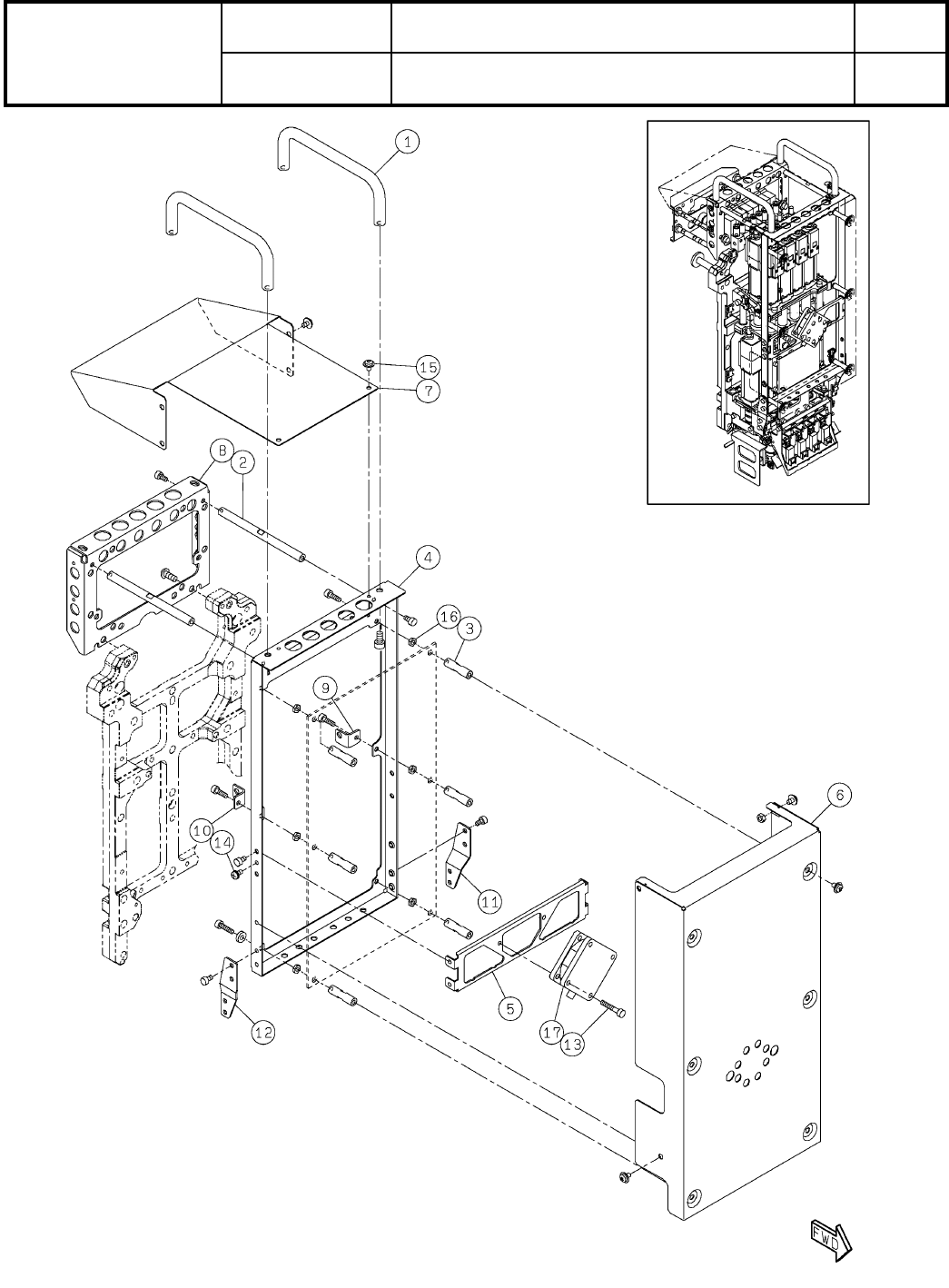
Ref
No.
Remarks R
1
Q'ty
60-E
軽量8ノズルヘッド
Light Weight 8 Nozzle Head
イラスト
No.
Part No.
品 名品 番 数量
R
2
パーツリスト
Kit No.
キット品番
Kit Name
キット名称
N610166370AA
Part Name
備 考
セクションNo.
PARTS LIST
Section No.
R
3
HANDLE
2
1 N210193601AB
POST
2
2 N210193570AA
POST
6
3 N210118731AA
BRACKET
1
4 MTPB000017AC
BRACKET
1
5 MTPB000022AB
COVER
1
6 MTPB000021AC
COVER
1
7 MTPB012520AA
BRACKET
1
8 N210200988AC
BRACKET
1
9 MTPB002446AA
BRACKET
1
10 MTPB002447AA
BRACKET
1
11 MTPB002448AA
BRACKET
1
12 MTPB002449AA
BOLT
2
13 N510018811AA
Hexagon socket head cap screw M3X18-10.9 A2J (Trivalent)
SCREW
2
14 N510018675AA
Cross recessed Pan head machine screw with SW & SPW M3X6-4.8 A2J
SCREW
16
15 N510045431AA
Cross recessed pan head machine screw with RPW M3X5-4.8 A2S
NUT
6
16 N510017852AA
Hexagon nut Type-3 Best class M3-6H-4T A2J (Trivalent)
FAN
1
17 N510044728AA 109P0424H738
O250
--
( KN610166370AA-12-5 )