N7202A066B - 第515页
Ref No. Remarks R 1 Q'ty 66-A 3ノズルヘ ッド V2 3 Nozzle H ead V2 イラスト No. Part No. 品 名 品 番 数量 R 2 パーツリスト Kit No. キット品番 Kit Name キット名称 MTKA009365AA Part Nam e 備 考 セク ショ ンNo . PARTS LIST Section No. R 3 PLATE 1 1 MTKA01491…

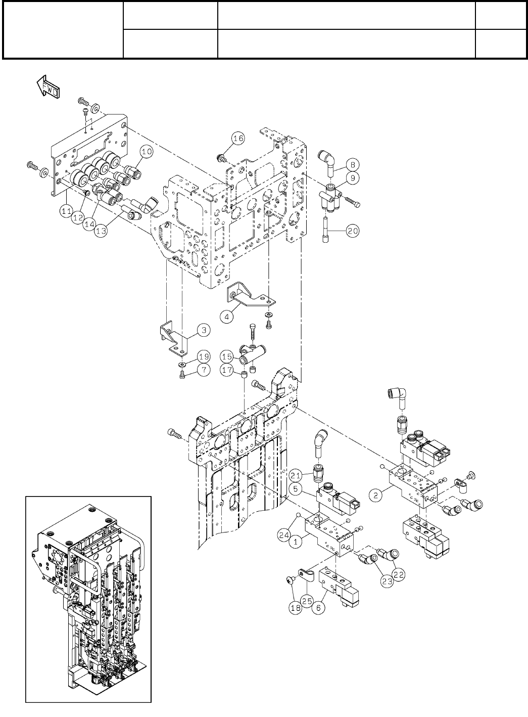
66-A
3ノズルヘッド V2
3 Nozzle Head V2
パーツレイアウト
Kit No.
キット品番
Kit Name
キット名称
MTKA009365AA
セクションNo.
PARTS LAYOUT
Section No.
--
O277
( KMTKA009365AA-07-1 )

Ref
No.
Remarks R
1
Q'ty
66-A
3ノズルヘッド V2
3 Nozzle Head V2
イラスト
No.
Part No.
品 名品 番 数量
R
2
パーツリスト
Kit No.
キット品番
Kit Name
キット名称
MTKA009365AA
Part Name
備 考
セクションNo.
PARTS LIST
Section No.
R
3
PLATE
1
1 MTKA014918AB
WASHER
2
2 N210118728AA
HANDLE
2
3 N210199442AC
GUIDE-BLOCK
1
4 MTKA015734AA
BRACKET
1
5 MTPB008144AC
BRACKET
1
6 MTPB008143AC
COVER
1
7 MTPB012029AB
COVER
1
8 MTPB012030AA
COVER
1
9 MTPB011543AA
BOLT
6
10 N510002011AA SRBS-M4X10
SCREW
14
11 N510045431AA
Cross recessed pan head machine screw with RPW M3X5-4.8 A2S
SPACER
2
12 N510031805AA CB-530E
BOLT
2
13 N510017750AA
Hexagon head bolt Best class M5X45-6g 4T A2J (Trivalent)
FAN
1
14 N510044728AA 109P0424H738
BOLT
2
15 MTNK000686AA
SSS 003 Hexagon socket button head screw M3X25-10.9 A2J (Trivalent)
BOLT
4
16 MTNK002869AA
Ultra Low Head Cap Screw M3X4-8.8 A2S(Trivalent)
SPACER
2
17 MTNK002836AA ASL-323E
SPACER
2
18 MTNK000242AA ASL-328E
GROMMET
1
19 MTNK000283AA C-30-NG-79-G-EP-UL
GROMMET
1
20 MTNK000474AA C-30-NG-79-J-EP-UL
BOLT
10
21 N510000323AA
Hexagon socket button head screw M3X6 Steel Black oxide finish 12.9
SPACER
1
22 MTNK000653AA CL-404E
BOLT
1
23 N510017517AA
SSS 003 Hexagon socket button head screw M4X12-10.9 A2J (Trivalent)
BOLT
3
24 N510017536AA
SSS 003 Hexagon socket button head screw M4X8-10.9 A2J (Trivalent)
TAPE
1
25 N510012375AA #130AS50
TUBE(70mm CUT)
2
26 N610168520AA
O278
--
( KMTKA009365AA-07-1 )

66-B
3ノズルヘッド V2
3 Nozzle Head V2
パーツレイアウト
Kit No.
キット品番
Kit Name
キット名称
MTKA009365AA
セクションNo.
PARTS LAYOUT
Section No.
--
O279
( KMTKA009365AA-07-2 )