N7202A066B - 第591页
Ref No. Remarks R 1 Q'ty 83-E 汎用型転写ユニット(メカ):NPM MULTIFUNCT IONAL TRANSFER UNIT:NPM イラスト No. Part No. 品 名 品 番 数量 R 2 パーツリスト Kit No. キット品番 Kit Name キット名称 N610095857AB Part Nam e 備 考 セク ショ ンNo . PARTS LIST Section No. …

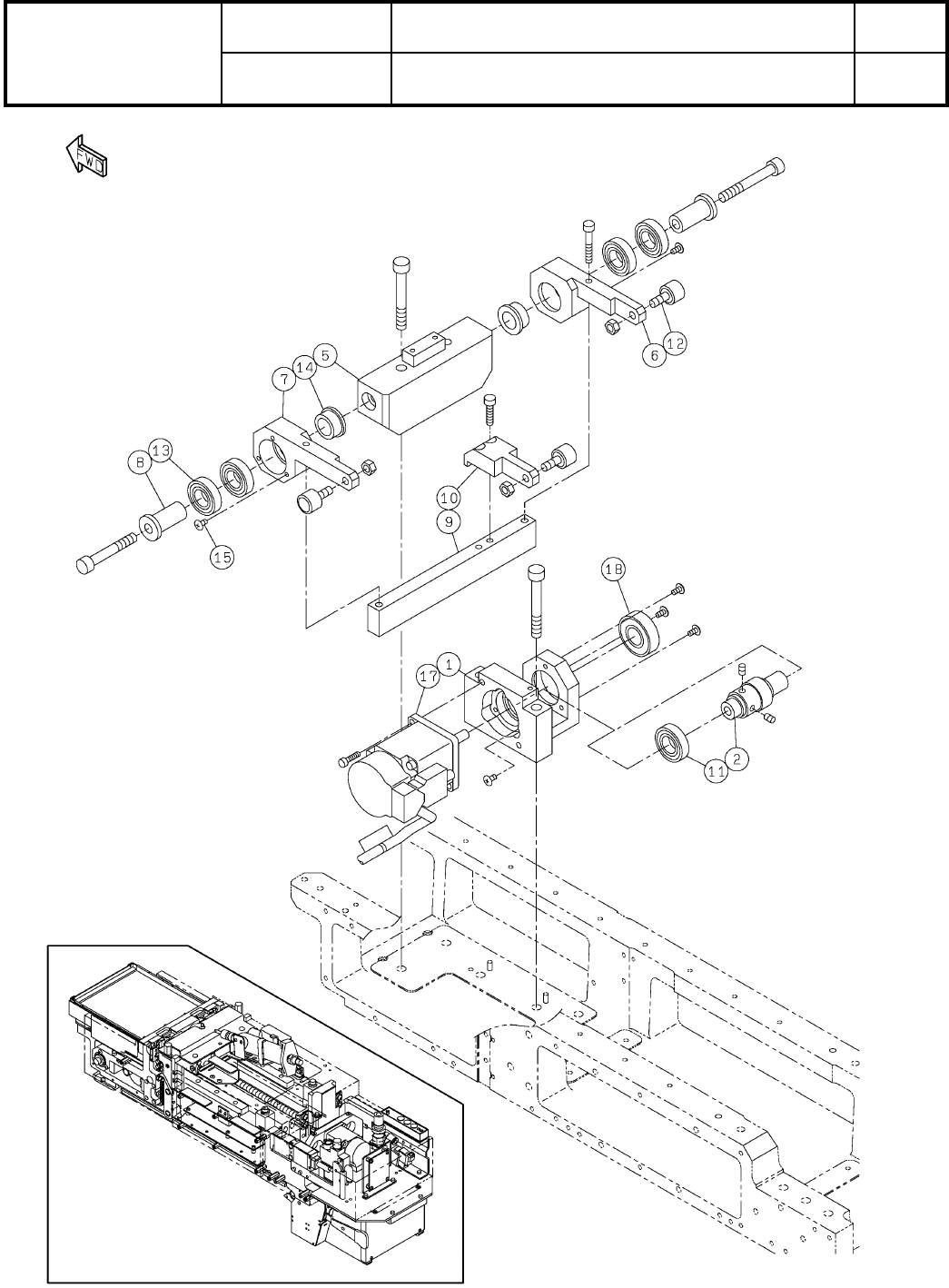
83-E
汎用型転写ユニット(メカ):NPM
MULTIFUNCTIONAL TRANSFER UNIT:NPM
パーツレイアウト
Kit No.
キット品番
Kit Name
キット名称
N610095857AB
セクションNo.
PARTS LAYOUT
Section No.
--
O353
( KN610095857AB-06-5 )

Ref
No.
Remarks R
1
Q'ty
83-E
汎用型転写ユニット(メカ):NPM
MULTIFUNCTIONAL TRANSFER UNIT:NPM
イラスト
No.
Part No.
品 名品 番 数量
R
2
パーツリスト
Kit No.
キット品番
Kit Name
キット名称
N610095857AB
Part Name
備 考
セクションNo.
PARTS LIST
Section No.
R
3
BRACKET
1
1 N210125558AB
CAM
1
2 N210088591AC
BLOCK
1
5 N210117423AB
ARM
1
6 N210117424AB
ARM
1
7 N210117425AB
COLLAR
2
8 N210063162AC
BAR
1
9 N210063085AC
ARM
1
10 N210063086AD
BEARING
1
11 KXF00MLAA00 6901ZZ2CM
CAM-FOLLOWER
3
12 N510026046AA CF5FBUUR
BEARING
4
13 N510010068AA 6901ZZC2
WASHER
2
14 N210159703AB
SCREW
12
15 XST3+6VW
Cross recessed Truss head machine screw M3X6-A2-70
MOTOR
1
17 N610069410AB
S
BEARING
1
18 KXF00K0AA00 6001ZZCM
O354
--
( KN610095857AB-06-5 )

83-F
汎用型転写ユニット(メカ):NPM
MULTIFUNCTIONAL TRANSFER UNIT:NPM
パーツレイアウト
Kit No.
キット品番
Kit Name
キット名称
N610095857AB
セクションNo.
PARTS LAYOUT
Section No.
--
O355
( KN610095857AB-06-6 )