NM-8224A,B,C PARTS LIST_ - 第107页
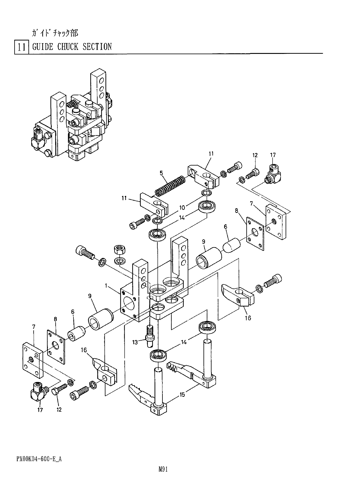
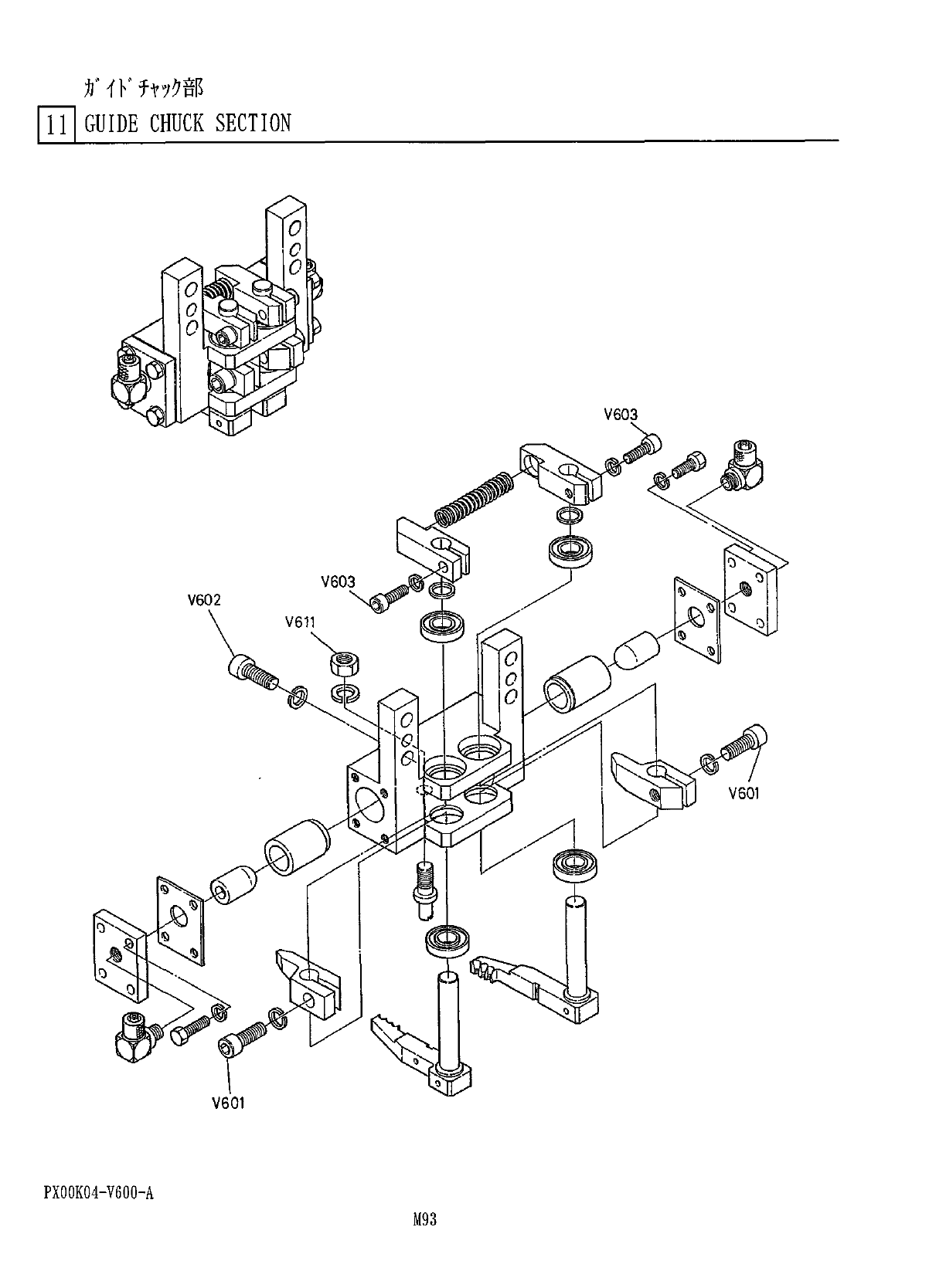
力 , 仆 、 子 ” 夕部 Til GUIDE CHUCK SECTION 考 部 個 数 備 名 品 番 品 No . Q ’ TY REMARKS PART NAME REF PART No . No . r ? F 丽 a 二分 1 ~ 16 ( P = 2.5 - 5 - DO . 7 ) X 00 K 04600 GCU GUIDE CHUCK UNIT 力 , 仆 ’ 于 ” 夕二 7 卜 1 ~ 16 ( P = 2 .…

力
’
作于
”
夕部
HI
GUIDE
CHUCK
SECTION
ii
PX
00
K
04
-
600
-
E
_
A
M
91

力
,
仆
、
子
”
夕部
Til
GUIDE
CHUCK
SECTION
考
部
個数
備
名
品
番
品
No
.
Q
’
TY
REMARKS
PART
NAME
REF
PART
No
.
No
.
r
?
F
丽
a
二分
1
~
16
(
P
=
2.5
-
5
-
DO
.
7
)
X
00
K
04600
GCU
GUIDE
CHUCK
UNIT
力
,
仆
’
于
”
夕二
7
卜
1
~
16
(
P
=
2
.
54
-
5
.
08
-
DO
.
7
)
GUIDE
CHUCK
UNIT
X
00
K
0465
QGCU
力
’
仆
•
于
”
夕本五
GUIDE
CHUCK
BODY
X
00
K
04601
2
<
W
/
5
>
<
DELETE
>
3
W
4
圧縮八
‘
木
5
X
0
OK
046
O
5
A
SPRING
nyy
I
X
00
K
04606
PISTON
2
7
X
0
OK
046
O
7
CYLINDER
HEAD
2
I
X
00
K
04608
A
°
•
;
+
>
PACKING
2
7
"
vvi
BUSHING
2
9
X
00
K
04609
十
TO
N
560
LR
1
.
0
SPACER
2
LR
6
-
1
0
A
不
7
卩矽
X
00
K
04614
A
BLOCK
I
11
六角
FIF
12
XVG
3
B
10
FP
4
HEXAGON
BOLT
8
M
3
X
10
II
X
004
-
142
夕
X
CENTER
STOPPER
K
7
W
BEARING
14
XLC
686
-
5
4
686
P
5
FTF
X
036
-
046
R
GUIDE
CHUCK
P
=
2
.
5
-
5
-
DO
.
7
15
lset
FTF
于
w
夕
GUIDE
CHUCK
P
=
2
.
54
-
5
.
08
-
D
0
.
7
15
X
036
-
446
R
lset
駆動
PA
'
-
DRIVING
LEVER
2
X
00
K
04613
A
16
本
-
又工
W
N
431
M
5
HLH
6
HOSE
ELBOW
2
M
-
5
HLH
-
6
17
PX
00
K
04
-
600
-
E
_
A
M
92

PX
00
K
04
-
V
600
-
A
M
93
力
O
于 夕 部
TT
|
GUIDE
CHUCK
SECTION
ooo
Kwr
02
V
6
<
>
Q
>
c
>
o