NM-8224A,B,C PARTS LIST_ - 第119页
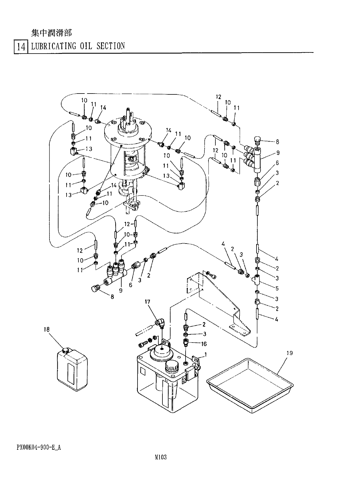
集中潤滑部 HI LUBRICATING OIL SECTION 個数 備 考 部 番 品 名 品 No . PAST NAME Q ' TY REMARKS REF PART No . No . i - f fA * NO . 2 , 1 . N 990 YYYY - 016 1 HM LUBRICATING OIL 17 - > 7 ° HP 8 W 180101 N 452 HP 8 W - 119 AIR PUM…

集中潤滑部
H
!
LUBRICATING
OIL
SECTION
PXOOK
04
-
900
-
E
.
A

集中潤滑部
HI
LUBRICATING
OIL
SECTION
個数
備
考
部
番
品
名
品
No
.
PAST
NAME
Q
'
TY
REMARKS
REF
PART
No
.
No
.
i
-
f
fA
*
NO
.
2
,
1
.
N
990
YYYY
-
016
1
HM
LUBRICATING
OIL
17
-
>
7
°
HP
8
W
180101
N
452
HP
8
W
-
119
AIR
PUMP
mwrw
PLUG
6
丽
T
N
433
PA
6
IFf
SLEEVE
I
丽
T
N
431
PB
6
HOSE
5
m
D
6
T
N
434
YYYY
-
039
T
-
JOINT
丽
5
N
431
PK
6
JF
主管
-
-
Vr
)
\
2
PMTI
I
N
431
PD
612
NIPPLE
<
9
>
7
v
-
)
\
r
w
2
PGH
J
N
433
PG
12
SEAL
PLUG
FxFT
7
'
r
/
F
I
DP
823
-
0
.
1
-
0
1
-
0
1
9
N
415
DPB
2
-
194
PLUNGER
mwrw
PLUG
12
丽
10
N
433
PA
4
WY
N
431
PB
4
SLEEVE
12
PB
4
11
10
m
M
N
434
YYYY
-
038
1
=
1
12
HOSE
w
PH
4
M
6
P
1
.
0
13
N
431
PH
4
M
-
088
ELBOW
I
zvT
%
PD
4
M
6
P
1
0
14
N
431
PD
4
M
-
109
NIPPLE
I
〈
廿夕
•
>
’
aXDELETE
)
15
T
6
N
431
PD
6
.
二
77
。
JP
NIPPLE
PD
6
工
W
*
Jiiy
N
431
KQL
0601
S
ELBOW
UNION
KQL
06
-
01
S
IT
18
N
9864503803
角型瓶
SQUARE
BOTTLES
45
-
038
-
03
,
2
W
7
j
写真
A
、
卜四
7
切
19
N
9864518203
ABS
TRAYS
FOR
DEVELOPMENT
45
-
182
-
03
PXOOK
04
-
900
-
E
_
A
M
104

集中潤滑部
HI
LUBRICATING
OIL
SECTION
焱
.
.
1
、
%
命
•
、
f
I
0
V
902
PXOOK
04
-
V
900
-
D
M
105