NM-8224A,B,C PARTS LIST_ - 第125页
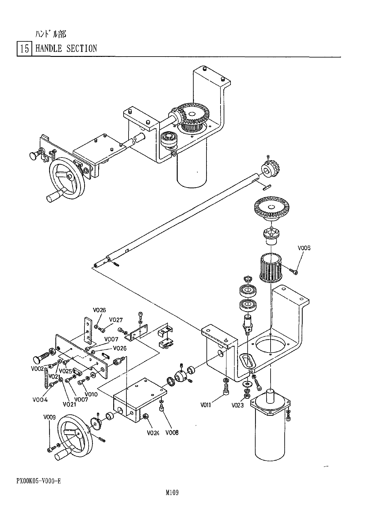
/ 、 > K J 嘟 15 l HANDLE SECTION 部 個 数 備 考 名 番 品 品 No . Q , TY REMARKS PART NAME REF PART No . No . 3 > < DELETE > WOT M 4 X 10 六 角 穴 付 扩 JH 、 HEXAGON SOCKET HEAD SCREW 2 V 002 XVE 4 B 10 FP 六 角 穴 付 本 HEXAGON …

/
、
>
卜
1
部
Tsl
HANDLE
SECTION
o
dllj
®
V
005
V
026
V
027
V
007
Mr
V
002
g
V
025
V
010
V
007
V
004
V
021
V
009
V
024
V
008
%
PXQ
0
K
05
-
V
000
-
E
M
109

/
、
>
K
J
嘟
15
l
HANDLE
SECTION
部
個数
備
考
名
番
品
品
No
.
Q
,
TY
REMARKS
PART
NAME
REF
PART
No
.
No
.
3
>
<
DELETE
>
WOT
M
4
X
10
六角穴付扩
JH
、
HEXAGON
SOCKET
HEAD
SCREW
2
V
002
XVE
4
B
10
FP
六角穴付本
HEXAGON
SOCKET
HEAD
SCREW
M
4
X
25
V
004
XVE
4
B
25
FP
六 角 穴 付 卜
HEXAGON
SOCKET
HEAD
SCREW
2
M
5
X
8
V
005
XVE
5
B
8
FP
六角穴付栌朴
HEXAGON
SOCKET
HEAD
SCREW
4
M
5
X
15
V
007
XVE
5
B
15
FP
六角穴付扩針
4
MBX
20
HEXAGON
SOCKET
HEAD
SCRE
^
Z
V
008
XVE
6
B
20
FP
六角穴付
M
8
X
10
HEXAGON
SOCKET
HEAD
SCREW
V
009
XVE
8
B
10
FP
六角穴付
*
TF
M
8
X
15
HEXAGON
SOCKET
HEAD
SCREW
VO
10
XVE
8
B
15
FP
六角穴付
*
-
於
HEXAGON
SOCKET
HEAD
SCREW
4
Ml
0
X
30
V
011
XVE
10
B
30
FP
六角于外
HEXAGON
NUT
2
M
4
,
\
yi
V
021
XNG
4
AFP
M
10
,
lya
V
023
六角于外
HEXAGON
NUT
XNH
10
DFP
M
12
,
lyi
V
024
六角
HEXAGON
NUT
XNH
12
DFP
六角穴付
siOf
M
5
X
22
V
025
HEXAGON
SOCKET
HEAD
SCREW
XVE
5
B
22
FP
六角
t
外
HEXAGON
NUT
2
M
5
,
lyi
V
026
XNG
5
AFP
六角穴付
nil
HEXAGON
SOCKET
HEAD
SCREW
M
5
X
20
V
027
XVE
5
B
20
FP
PX
00
K
05
-
V
000
-
E
MHO

上下連結部
Tfl
UPPER
&
UNDER
JOINT
SECTION
5
M
18
/
20
16
17
16
16
19
12
PX
00
K
05
-
050
-
C