NM-8224A,B,C PARTS LIST_ - 第131页
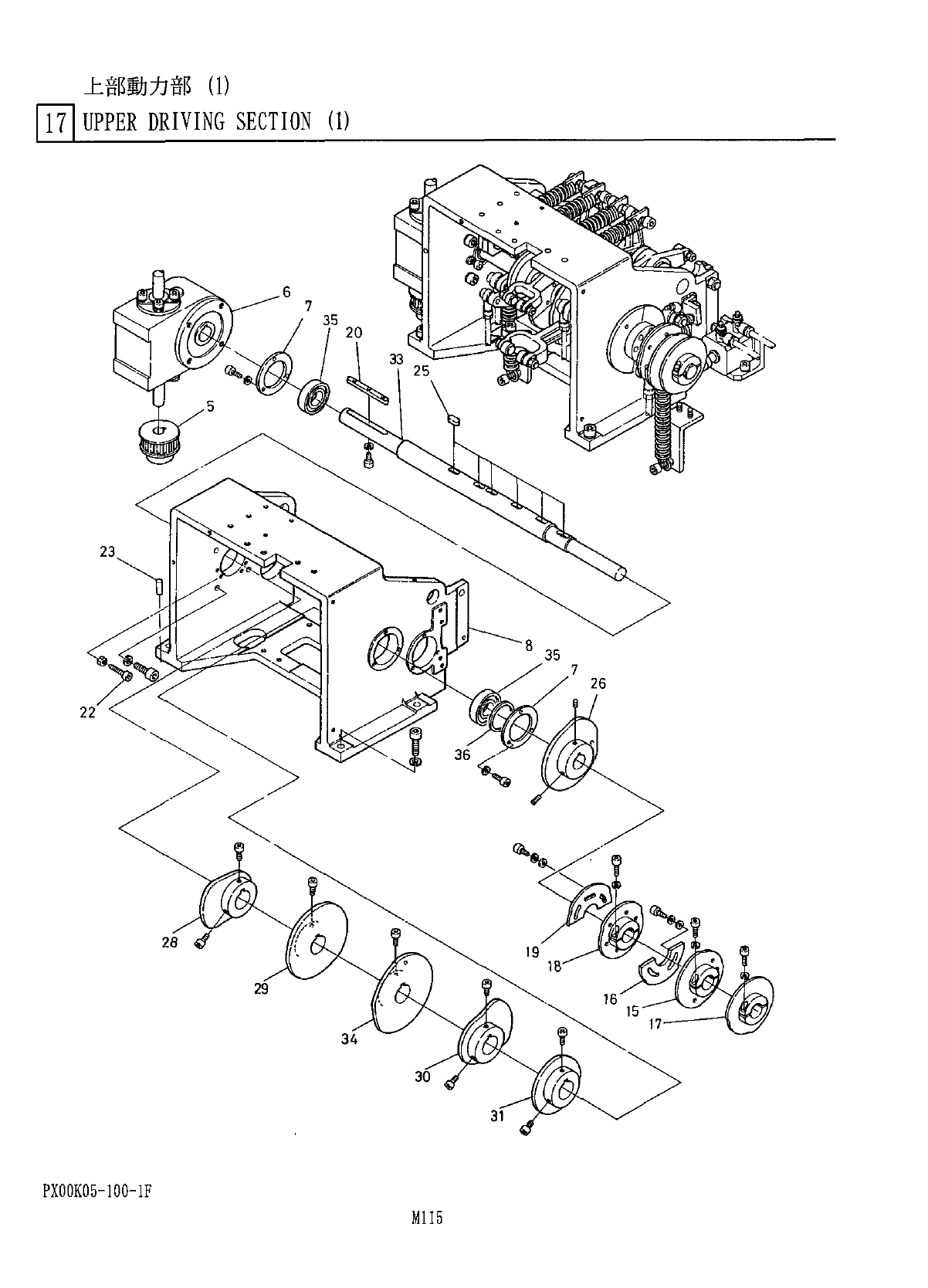
上 部 動 力 部 ⑴ 171 UPPER DRIVING SECTION ( 1 ) 個 数 考 部 備 番 名 品 品 No . Q ' TY REMARKS PART No . PART NAME REF No . W < 27 > 2 W 3 < W - / 3 > < DELETE > 4 TIMING PULLEY X 00 K 05143 5 SM 22 EB 10 - 1 -…

上部動力部
⑴
171
UPPER
DRIVING
SECTION
⑴
PX
00
K
05
-
100
-
1
F

上 部 動 力 部
⑴
171
UPPER
DRIVING
SECTION
(
1
)
個数
考
部
備
番
名
品
品
No
.
Q
'
TY
REMARKS
PART
No
.
PART
NAME
REF
No
.
W
<
27
>
2
W
3
<
W
-
/
3
>
<
DELETE
>
4
TIMING
PULLEY
X
00
K
05143
5
SM
22
EB
10
-
1
-
I
-
RF
240
-
S
-
72000
REDUCTION
GEAR
N
620
SM
22
-
009
6
V
7
'
J
>
9
*
ffx
X
00
K
05163
BEARING
RETAINER
2
7
上 部 力
A
X
00
K
05171
A
UPPER
CAM
BOX
8
W
9
<
29
>
10
<
«
"
>
'
HXDELETE
〉
11
<
W
/
H
>
<
DELETE
>
12
W
13
<
31
>
14
;
V
)
P
7
’
用 力
A
(
掸 入
fW
)
CAM
(
INSERTION
CHUCK
)
X
00
K
05193
15
八
’
打 用 力
i
脾 入 升
7
夕
)
CAM
(
INSERTION
CHUCK
)
H
X
00
K
05194
WWWJL
(
力
WF
JiW
)
CAM
(
GUIDE
CHUCK
)
X
00
K
05195
17
A
17
’
用 力
A
(
移
'
>
替 工 于 夕
}
wwfwn
(
移
-
>
替工
CAM
(
SHIFT
CHUCK
)
X
00
K
05196
18
CAM
(
SHIFT
CHUCK
)
X
00
K
05197
19
平行卜
X
00
K
05198
20
KEY
iW
/
3
>
<
DELETE
>
21
六角穴付
dOH
HEXAGON
SOCKET
HEAD
SCREW
22
XVE
5
B
30
FP
4
M
5
X
30
PARALLEL
PIN
8
23
XPI
8
A
25
FW
M
6
A
-
D
8
S
25
<
32
>
24
IPAI
0
L
8
F
25
"
F
J
10
X
8
X
25
,
'
JaWW
25
KEY
26
X
00
K
05416
A
CUTTER
CAM
<
34
>
27
移
-
>
替工
ft
*
;
夕
M
X
00
K
05417
SHIFT
CHUCK
CAM
28
挿入
ft
妗上下
M
X
00
K
05420
INSERTION
CHUCK
CAM
29
旋回力
A
X
00
K
05421
HEAD
ROTATION
CAM
30
X
00
K
05423
7
彳
-
卜
’
力厶
FEED
CAM
31
<
35
>
32
X
00
K
05427
力
A
軸
CM
SHAFT
33
I
00
K
05428
挿入
7
'
vv
1
!
-
上下
M
INSERTION
PUSHER
CAM
34
XLC
6206
ZZ
V
WY
35
BEARING
2
6206
ZZ
,
NS
7
S
:
K
十
36
X
00
K
05430
SPACER
PX
00
K
05
-
100
-
1
F
M
116

上 部 動 力 部
⑴
I
7
|
UPPER
DRIVING
SECTION
⑴
V
110
PXQOK
05
-
V
100
-
1
E
M
117