NM-8224A,B,C PARTS LIST_ - 第133页
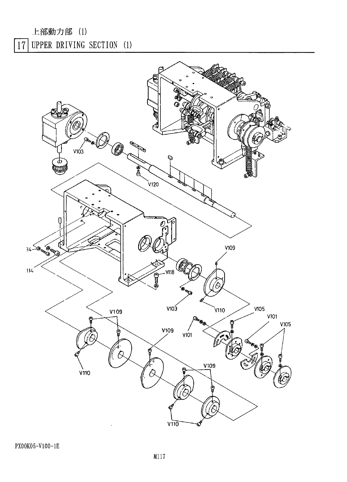
上 部 動 力 部 ⑴ 171 UPPER DRIVING SECTION ⑴ 個 数 考 部 備 名 番 品 品 No . Q ’ TY REMARKS PART NAME REF PART No . No . 7 M 4 X 8 VlOT 六 角 穴 付 扩 朴 HEXAGON SOCKET HEAD SCREW XVE 4 B 8 FP 六 角 穴 付 扩 JV 卜 6 M 5 X 10 HEXAGON SOCKET HEAD S…

上 部 動 力 部
⑴
I
7
|
UPPER
DRIVING
SECTION
⑴
V
110
PXQOK
05
-
V
100
-
1
E
M
117

上 部 動 力 部
⑴
171
UPPER
DRIVING
SECTION
⑴
個数
考
部
備
名
番
品
品
No
.
Q
’
TY
REMARKS
PART
NAME
REF
PART
No
.
No
.
7
M
4
X
8
VlOT
六角穴付 扩 朴
HEXAGON
SOCKET
HEAD
SCREW
XVE
4
B
8
FP
六角 穴 付扩
JV
卜
6
M
5
X
10
HEXAGON
SOCKET
HEAD
SCREW
V
103
XVE
5
B
10
FP
3
>
<
DELETE
>
Y
104
六角穴付
f
补
6
M
5
X
20
V
105
XVE
5
B
20
FP
HEXAGON
SOCKET
HEAD
SCREW
<
W
/
3
>
<
DELETE
>
V
106
六角 穴 付私 朴
HEXAGON
SOCKET
HEAD
SCREW
6
M
6
X
20
V
109
XVE
6
B
20
FP
六角穴付本
於
M
6
X
25
V
110
HEXAGON
SOCKET
HEAD
SCREW
6
XVE
6
B
25
FP
M
8
X
45
V
114
六角 穴 付 扩
A
卜
HEXAGON
SOCKET
HEAD
SCREW
4
XVE
8
B
45
FP
六角穴付
O
卜
HEXAGON
SOCKET
HEAD
SCREW
5
M
10
X
40
V
118
XVE
10
B
40
FP
六角穴付
OF
3
M
4
X
16
V
120
XVE
4
B
16
FP
HEXAGON
SOCKET
HEAD
SCREW
六角
t
外
3
M
5
,
lyi
V
134
XNG
5
AFP
HEXAGON
NUT
PXOOKOo
-
VlOO
-
lE
M
118

上部動力部
⑵
.
171
UPPER
DRIVING
SECTION
(
2
)
39
40
30
38
12
24
5
6
7
37
20
27
27
19
PX
00
K
05
-
100
-
2
F
_
A
M
119