NM-8224A,B,C PARTS LIST_ - 第143页
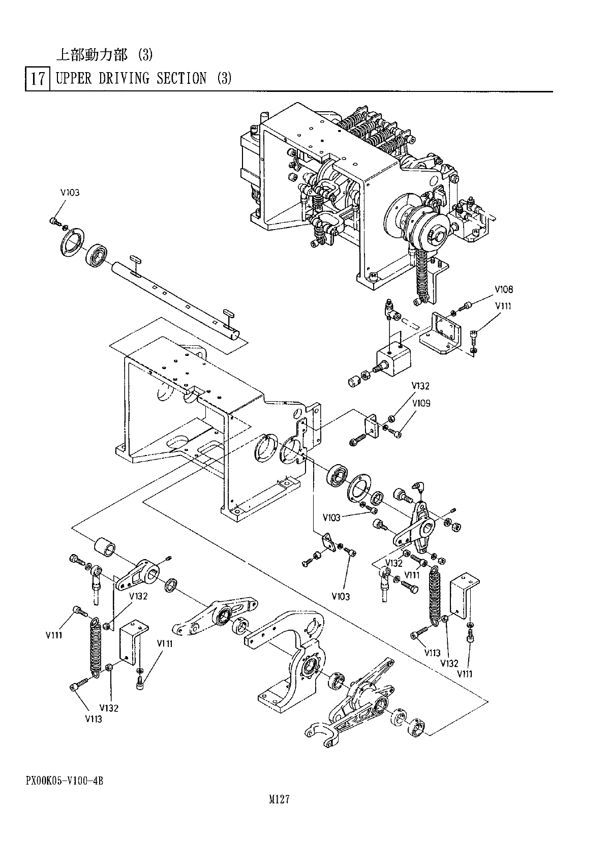
上 部 動 力 部 ⑶ 171 UPPER DRIVING SECTION ( 3 ) 部 個 数 備 考 番 品 名 品 No . PART NAME Q , TY REMARKS REF PART No No , 六角穴付 : T 补 V 103 XVE 5 B 10 FP HEXAGON SOCKET HEAD SCREW 8 M 5 X 10 V 108 六 角 穴 付 本 几 h HEXAGON SOCKET HEAD SCR…

上 部 動 力 部
⑶
171
UPPER
DRIVING
SECTION
(
3
)
V
103
V
108
V
111
V
132
V
109
f
V
132
、
、
、
V
111
V
132
V
113
PX
00
K
05
-
V
100
-
4
B
M
127

上 部 動 力 部
⑶
171
UPPER
DRIVING
SECTION
(
3
)
部
個数
備
考
番
品
名
品
No
.
PART
NAME
Q
,
TY
REMARKS
REF
PART
No
No
,
六角穴付
:
T
补
V
103
XVE
5
B
10
FP
HEXAGON
SOCKET
HEAD
SCREW
8
M
5
X
10
V
108
六 角 穴 付 本 几
h
HEXAGON
SOCKET
HEAD
SCREW
M
6
X
15
XVE
6
B
15
FP
4
六角穴付
f
於
V
109
XVE
6
B
20
FP
HEXAGON
SOCKET
HEAD
SCREW
2
M
6
X
20
六角穴付
f
釙
Vlll
XVE
8
B
20
FP
HEXAGON
SOCKET
HEAD
SCREW
8
M
8
X
20
六角穴付
Oh
V
113
XVE
8
B
30
FP
HEXAGON
SOCKET
HEAD
SCREW
2
M
8
X
30
六角
t
、
y
卜
HEXAGON
NUT
V
132
XNG
8
DFP
4
M
8
,
lyi
PXOOK
05
-
V
100
-
4
B
M
128

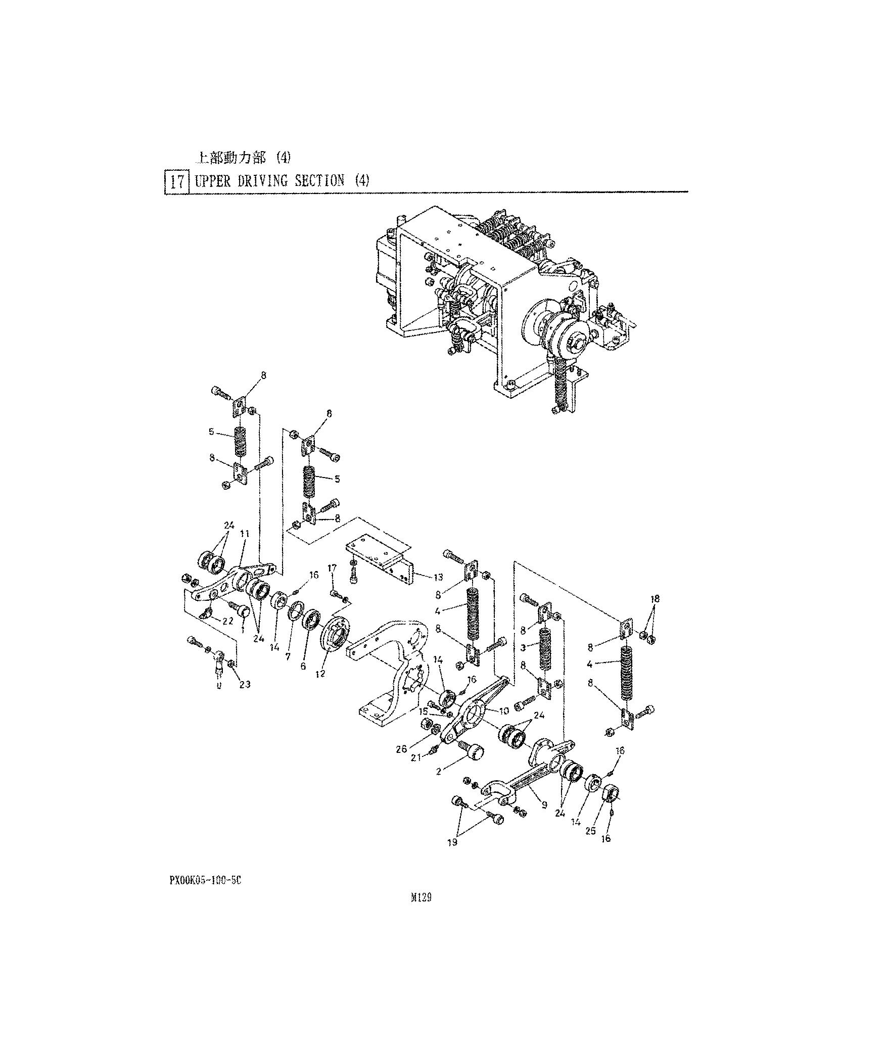
上部動 力 部
⑷
IT
]
UPPER
DRIVING
SECTION
(
4
)
PX
00
K
05
-
10
Q
-
5
C
M
129