NM-8224A,B,C PARTS LIST_ - 第146页
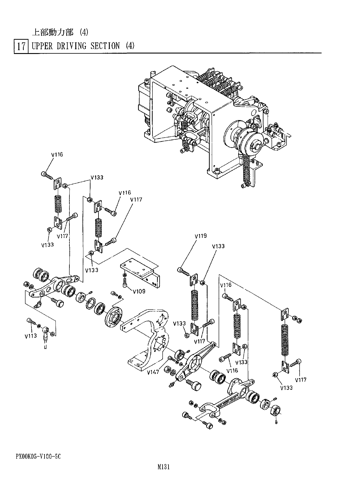
上 部 動 力 部 ⑷ 171 UPPER DRIVING SECTION ( 4 ) V 116 V 116 V 119 V 117 V 133 V 133 % V 109 PX 0 QK 05 - V 100 - 5 C M 131

上 部 動力 部
⑷
IT
]
UPPER
DRIVING
SECTION
(
4
)
册
考
部
個数
備
名
番
品
品
No
.
REMARKS
PART
NAME
Q
'
TY
REF
PART
No
No
.
CAM
FOLLOWER
CFN
12
R
-
A
N
531
CFN
12
RA
JkJW
N
531
CFN
1
-
042
JTJW
CAM
FOLLOWER
CFN
18
R
-
A
2
JU
(
挿入
fw
?
上下用
)
SPRING
(
INSERTION
CHUCK
)
3
X
00
K
05152
八
'
本
(
揷 入 上 下 用
)
SPRING
(
INSERTION
CHUCK
)
2
A
X
00
K
05153
A
’
木
(
移
》
替工
SPRING
{
SHIFT
CHUCK
)
2
5
X
00
K
05154
V
mv
6006
ZZ
I
XLC
6006
ZZ
BEARING
Vnl
'
'
M
'
SNAP
RING
RTW
55
7
XUA
55
FP
A
.
播
”
.
7
^
7
F
X
00
K
05168
SPRING
HOOK
BRACKET
10
8
揷 入 上 下
WV
-
(
A
)
INSERTION
CHUCK
LEVER
(
A
)
9
X
00
K
05175
挿 入 丽 上 下 阢
-
(
B
)
INSERTION
CHUCK
LEVER
(
B
)
10
X
00
K
05176
移 替
i
ftv
?
W
\
*
-
SHIFT
CHUCK
LEVER
X
00
K
0517
T
11
1
W
12
X
00
K
0518
I
FLANGE
lUWTJM
13
X
00
K
05182
SPRING
HOOK
BRACKET
T
4
X
00
K
05183
COLLAR
3
IF
COLLAR
6
15
X
00
K
05184
六角穴付止彳本
SET
SCREW
I
M
6
X
8
,
16
XXE
6
C
8
FP
-
天角穴付扩
)
lT
MBITS
'
HEXAGON
SOCKET
HEAD
SCREW
17
XVE
6
B
15
FP
4
六角于
^
HEXAGON
NUT
2
M
10
,
3
^
2
XNG
10
FFP
18
T
9
N
531
CFN
8
RA
力
A
7
*
07
CAM
FOLLOWER
2
CFN
8
R
-
A
<
24
>
20
JWzvTJ
GREASE
NIPPLE
A
-
MT
6
X
1
力
’
夕
21
N
560
A
6
MT
1
BN
B
-
MT
6
X
1
力
’
夕
Yn
GREASE
NIPPLE
22
N
560
B
6
MT
1
BN
IF
MLAR
SSWM
5
-
2
.
0
23
N
560
SSVJA
-
028
V
7
W
BEARING
24
XLC
6906
Z
8
6906
Z
25
X
00
K
05424
IF
COLLAR
r
\
%
座金
26
XWD
18
BFP
SPRING
WASHER
Ml
8
PX
00
K
05
-
100
-
5
C
M
130

上 部 動 力 部
⑷
171
UPPER
DRIVING
SECTION
(
4
)
V
116
V
116
V
119
V
117
V
133
V
133
%
V
109
PX
0
QK
05
-
V
100
-
5
C
M
131

上 部 動 力 部
⑷
171
UPPER
DRIVING
SECTION
(
4
)
考
個数
備
部
名
番
品
品
No
.
Q
'
TY
REMARKS
PART
NAME
PART
No
.
REF
No
.
六角穴付击
針
HEXAGON
SOCKET
HEAD
SCREW
4
M
6
X
20
V
109
XVE
6
B
20
FP
六角穴付
$
M
10
X
30
HEXAGON
SOCKET
HEAD
SCREW
4
V
116
XVE
10
B
30
FP
M
10
X
35
六角穴付
f
M
HEXAGON
SOCKET
HEAD
SCREW
4
vITT
XVE
10
B
35
FP
六角穴付丨針
HEXAGON
SOCKET
HEAD
SCREW
Ml
0
X
60
V
119
XVE
10
B
60
FP
六角于
7
卜
8
M
10
,
ll
/
i
V
133
XNH
10
DFP
HEXAGON
NUT
六角穴付扩朴
6
M
6
X
30
V
147
HEXAGON
SOCKET
HEAD
SCREW
XVE
6
B
30
FP
PX
0
OKO
5
-
V
100
-
5
C
M
132