NM-8224A,B,C PARTS LIST_ - 第148页
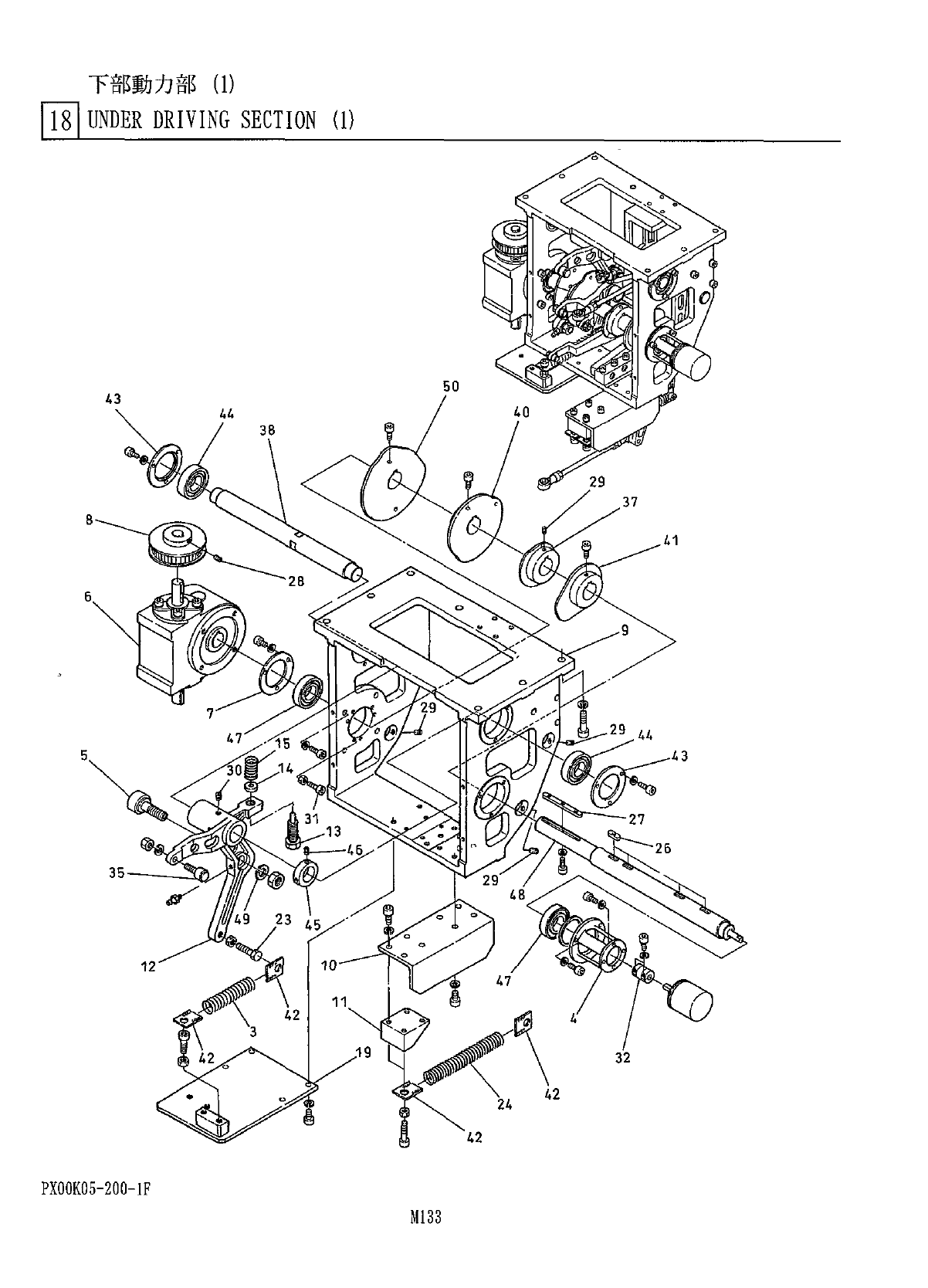
下 部 動 力 部 ⑴ 18 l UNDER DRIVING SECTION ( 1 ) 47 " 15 5 1 . 14 30 PXOOK 05 - 200 - 1 F M 133

上 部 動 力 部
⑷
171
UPPER
DRIVING
SECTION
(
4
)
考
個数
備
部
名
番
品
品
No
.
Q
'
TY
REMARKS
PART
NAME
PART
No
.
REF
No
.
六角穴付击
針
HEXAGON
SOCKET
HEAD
SCREW
4
M
6
X
20
V
109
XVE
6
B
20
FP
六角穴付
$
M
10
X
30
HEXAGON
SOCKET
HEAD
SCREW
4
V
116
XVE
10
B
30
FP
M
10
X
35
六角穴付
f
M
HEXAGON
SOCKET
HEAD
SCREW
4
vITT
XVE
10
B
35
FP
六角穴付丨針
HEXAGON
SOCKET
HEAD
SCREW
Ml
0
X
60
V
119
XVE
10
B
60
FP
六角于
7
卜
8
M
10
,
ll
/
i
V
133
XNH
10
DFP
HEXAGON
NUT
六角穴付扩朴
6
M
6
X
30
V
147
HEXAGON
SOCKET
HEAD
SCREW
XVE
6
B
30
FP
PX
0
OKO
5
-
V
100
-
5
C
M
132

下 部 動 力 部
⑴
18
l
UNDER
DRIVING
SECTION
(
1
)
47
"
15
5
1
.
14
30
PXOOK
05
-
200
-
1
F
M
133

下部 動 力 部
⑴
18
l
UNDER
DRIVING
SECTION
(
1
)
考
部
個数
備
名
品
番
品
No
.
Q
'
TY
REMARKS
REF
PART
No
.
PART
NAME
No
.
W
<
38
>
2
rn
ot
’
jLh
下用
)
SPRING
(
ANVIL
UP
/
DOWN
TYPE
)
3
X
00
K
05210
工
>
3
-
夕
7
4
X
00
K
05219
ENCODER
BRACKET
N
531
CFN
1
-
042
力
A
W
7
CAM
FOLLOWER
CFN
18
R
-
A
5
SM
22
EB
10
-
1
-
1
-
RF
240
-
S
-
72000
N
620
SM
22
-
009
REDUCTION
GEAR
6
Kj
'
iyr
m
BEARING
RETAINER
7
X
00
K
05241
WW
r
-
y
-
66
-
S
5
M
-
0250
8
XO
0
KO
5248
TIMING
PULLEY
TWWYvn
UNDER
CAM
BOX
9
X
00
K
05251
YISVTW
^
SPRING
HOOK
BRACKET
10
X
00
K
05256
7
.
D
,
夕
X
00
K
05257
BLOCK
11
TA
'
l
上下
WV
-
ANVIL
UP
/
DOWN
LEVER
12
X
00
K
05259
TU
T
3
X
00
K
05266
BOLT
X
00
K
05267
WASHER
14
'
JfA
圧縮
/
V
*
SWL
22
-
65
15
N
986
SWL
2265
SPRING
<
39
>
T
6
7
M
>
IT
W
T
8
19
X
00
K
05272
PLATE
<
48
>
20
<
W
/
3
><
DELETE
>
IT
<
m
3
>
<
DELETE
>
22
六角
f
朴
23
XYH
10
B
20
FP
4
"
HEXAGON
BOLT
M
1
QX
2
Q
lu
(
r
>
FT
旋回用
)
SPRING
(
ANVIL
ROTATION
)
24
X
00
K
05297
2
25
<
42
>
26
XPA
10
L
8
F
25
10
X
8
X
25
,
'
J
3
W
^
KEY
4
27
X
00
K
05289
平行牛
-
PARALLEL
KEY
六角穴付止
/
W
28
XXE
5
C
10
FP
SET
SCREW
2
M
5
X
10
,
tm
29
六角穴付止彡皁〆
XXE
6
C
15
FP
SET
SCREW
5
M
6
XI
5
,
tm
六角穴付止
)
;
W
30
XXE
8
C
10
FP
SET
SCREW
I
M
8
XI
0
,
丽
六角穴付扩儿卜
M
5
X
30
,
m
:
/
31
XVG
5
B
30
FP
HEXAGON
SOCKET
HEAD
SCREW
3
32
N
6443005
-
053
加
7
。
W
HELICAL
COUPLING
3005
M
-
10
-
10
w
w
34
<
44
X
47
〉
35
N
531
CFN
10
RA
力
A
7
才口
7
CAM
FOLLOWER
CFN
10
R
-
A
36
W
37
XOOKO
5309
力外
WA
W
CUT
CLINCH
CAM
W
、
,
-
軸
38
X
00
K
05302
LEVER
SHAFT
39
W
7
>
t
'
)
\
上下
40
XOOK
05308
ANVIL
UP
/
DOWN
CAM
41
XO
0
K
05307
JWK
旋回力
A
GUIDE
PIN
ROTATION
CAM
42
X
00
K
05299
A
-
7
'
竹分
SPRING
HOOK
BRACKET
6
43
KWV
Wx
X
00
K
05304
BEARING
RETAINER
2
44
XLC
5206
ZZ
v
1
W
BEARING
I
X
00
K
05278
45
~
W
COLLAR
六角穴付止彡
W
46
XXE
6
C
8
FP
SET
SCREW
2
M
6
X
8
,
tm
47
XLC
6206
ZZ
V
JW
BEARING
2
6206
ZZ
.
NS
7
S
力厶軸
48
X
00
K
05312
CAM
SHAFT
49
XWD
18
BFP
m
座金
SPRING
WASHER
丽
50
X
00
K
05313
rTTTT
上下力
A
GUIDE
PIN
UP
/
DOWN
CAM
"
次頁八続
〈
”
”
Continued
to
the
next
page
.
”
PX
00
K
05
-
200
-
1
F
M
134