NM-8224A,B,C PARTS LIST_ - 第154页
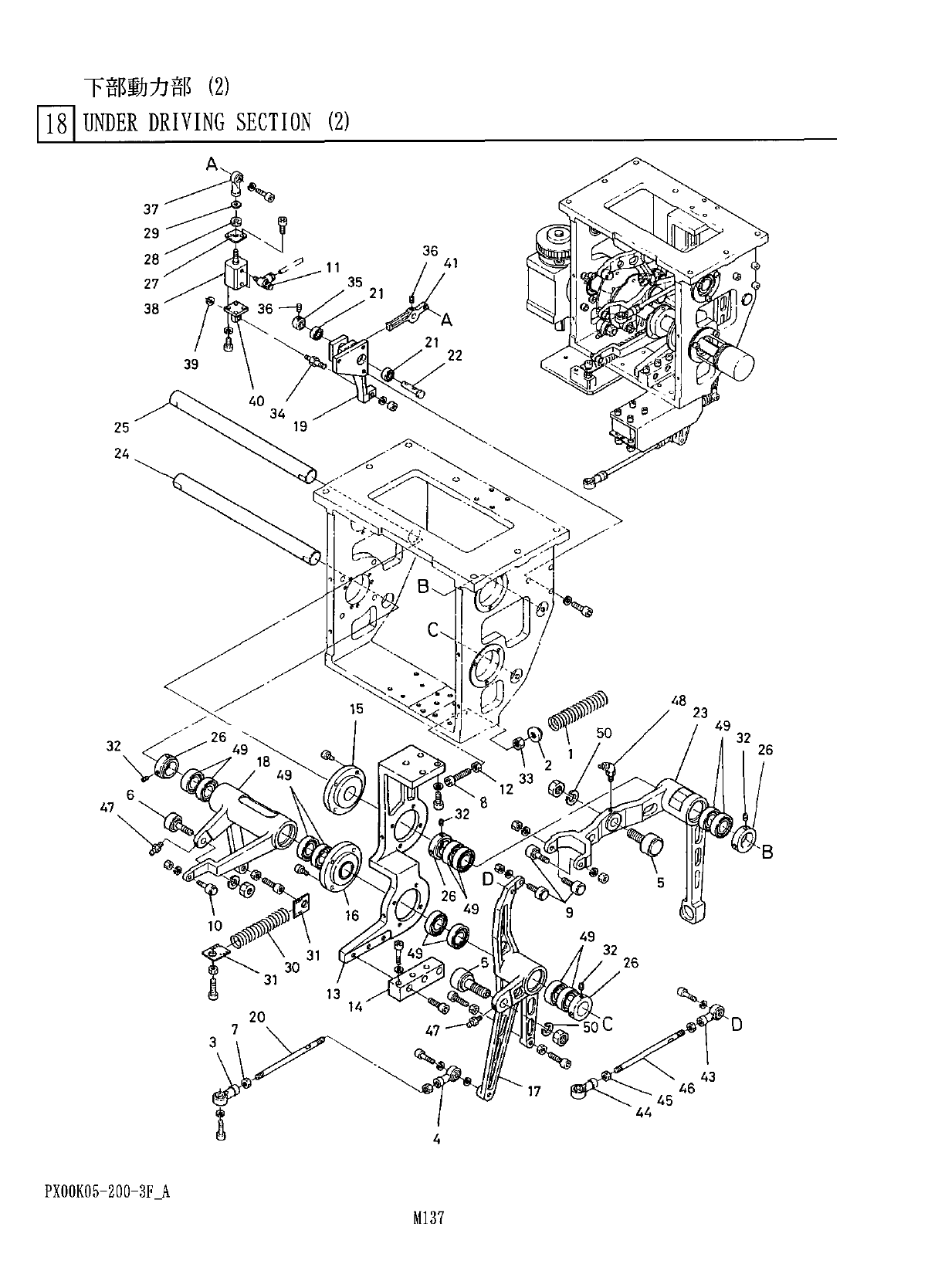
下 部 動 力 部 ⑵ 8 l UNDER DRIVING SECTION ⑵ % 37 29 28 27 f ! 36 38 25 24 PXOOK 05 - 200 - 3 F . A M 137

下 部 動 力 部
⑴
18
l
UNDER
DRIVING
SECTION
(
1
)
部
個数
備
考
番
名
品
品
No
.
Q
,
TY
REMARKS
REF
PART
No
.
PART
NAME
No
.
六角穴付东
’
Ah
V
201
XVE
3
B
10
FP
HEXAGON
SOCKET
HEAD
SCREW
4
M
3
X
10
六角穴付
V
203
XVE
5
B
10
FP
HEXAGON
SOCKET
HEAD
SCREW
9
M
5
X
10
3
><
DELETE
>
V
204
六角穴付
HEXAGON
SOCKET
HEAD
SCREW
M
5
X
15
VZ
05
XVE
5
B
15
FP
3
iW
/
HXDELETE
)
V
206
六角穴付
V
208
XVE
6
B
20
FP
HEXAGON
SOCKET
HEAD
SCREW
3
M
6
X
20
六角穴付
VJy
V
209
XVE
6
B
25
FP
HEXAGON
SOCKET
HEAD
SCREW
4
M
6
X
25
六角穴付吖
V
210
XVE
8
B
20
FP
HEXAGON
SOCKET
HEAD
SCREW
8
M
8
X
20
六角穴付
^
JH
V
211
XVE
8
B
25
FP
HEXAGON
SOCKET
HEAD
SCREW
M
8
X
25
4
六角穴付
f
V
213
HEXAGON
SOCKET
HEAD
SCREW
XVE
8
B
45
FP
4
M
8
X
45
六角穴付
^
V
214
XVE
10
B
30
FP
HEXAGON
SOCKET
HEAD
SCREW
2
M
10
X
30
六角穴付
4
’
JH
V
215
XVE
10
B
35
FP
HEXAGON
SOCKET
HEAD
SCREW
2
M
10
X
35
六角穴付
f
V
216
XVE
10
B
40
FP
HEXAGON
SOCKET
HEAD
SCREW
6
M
10
X
40
六角穴 付 扩針
V
218
XVE
4
B
16
FP
HEXAGON
SOCKET
HEAD
SCREW
3
M
4
X
16
<
W
/
aXDELETE
)
V
221
六角
tTF
V
224
XNH
10
DFP
HEXAGON
NUT
M
10
,
lyi
6
PXO
0
KO
5
-
V
200
-
1
D
M
136

下 部 動 力 部
⑵
8
l
UNDER
DRIVING
SECTION
⑵
%
37
29
28
27
f
!
36
38
25
24
PXOOK
05
-
200
-
3
F
.
A
M
137

下部 動 力 部
⑵
181
UNDER
DRIVING
SECTION
⑵
考
部
名
個数
備
番
品
品
No
.
Q
'
TY
REMARKS
PART
No
.
PART
NAME
REF
No
.
A
’
不
(
加卜
?
T
>
手丽
SPRING
(
CUT
CLINCH
TYPE
)
X
00
K
05223
X
00
K
05224
于外
NUT
2
y
'
aO
if
'
"
-
JV
JOIN
BALL
PBRL
6
3
N
533
PBRL
6
■
>
'
aO
ifi
'
-
)
V
JOIN
BALL
PBR
6
I
N
533
PBR
6
n
7
才口
7
CAM
FOLLOWER
2
CFN
18
R
-
A
I
N
531
CFN
1
-
042
M
wf
CAM
FOLLOWER
CFN
12
R
-
A
N
53
ICFN
12
RA
I
六角
HF
M
6
L
,
XNGN
6
DFPL
HEXAGON
NUT
7
M
12
X
75
,
'
My
六角穴付
Is
HEXAGON
SOCKET
HEAD
SCREW
XVEN
12
B
75
FPZ
8
N
531
CFN
8
RA
力
A
7
*
D
7
CAM
FOLLOWER
3
CFN
8
R
-
A
9
N
531
CFN
6
RA
力
A
7
to
7
CAM
FOLLOWER
CFN
6
R
-
A
10
it
"
-
y
3
>
卜口
-
今
SPEED
CONTROLLER
1
AS
1201
F
-
M
5
-
06
N
406
AS
12
-
011
11
六角
tvT
HEXAGON
NUT
M
12
,
lya
T
2
XNH
12
DFP
中間軸受
BEARING
HOLDER
T
3
X
00
K
05252
BLOCK
14
X
0
OKO
5253
1
W
X
0
OKO
5254
X
00
K
05255
FLANGE
15
iW
FLANGE
16
7
>
fc
*
A
旋回
W
-
X
00
K
05258
ANVIL
ROTATION
LEVER
17
F
?
TT
>
上下
w
\
•
-
GUIDE
PIN
UP
/
DOWN
LEVER
X
00
K
05260
A
18
□
7
?
WV
-
LOCK
LEVER
BRACKET
19
X
00
K
05261
X
00
K
05262
CONNECTING
ROD
20
2
V
1
W
XLA
6901
NS
BEARING
6901
NR
21
X
00
K
05264
A
MFf
22
力分
mf
wv
-
X
00
K
05265
CUT
CLINCH
LEVER
23
W
-
軸
X
00
KO
5273
LEVER
SHAFT
24
W
、
.
-
軸
X
00
KO
5275
LEVER
SHAFT
25
X
0
OKO
52
T
8
X
00
K
05279
IF
COLLAR
26
4
YVT
PLATE
27
28
X
00
K
05280
URETHANE
29
X
00
K
05281
NUT
SPRING
(
GUIDE
PIN
UP
/
BOWN
)
30
X
00
K
05298
>
um
TJM
IT
X
00
K
05288
SPRING
HOOK
BRACKET
2
六角穴付止彡字
32
XXE
6
C
8
FP
SET
SCREW
I
M
6
X
8
.
tm
六角
Hb
XNG
12
FFP
HEXAGON
NUT
33
M
12
,
3
-
>
i
XO
0
B
05404
A
F
7
34
PIN
35
X
00
B
05409
W
7
COLLAR
六角穴付止
;
<
木
36
XXE
5
C
6
FP
SET
SCREW
T
M
5
X
6
,
丽
3
T
N
533
PHS
6
V
si
'
y
-
)
l
<
JOIN
BALL
PHS
^
38
N
4
Q
1
CDQ
2
-
826
CYLINDER
CDQ
2
A
16
-
10
DCM
-
F
79
39
XUB
6
FP
WTIW
SNAP
RING
STW
40
X
00
B
05416
A
7
’
分
7
卜
BRACKET
X
00
B
05307
A
41
LOCK
LEVER
42
<
49
>
•
>
'
aO
^
-
JV
43
N
533
PBR
8
JOIN
BALL
PBR
8
y
aO
I
'
-
JP
44
N
533
PBRL
8
JOIN
BALL
PBRL
8
45
XNGN
8
DFPL
NUT
46
X
945
-
322
CONNECTING
ROD
YW
^
vTJ
N
560
A
6
MT
1
BN
A
-
MT
6
X
1
S
*
9
47
GREASE
NIPPLE
2
夕
.
!
)
义
ivt
)
\
N
560
B
6
MT
1
BN
B
-
MT
6
XW
’
夕
48
GREASE
NIPPLE
V
V
)
W
49
XLC
6906
Z
BEARING
T
2
6
M
6
Z
W
XWD
18
BFP
;
、
.
年座金
SPRING
WASHER
I
Ml
8
PX
00
K
05
-
200
-
3
F
_
A
M
138