NM-8224A,B,C PARTS LIST_ - 第157页
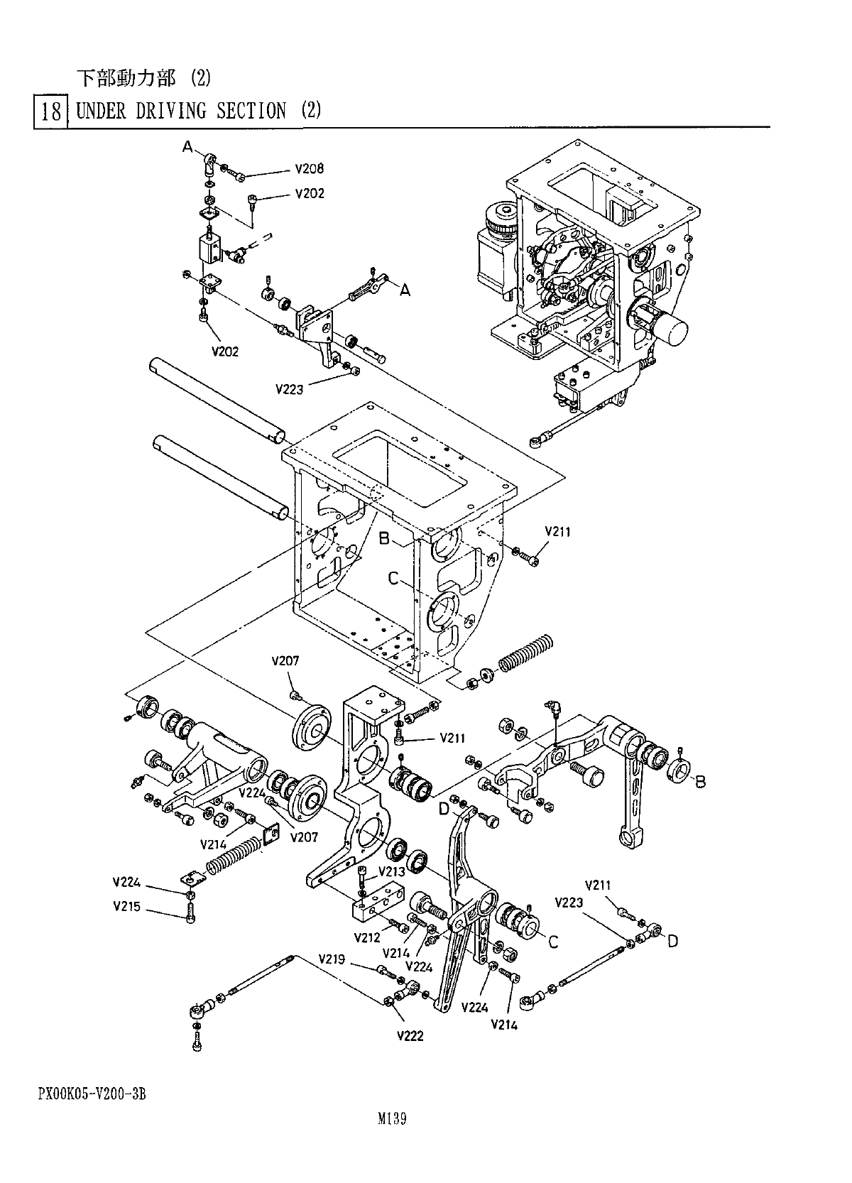
下 部 動 力 部 ⑵ l 8 l UNDER DRIVING SECTION ⑵ 個 数 考 部 名 備 番 品 品 No . PART NAME Q , TY REMARKS REF PART No . No . 六角穴付 rfF V 202 HEXAGON SOCKET HEAD SCREW 6 M 4 X 10 XVE 4 B 10 FP 六角穴付 f 好 V 207 HEXAGON SOCKET HEAD SCREW 8 M …

下 部 動 力 部
⑵
l
8
l
UNDER
DRIVING
SECTION
⑵
V
202
V
223
V
211
V
224
:
V
207
,
V
213
V
224
V
211
V
215
V
212
V
214
V
224
V
222
PXOOK
05
-
V
200
-
3
B
M
139

下 部 動 力 部
⑵
l
8
l
UNDER
DRIVING
SECTION
⑵
個数
考
部
名
備
番
品
品
No
.
PART
NAME
Q
,
TY
REMARKS
REF
PART
No
.
No
.
六角穴付
rfF
V
202
HEXAGON
SOCKET
HEAD
SCREW
6
M
4
X
10
XVE
4
B
10
FP
六角穴付
f
好
V
207
HEXAGON
SOCKET
HEAD
SCREW
8
M
6
X
15
XVE
6
B
15
FP
六 角 穴 付 卜
V
208
HEXAGON
SOCKET
HEAD
SCREW
M
6
X
20
XVE
6
B
20
FP
六角穴付
f
J
卟
HEXAGON
SOCKET
HEAD
SCREW
M
8
X
25
V
211
XVE
8
B
25
FP
12
六角穴付扩朴
HEXAGON
SOCKET
HEAD
SCREW
V
212
XVE
8
B
35
FP
3
M
8
X
35
六角穴付
XVE
8
B
45
FP
V
213
HEXAGON
SOCKET
HEAD
SCREW
3
M
8
X
45
六角穴付扩
V
214
XVE
10
B
30
FP
HEXAGON
SOCKET
HEAD
SCREW
2
M
10
X
30
六角穴付扩於
V
215
XVE
10
B
35
FP
HEXAGON
SOCKET
HEAD
SCREW
2
MTM
35
六角穴付本
’
JI
4
V
219
XVE
6
B
35
FP
HEXAGON
SOCKET
HEAD
SCREW
M
6
X
35
六角于
7
卜
V
222
XNG
6
DFP
HEXAGON
NUT
M
6
,
lva
六角于
7
卜
HEXAGON
NUT
V
223
XNG
8
DFP
2
M
8
,
lyi
六角于
7
卜
V
224
XNH
10
DFP
HEXAGON
NUT
M
10
,
lvi
6
PX
00
K
05
-
V
200
-
3
B
MHO

D
-
r
一
7
>
口
_
夕
部
(
本体部
⑴
)
191
LOADER
&
UNLOADER
SECTION
(
BASE
SECTION
(
D
)
PXQQK
06
-
000
-
1
D