NM-8224A,B,C PARTS LIST_ - 第35页
部品供給部 ( Z 軸駆動部 ⑴ NM - 8224 C 用 ) J ] FEEDER CARRIAGE ( Z - AXIS DRIVING ⑴ NM - 8224 C TYPE ) 考 個 数 備 部 名 番 品 品 No . Q , TY REMARKS PART NAME REF PART No . No . 8 M 8 X 30 六角穴付 $ 冊 XAGON SOCKET HEAD SCREW V 004 XVE 8 B 30…

PXOOK
03
-
VOQO
-
1
E
_
A
M
21
部品供給部
(
Z
軸駆動部
⑴
NM
-
8224
C
用
)
J
]
FEEDER
CARRIAGE
(
Z
-
AXIS
DRIVING
(
1
)
NM
-
8224
C
TYPE
)

部品供給部
(
Z
軸駆動部
⑴
NM
-
8224
C
用
)
J
]
FEEDER
CARRIAGE
(
Z
-
AXIS
DRIVING
⑴
NM
-
8224
C
TYPE
)
考
個数
備
部
名
番
品
品
No
.
Q
,
TY
REMARKS
PART
NAME
REF
PART
No
.
No
.
8
M
8
X
30
六角穴付
$
冊
XAGON
SOCKET
HEAD
SCREW
V
004
XVE
8
B
30
FP
M
8
X
20
VOM
六角穴付
HEXAGON
SOCKET
HEAD
SCREW
4
XVE
8
B
20
FP
M
6
X
25
六角穴 付 扩針
HEXAGON
SOCKET
HEAD
SCREW
12
V
007
XVE
6
B
25
FP
8
M
6
X
20
六角穴付
V
008
XVE
6
B
20
FP
HEXAGON
SOCKET
HEAD
SCREW
六角穴付
t
*
JH
4
M
6
X
16
V
009
HEXAGON
SOCKET
HEAD
SCREW
XVE
6
B
16
FP
M
5
X
12
六角穴付扩針
HEXAGON
SOCKET
HEAD
SCREW
16
Y
012
XVE
5
BI
2
FP
六角穴 付 扩針
HEXAGON
SOCKET
HEAD
SCREW
98
M
5
X
10
V
013
XVE
5
B
10
FP
六角穴付栌
W
4
M
4
X
20
V
0
i
4
XVE
4
B
20
FP
HEXAGON
SOCKET
HEAD
SCREW
20
M
3
X
8
六角穴付
tnn
V
018
XVE
3
B
8
FP
HEXAGON
SOCKET
HEAD
SCREW
六角穴付
nF
81
M
5
X
25
V
019
XVE
5
B
25
FP
HEXAGON
SOCKET
HEAD
SCREW
M
10
.
lh
V
021
六角于
7
卜
HEXAGON
NUT
4
XNH
10
DFP
PX
00
K
03
-
V
000
-
1
E
_
A
M
22

PX
00
K
6
3
-
000
-
10
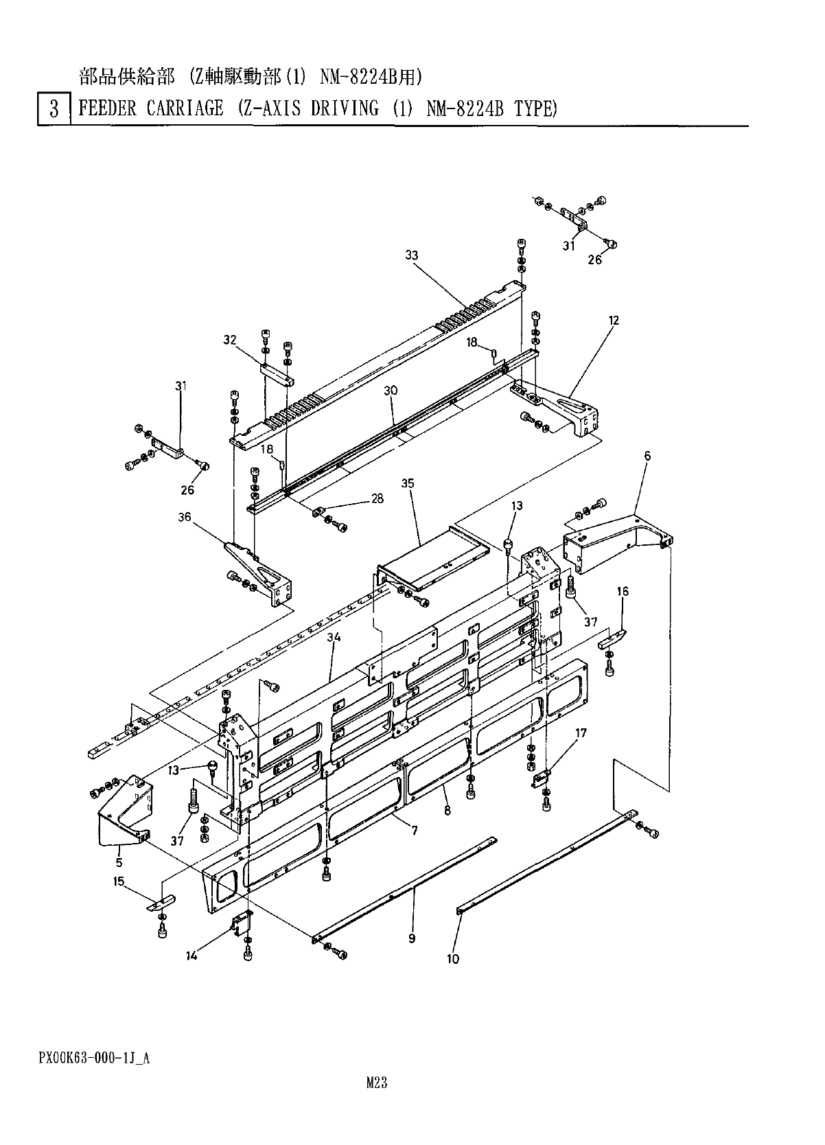
部品供給部
(
Z
軸駆動部
⑴
NM
-
8224
B
用
)
J
]
FEEDER
CARRIAGE
(
Z
-
AXIS
DRIVING
(
1
)
NM
-
8224
B
TYPE
)