NM-8224A,B,C PARTS LIST_ - 第42页
在线预览 NM-8224A,B,C PARTS LIST_ PDF 文档。

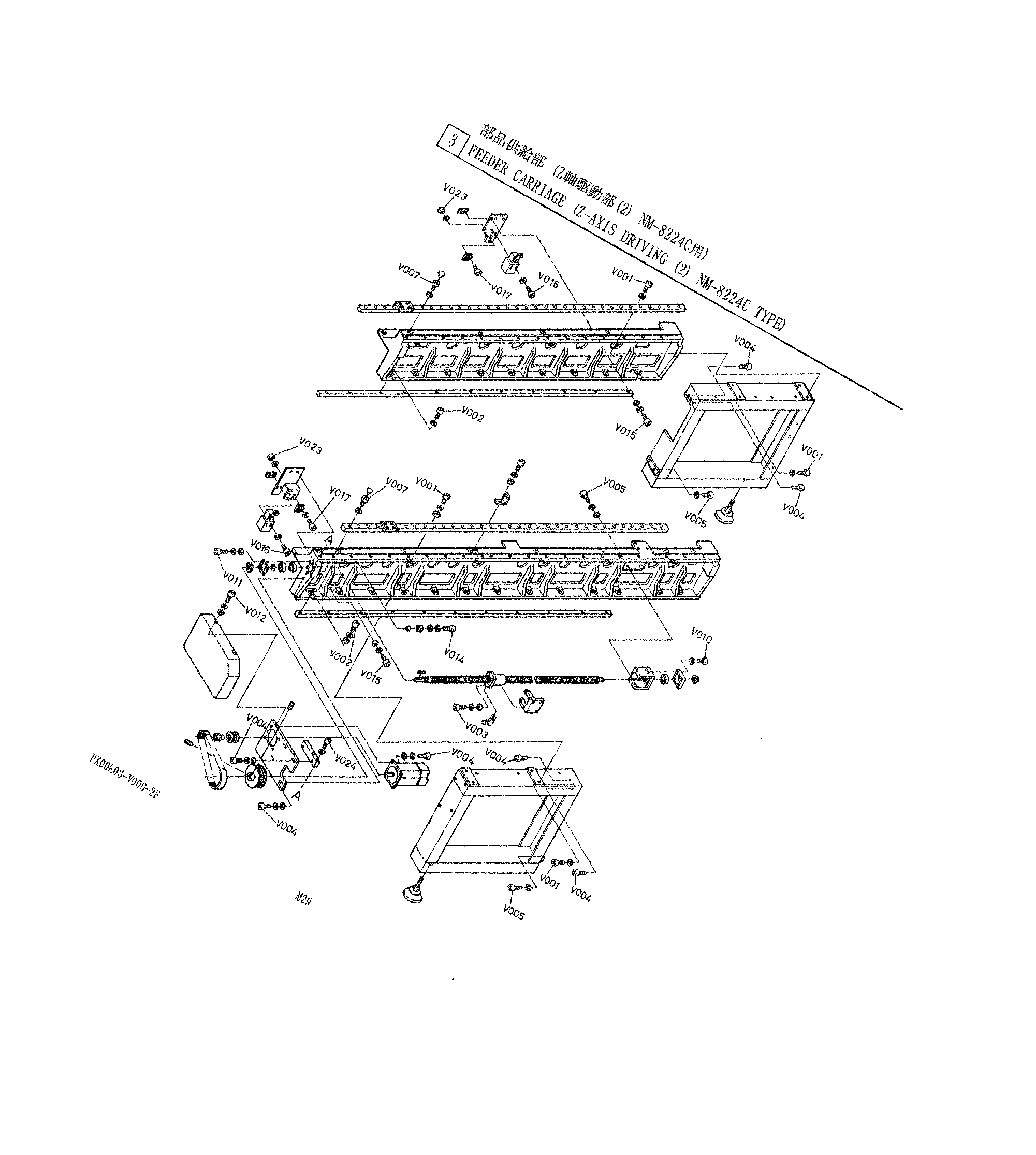
部品供給部
(
Z
軸駆動部
⑵
NM
-
8224
C
用
)
J
]
FEEDER
CARRIAGE
(
Z
-
AXIS
DRIVING
⑵
NM
-
8224
C
TYPE
)
部
考
個数
名
備
番
品
品
No
.
PART
No
.
PART
NAME
Q
'
TY
REMARKS
REF
No
.
IMTTF
LM
GUIDE
2
X
00
K
03001
BALL
SCREW
2
X
00
K
03004
丽
X
00
KQ
3005
BEARING
HOLDER
3
t
-
夕
-
7
°
H
MOTOR
PLATE
4
X
00
K
03009
MECA
ROCK
N
645
MA
19
力
o
分
MA
-
19
t
-
夕
-
力
;
、
,
-
MOTOR
COVER
6
X
00
K
03014
V
7
W
7204
ADB
XLLN
7204
ADB
BEARING
7
lset
K
7
W
f
-
A
8
XNRNFU
04
SC
BEARING
NUT
FU
04
SC
X
STOPPER
I
X
00
K
03017
4
COLLAR
TO
X
00
K
03018
~
W
4
XLC
6204
ZZ
BEARING
6204
ZZ
11
mr
w
H
XUB
20
FP
SNAP
RING
STW
丽
BEARING
HOLDER
T
3
X
00
K
03021
W
T
4
f
7
M
BRACKET
X
00
K
03023
15
7
°
V
-
b
T
6
X
00
K
03029
PLATE
2
TT
XPA
5
K
5
F
40
X
00
K
03043
T
7
KEY
5
X
5
X
40
,
祁
押
I
18
BEARING
RETAINER
;
K
十
SPACER
19
X
00
K
03044
補助
7
V
-
A
(
右
)
AUXILIARY
PLATE
(
RIGHT
)
20
X
00
K
03045
補助
7
V
-
A
cm
AUXILIARY
PLATE
(
LEFT
)
IT
X
00
K
03046
CAP
22
N
513
C
6
72
C
6
¥
7
K
OTE
23
X
00
K
03054
TTF
MM
24
X
00
K
03055
軸受
7
V
-
L
(
Al
)
FRAME
(
Al
)
25
X
00
K
03057
軸受
7
V
~
h
(
BIT
FRAME
(
Bl
)
26
X
00
K
03058
JWYWi
^
27
X
00
K
03060
PHOTO
BRACKET
7
*
28
X
00
K
03061
PHOTO
BRACKET
夕
⑼
,
7
*
十
29
X
00
K
03070
TIMING
PULLEY
30
X
00
K
03071
夕
O
夕
’
1
°
IJ
TIMING
PULLEY
WW
vlF
IT
N
64
I
250
S
-
428
TIMING
BELT
250
S
5
M
770
六角穴付止
;
i
W
32
XXE
5
C
10
FP
SET
SCREW
2
M
5
X
10
,
tm
X
001
-
759
ADJUST
BOLT
2
34
N
606
USAS
-
071
AC
廿
-
本
.
t
-
夕
-
AC
SERVO
MOTOR
USASEM
-
15
A
32
35
W
36
N
300
AT
0
I
111
R
安全
W
外
Mvf
SAFETY
LIMIT
SWITCH
2
AT
0
-
11
-
1
-
I
/
R
Z
軸固定
37
X
00
K
01105
Z
-
AXIS
FIXED
ANGLE
2
38
N
310
EESX
671
A
7
才卜
A
㈣
PHOTO
HIMIC
4
EE
-
SX
671
A
39
<
w
/
3
>
<
DELETE
>
40
X
00
KQ
3084
r
D
分
BLOCK
rn
二
m
41
N
560
B
6
MT
1
BN
GREASE
NIPPLE
B
-
MT
6
—
1
力
'
夕
PX
00
K
03
-
000
-
2
F
M
28


部品供給部
(
Z
軸駆動部
⑵
NM
-
8224
C
用
)
31
FEEDER
CARRIAGE
(
Z
-
AXIS
DRIVING
(
2
)
NM
-
8224
C
TYPE
)
部
個数
考
番
名
備
品
品
No
.
PART
No
.
PART
NAME
Q
’
TY
REMARKS
REF
No
.
六角穴付
tr
)
^
voor
XVE
10
B
35
FP
HEXAGON
SOCKET
HEAD
SCREW
24
M
10
X
35
六角穴付
H
V
002
XVE
8
B
40
FP
HEXAGON
SOCKET
HEAD
SCREW
22
M
8
X
40
六角穴付
VM
HEXAGON
SOCKET
HEAD
SCREW
V
003
XVE
8
B
35
FP
4
M
8
X
35
六角穴付
O
卜
V
004
XVE
8
B
30
FP
HEXAGON
SOCKET
HEAD
SCREW
12
M
8
X
30
六角穴付
V
005
XVE
8
B
25
FP
HEXAGON
SOCKET
HEAD
SCREW
M
8
X
25
8
六角穴付
HEXAGON
SOCKET
HEAD
SCREW
XVE
6
B
25
FP
V
007
36
M
6
X
25
六角穴付
V
010
XVE
5
B
30
FP
HEXAGON
SOCKET
HEAD
SCREW
M
5
X
30
4
六角 穴 付扩 於
V
011
XVE
5
B
20
FP
HEXAGON
SOCKET
HEAD
SCREW
M
5
X
20
4
六 角 穴 付 朴
V
012
XVE
5
B
12
FP
HEXAGON
SOCKET
HEAD
SCREW
M
5
X
12
4
六角穴 付 肊 針
VO
14
XVE
4
B
20
FP
HEXAGON
SOCKET
HEAD
SCREW
4
M
4
X
20
六角穴付
XVE
4
B
18
FP
HEXAGON
SOCKET
HEAD
SCREW
V
015
4
M
4
X
18
六角穴付
WU
HEXAGON
SOCKET
HEAD
SCREW
VO
16
XVE
3
B
28
FP
4
M
3
X
28
六角穴付
HEXAGON
SOCKET
HEAD
SCREW
V
017
XVE
3
B
14
FP
8
M
3
X
14
V
020
<
W
/
H
><
DELETE
>
六角
:
hh
V
023
XNG
3
AFP
HEXAGON
NUT
8
M
3
,
lva
六角穴付
JIOV
卜
V
024
XVE
6
B
50
FP
HEXAGON
SOCKET
HEAD
SCREW
2
M
6
X
50
PX
00
K
03
-
V
00
O
-
2
F
M
30