NM-8224A,B,C PARTS LIST_ - 第78页
力 7 夕 - 咅 15 ( 力 , 夕 - ) n CUTTER SECTION ( CUTTER ) PXOOK 04 - OOQ - 3 LA

力
7
夕
-
部
(
力
,
夕
-
)
V
]
CUTTER
SECTION
(
CUTTER
)
部
考
番
名
個数
備
品
品
No
.
REF
PART
No
.
PART
NAME
Q
'
TY
REMARKS
No
.
<
55
>
2
<
56
>
3
WY
F
7
K
(
FI
)
X
00
K
0401
QA
SLIDE
GUIDE
(
A
-
l
)
4
力
7
夕
-
本 体
(
A
)
X
00
K
04011
A
CUTTER
BODY
(
A
)
5
liiY
F
?
F
(
A
-
2
)
SLIDE
GUIDE
(
A
-
2
)
6
X
00
K
04012
WV
FTF
(
A
-
3
)
SLIDE
GUIDE
(
A
-
3
)
XOOKO
4013
7
1
'
X
00
K
04014
l
^
CK
8
X
00
K
04
Q
15
A
WV
FTF
FI
)
SLIDE
GUIDE
(
B
l
)
9
本 体
⑻
X
00
K
04
Q
16
A
CUTTER
BODY
(
B
)
10
liiV
FTF
(
B
-
2
)
SLIDE
GUIDE
(
B
-
2
)
X
0
QK
04017
II
7
.
v
'
A
~
12
X
0
OK
04018
A
PUSHER
六角穴付止彳衫
’
13
XXE
5
C
8
FP
SET
SCREW
M
5
X
8
,
tm
7
bn
°
-
71
hb
X
00
K
04026
STOPPER
BRACKET
14
IF
X
00
K
04028
COLLAR
15
平行
>
16
XPJ
6
A
14
FW
PARALLEL
PIN
4
M
6
A
-
D
6
X
14
XQ
0
K
04030
US
BEAMING
HOLDER
17
18
X
00
K
04031
IF
COLLAR
T
9
X
00
K
04032
CONNECTING
ROD
~
<
V
)
W
20
XLC
6901
ZZ
BEARING
6901
ZZ
2
N
431
KQL
06
M
5
屏
Tow
21
KQL
06
-
M
5
22
X
00
K
04042
iF
7
COLLAR
23
-
7
°
24
X
00
K
04047
STOPPER
PLATE
25
X
00
K
04
Q
48
’
>
肀
7
卜
WFT
IhK
-
(
±
)
STOPPER
(
UPPER
)
26
XOOK
04049
7
H
27
XOOK
04050
PLATE
28
X
00
K
04051
NUT
牛
-
29
XPA
5
L
5
F
10
KEY
5
X
5
X
10
.
30
X
00
K
04055
1
~
T
力
7
夕
-
TAPE
CUTTER
j
"
7
°
力
7
夕
(
B
)
31
X
00
K
04056
A
TAPE
CUTTER
(
B
)
32
N
520
MB
0305
DU
V
ii
DRY
BEARING
MB
0305
DU
W
33
N
431
M
5
H
6
JOINT
M
-
5
H
-
6
圧縮
A
*
*
34
X
004
-
279
MING
35
X
036
-
023
B
八
‘
不受
SPRING
HOLDER
36
37
X
036
-
034
線力
M
卜
’
⑻
LEAD
LINE
GUIDE
(
B
)
38
X
036
-
104
PACKING
7
°
卜
39
X
036
-
105
PLATE
z
-
v
D
十
40
XPJ
2
A
6
FW
NEEDLE
ROLLER
T
TO
FKWTTT
-
®
4
T
X
036
-
031
LEAD
LINE
GUIDE
(
A
)
42
X
036
-
124
角錐
|
J
-
卜
’
W
~
(
A
)
LEAD
CUTTER
(
A
)
43
角錐
U
-
K
M
-
(
B
)
X
036
-
125
LEAD
CUTTER
(
B
)
D
'
yK
I
>
h
'
44
N
533
PBR
8
ROD
END
PBR
8
D
'
yh
’
工
>
K
六 角 于 分
N
533
PBRL
8
45
ROD
END
PBRL
8
46
XNGN
8
DFPL
HEXAGON
NUT
M
8
,
IVJ
(
T
)
X
944
-
056
47
STOPPER
(
UNDER
)
48
W
49
W
50
XPJ
4
A
8
FW
y
m
f
>
PARALLEL
PIN
2
M
6
A
-
D
4
X
8
”
次頁
続
〈
”
"
Continued
to
the
next
page
.
"
PX
00
K
04
-
000
-
2
I
.
B
M
62

力
7
夕
-
咅
15
(
力
,
夕
-
)
n
CUTTER
SECTION
(
CUTTER
)
PXOOK
04
-
OOQ
-
3
LA

力
、
y
夕
-
部
(
力
、
y
夕
-
)
5
l
CUTTER
SECTION
(
CUTTER
)
考
個数
備
部
名
品
品
番
No
.
REMARKS
PART
NAME
Q
'
TY
PART
No
.
REF
No
.
t
-
JVF
)
1
'
KNOB
2
KS
15
X
10
B
51
N
984
KS
1510
S
光
nW
7
>
7
'
LIGHT
FIBER
AMP
E
3
X
-
A
21
-
5
N
310
E
3
XA
215
52
光
-
M
)
S
E
32
-
T
31
-
5
LIGHT
FIBER
53
N
310
E
32
T
315
<
61
>
<
62
>
(
1
)
HOLDER
(
1
)
X
00
K
04009
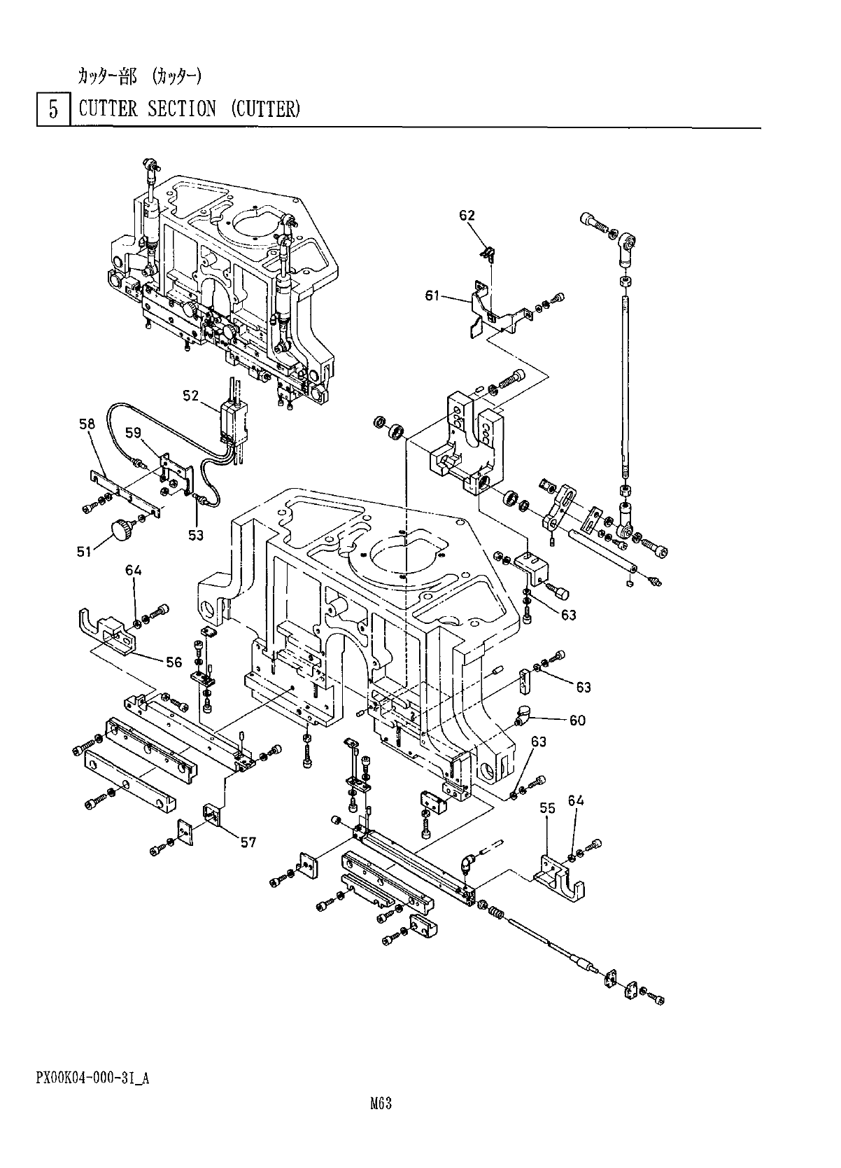
55
游
-
(
2
)
HOLDER
(
2
)
X
00
K
04023
56
力
,
夕
-
本体用
7
’
口
7
夕
CUTTER
BODY
BLOCK
X
00
K
04063
57
TFF
PLATE
58
X
00
K
04061
59
7
‘
BRACKET
X
00
K
04062
L
力
-
夕
M
6
P
=
1
0
IWhf
OIL
CUP
I
60
N
5601030
Ay
]
'
屑
jo
-
T
7
*
7
^
7
h
SHUTE
BRACKET
61
X
00
K
04065
卜爪
SHUTE
NAIL
62
X
00
K
04066
WASHER
6
M
535
63
X
001
-
040
-
2
W
WASHER
4
64
X
001
-
040
-
1
PX
00
K
04
-
000
-
3
LA
M
64