SM411 Technical Reference(User)-Distribution - 第107页
Page SAMSUNG TECHWIN 107 SM411 S er vo In te rfa ce (Z 1, Z2 , Z3) NO. PART NO. PART NAME Q'TY TYPE REMARK 1 J90831117A PC RACK->1X1->1ZD->2Z8->FRONT FLAT SM33-VM007 2 J90831118A HEAD2 NETWORK SERIAL CAB…

Page
SAMSUNG TECHWIN
106
SM411
Servo Interface (Z1, Z2, Z3)
Z1 MOTOR
FLAT CABLE
2
4
3
1
2
7
6
11
1
5
E
SD
W
V
U
S M33_MD019
5VG
ENC_SHIELD
+5V
SD/
13
10
3
15
7
6
11
1
5
13
10
3
15
5
3
4
6
2
4
3
1
2
5
3
4
6
Z1-PW
Z1-EN
1
20
~
Z1-CMD
Z1 AXIS DRIVER
SEDES #1
X7043N
1
50
~
1
50
~
S M33_VM007
(S M33_V M008)
Z2 MOTOR
2
4
3
1
2
7
6
11
1
5
E
SD
W
V
U
S M33_MD020
5VG
ENC_SHIELD
+5V
SD/
13
10
3
15
7
6
11
1
5
13
10
3
15
5
3
4
6
2
4
3
1
2
5
3
4
6
Z2-PW
Z2-EN
1
20
~
Z2-CMD
Z2 AXIS DRIVER
Z3 MOTOR
2
4
3
1
2
7
6
11
1
5
E
SD
W
V
U
S M33_MD021
5VG
ENC_SHIELD
+5V
SD/
13
10
3
15
7
6
11
1
5
13
10
3
15
5
3
4
6
2
4
3
1
2
5
3
4
6
Z3-PW
Z3-EN
1
20
~
Z3-CMD
Z3 AXIS DRIVER
1
20
~
CN2
CN8
B/D
SEDES #2
(X7043N
B/D)
SEDES
FRONT
SLAVE B/D
SEDES
(REAR
SLAVE B/D)
1
20
~
1
20
~
CN11
CN12
CN13
S M33_VM009

Page
SAMSUNG TECHWIN
107
SM411
Servo Interface (Z1, Z2, Z3)
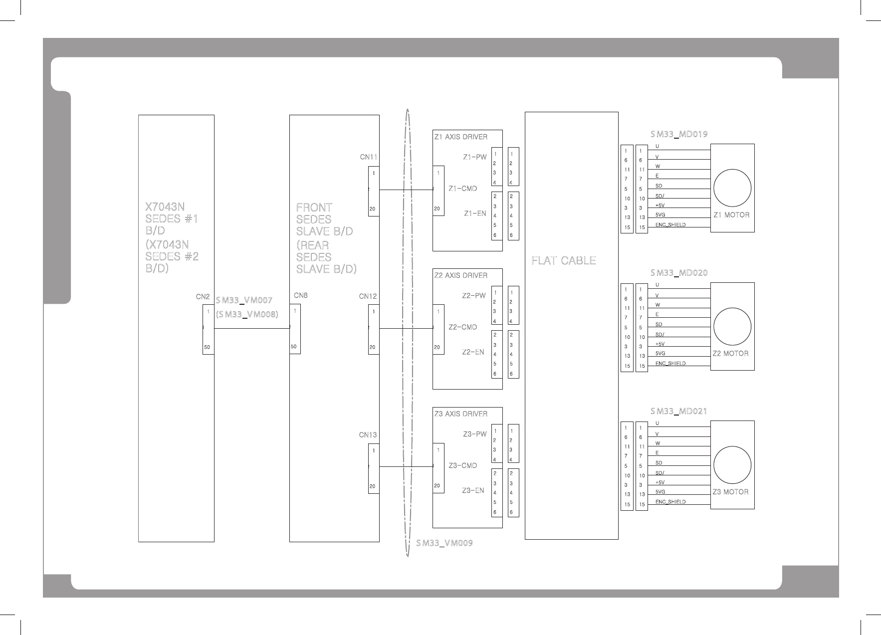
NO. PART NO. PART NAME Q'TY TYPE REMARK
1
J90831117A PC RACK->1X1->1ZD->2Z8->FRONT FLAT SM33-VM007
2
J90831118A HEAD2 NETWORK SERIAL CABLE ASSY SM33-VM008
3
J90831119A F/R Z1 ~ F/R Z6 DRV COMMAND CABLE ASSY SM33-VM009
4
J90831175A Z1 MOTOR CABLE ASSY SM33-MD019
5
J90831176A Z2 MOTOR CABLE ASSY SM33-MD020
6
J90831177A Z3 MOTOR CABLE ASSY SM33-MD021
7
8
9
10
11
12
13
14
15
16
17
18
19
20
21
22
23
24
25
26
27
P art L is t

Page
SAMSUNG TECHWIN
108
SM411
Servo Interface (Z4, Z5, Z6)
Z4 MOTOR
FLAT CABLE
2
4
3
1
2
7
6
11
1
5
E
SD
W
V
U
S M33_MD022
5VG
ENC_SHIELD
+5V
SD/
13
10
3
15
7
6
11
1
5
13
10
3
15
5
3
4
6
2
4
3
1
2
5
3
4
6
Z1-PW
Z1-EN
1
20
~
Z1-CMD
Z4 AXIS DRIVER
SEDES #1
X7043N
1
50
~
1
50
~
S M33_VM007
(S M33_V M008)
Z5 MOTOR
2
4
3
1
2
7
6
11
1
5
E
SD
W
V
U
S M33_MD023
5VG
ENC_SHIELD
+5V
SD/
13
10
3
15
7
6
11
1
5
13
10
3
15
5
3
4
6
2
4
3
1
2
5
3
4
6
Z2-PW
Z2-EN
1
20
~
Z2-CMD
Z5 AXIS DRIVER
Z6 MOTOR
2
4
3
1
2
7
6
11
1
5
E
SD
W
V
U
S M33_MD024
5VG
ENC_SHIELD
+5V
SD/
13
10
3
15
7
6
11
1
5
13
10
3
15
5
3
4
6
2
4
3
1
2
5
3
4
6
Z3-PW
Z3-EN
1
20
~
Z3-CMD
Z6 AXIS DRIVER
1
20
~
CN2
CN8
B/D
SEDES #2
(X7043N
B/D)
SEDES
FRONT
SLAVE B/D
SEDES
(REAR
SLAVE B/D)
1
20
~
1
20
~
CN14
CN15
CN16
S M33_VM009
(CONTINUED) (CONTINUED)