SM411 Technical Reference(User)-Distribution - 第114页
Page SAMSUNG TECHWIN 1 14 SM411 S te p Mot or In te rfa ce (R 1- 2, R3 -4, R 5-6 ) NO. PART NO. PART NAME Q'TY TYPE REMARK 1 J90831120A FR1,FR3,FR5 DRV COMMAND CABLE ASSY SM33-VM011 2 J90831121A RR1,RR3,RR5 DRV COMM…

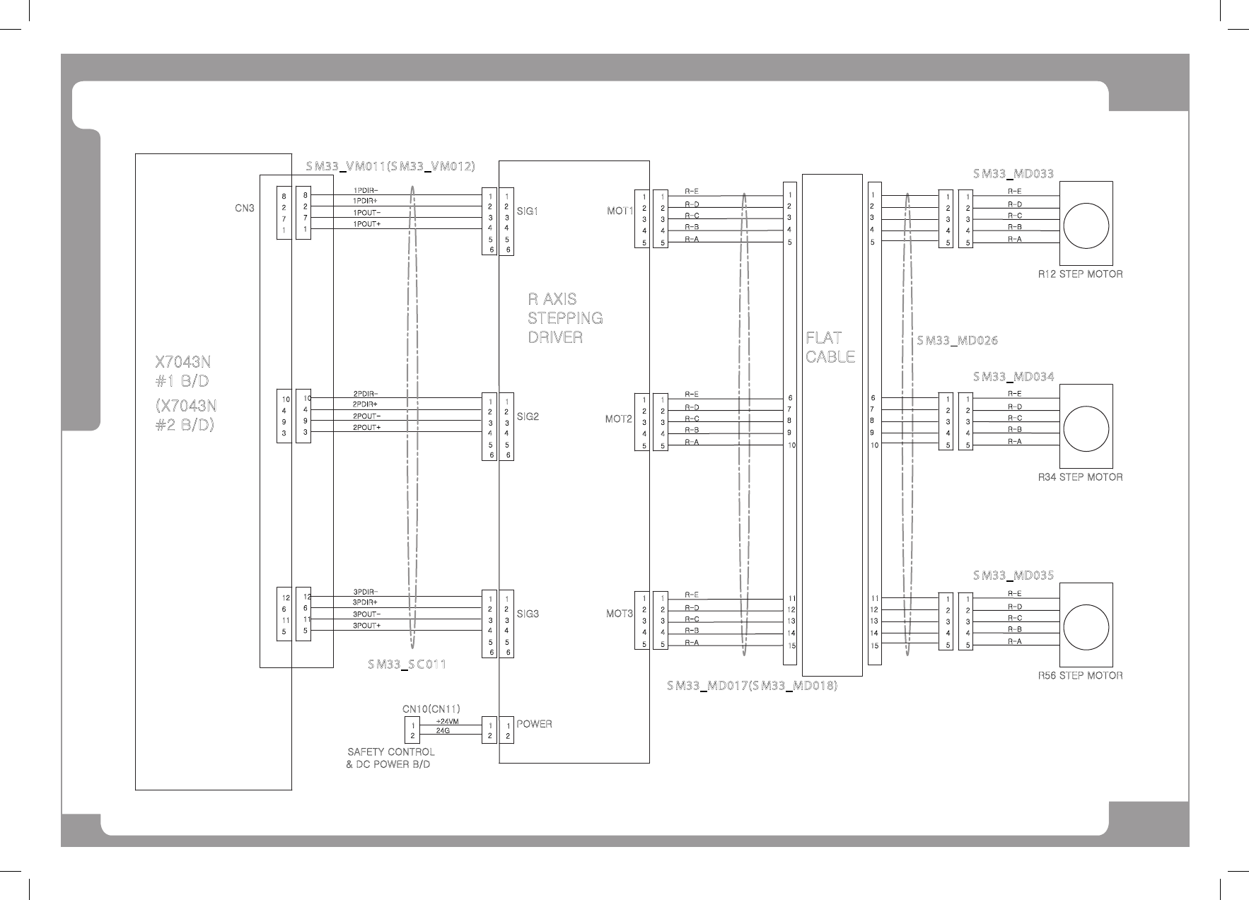
Page
SAMSUNG TECHWIN
113
SM411
Step Motor Interface (R1-2, R3-4, R5-6)
CN3
1
7
2
8
1
7
2
8
X7043N
#1 B/D
1POUT+
1POUT-
1PDIR+
1PDIR-
S M33_VM011(S M33_VM012)
R AXIS
STEPPING
DRIVER
6
5
4 4
2
3
1
2
3
1
MOT1
5 5
R-B
R-A
R-C
R-D
S M33_MD017(S M33_MD018)
R12 STEP MOTOR
2
1
4
3
5
1
3
2
4
9
3
4
10
9
3
4
10
3
5
4
2
1
R34 STEP MOTOR
4
2
3
1
5
24G
S M33_S C 011
11
5
6
12
11
5
6
12
+24VM
1
1
2
2
POWER
4
5
3
2
1
R56 STEP MOTOR
2
4
3
1
S M33_MD026
FLAT
CABLE
6
5
2
1
4
3
SIG1
SIG2
SIG3
1
2
CN10(CN11)
SAFETY CONTROL
& DC POWER B/D
MOT2
MOT3
R-E
5
R-B
R-A
R-C
R-D
7
9
8
6
R-E
10
R-B
R-A
R-C
R-D
12
14
13
11
R-E
15
2
4
3
1
5
7
9
8
6
10
12
14
13
11
15
4
2
3
1
5
4
2
3
1
5
R-B
R-A
R-C
R-D
R-E
4
2
3
1
5
4
2
3
1
5
R-B
R-A
R-C
R-D
R-E
4
2
3
1
5
4
2
3
1
5
R-B
R-A
R-C
R-D
R-E
S M33_MD033
6
5
2
1
4
3
6
5
2
1
4
3
2POUT+
2POUT-
2PDIR+
2PDIR-
6
5
2
1
4
3
6
5
2
1
4
3
3POUT+
3POUT-
3PDIR+
3PDIR-
S M33_MD034
S M33_MD035
(X7043N
#2 B/D)

Page
SAMSUNG TECHWIN
114
SM411
Step Motor Interface (R1-2, R3-4, R5-6)
NO. PART NO. PART NAME Q'TY TYPE REMARK
1
J90831120A FR1,FR3,FR5 DRV COMMAND CABLE ASSY SM33-VM011
2
J90831121A RR1,RR3,RR5 DRV COMMAND CABLE ASSY SM33-VM012
3
J90831062A FR,RR STEP DRIVER POWER CABLE ASSY SM33-SC011
4
J90831173A FR STEP MOTOR POWER CABLE ASSY SM33-MD017
5
J90831174A RR STEP MOTOR POWER CABLE ASSY SM33-MD018
6
J90831189A R12 MOTOR CABLE ASSY SM33-MD033
7
J90831190A R34 MOTOR CABLE ASSY SM33-MD034
8
J90831191A R56 MOTOR CABLE ASSY SM33-MD035
9
J90831182A R STEP MOTOR PWR EXT CABLE ASSY SM33-MD026
10
11
12
13
14
15
16
17
18
19
20
21
22
23
24
25
26
27
P art L is t

Page
SAMSUNG TECHWIN
115
SM411
Step Motor Interface (Conveyor Belt)
4
2
3
1
B/
B
A/
A
4
2
3
1
B/
B
A/
A
4
2
3
1
4
2
3
1
B/
B
A/
A
4
2
3
1
B/
B
A/
A
4
2
3
1
2
1
2
1
2
1
4
2
3
1
4
2
3
1
2
1
CN1
CN2
DC POWER
#1 B/D
24G
24V
S M33_P W028
S M33-C S 028-1
S M33-C S 028-2
S M33-C S 028-3
S M33-C S 028-4
S M33-C S 028-5
S M33-C S 028-6
S M33-C S 028-7
S M33-C S 028-8
BS1-1 STEP MOTOR
S M33_C S 020
BS1-2 STEP MOTOR
S M33_C S 021
CN2
CN3
BS12 STEP DRIVER
1
2
3
6
4
8
9
7
CN4
1
2
3
5
4
8
7
6
1POUT+
1POUT-
1PDIR-
2POUT+
2PDIR+
2PDIR-
2POUT-
1PDIR+
5
13
6
7
14
16
8
15
10
5
5
13
6
7
14
16
8
15
4
2
3
1
B/
B
A/
A
4
2
3
1
B/
B
A/
A
4
2
3
1
4
2
3
1
B/
B
A/
A
4
2
3
1
B/
B
A/
A
4
2
3
1
2
1
2
1
2
1
4
2
3
1
4
2
3
1
2
1
CN1
CN3
DC POWER
#1 B/D
24G
24V
S M33_P W028
BW1-1 STEP MOTOR
S M33_C S 022
BW1-2 STEP MOTOR
S M33_C S 023
CN2
CN3
BW12 STEP DRIVER
1
2
3
6
4
8
9
7
CN4
1
2
3
5
4
8
7
6
1POUT+
1POUT-
1PDIR-
2POUT+
2PDIR+
2PDIR-
2POUT-
1PDIR+
1
9
2
3
10
12
4
11
10
5
1
9
2
3
10
12
4
11
CN3
X7043S
#1 B/D
4
2
3
1
B/
B
A/
A
4
2
3
1
B/
B
A/
A
4
2
3
1
4
2
3
1
B/
B
A/
A
4
2
3
1
B/
B
A/
A
4
2
3
1
2
1
2
1
2
1
4
2
3
1
4
2
3
1
2
1
CN1
CN4
DC POWER
#1 B/D
24G
24V
S M33_P W028
BS2-1 STEP MOTOR
S M33_C S 024
BS2-2 STEP MOTOR
S M33_C S 025
CN2
CN3
BS34 STEP DRIVER
1
2
3
6
4
8
9
7
CN4
1
2
3
5
4
8
7
6
1POUT+
1POUT-
1PDIR-
2POUT+
2PDIR+
2PDIR-
2POUT-
1PDIR+
5
13
6
7
14
16
8
15
10
5
5
13
6
7
14
16
8
15
4
2
3
1
B/
B
A/
A
4
2
3
1
B/
B
A/
A
4
2
3
1
4
2
3
1
B/
B
A/
A
4
2
3
1
B/
B
A/
A
4
2
3
1
2
1
2
1
2
1
4
2
3
1
4
2
3
1
2
1
CN1
CN5
DC POWER
#1 B/D
24G
24V
S M33_P W028
BW2-1 STEP MOTOR
S M33_C S 026
BW2-2 STEP MOTOR
S M33_C S 027
CN2
CN3
BW34 STEP DRIVER
1
2
3
6
4
8
9
7
CN4
1
2
3
5
4
8
7
6
1POUT+
1POUT-
1PDIR-
2POUT+
2PDIR+
2PDIR-
2POUT-
1PDIR+
1
9
2
3
10
12
4
11
10
5
1
9
2
3
10
12
4
11
CN3
X7043S
#2 B/D
S M33_V M017
S M33_V M018