SM411 Technical Reference(User)-Distribution - 第118页
Page SAMSUNG TECHWIN 1 18 SM411 V is io n B oa rd In ter fa ce NO. PART NO. PART NAME Q'TY TYPE REMARK 1 J90831098A HEAD1 FIDUCIAL CAMERA CABLE ASSY SM33-VIS001 2 J90831100A HEAD2 FIDUCIAL CAMERA CABLE ASSY SM33-VIS…

Page
SAMSUNG TECHWIN
117
SM411
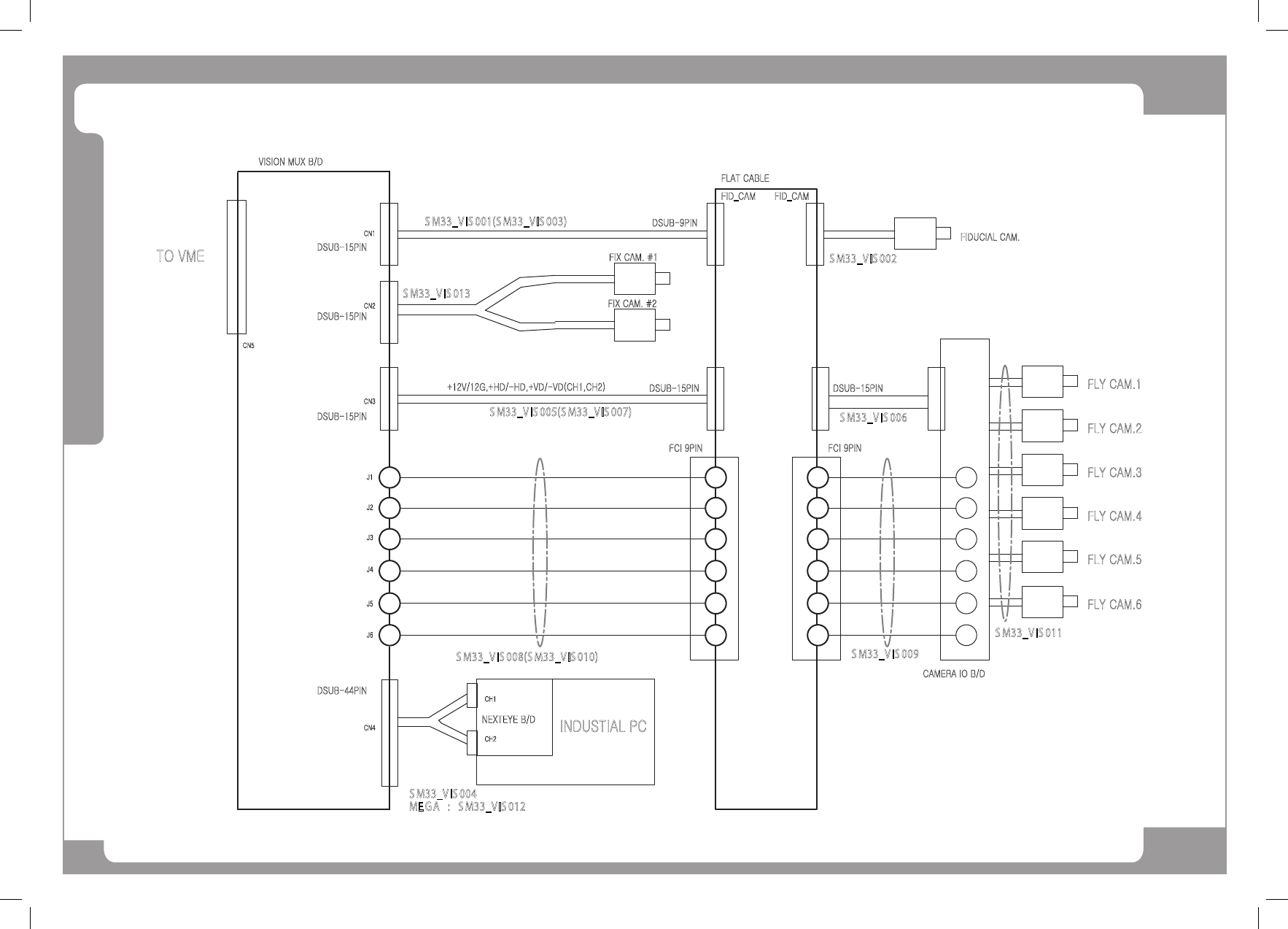
Vision Board Interface
CN5
CN2
CN1
CN3
J1
CN4
J2
J3
J4
J5
J6
CH1
CH2
DSUB-15PIN
DSUB-15PIN
DSUB-15PIN
DSUB-44PIN
FCI 9PINFCI 9PIN
DSUB-15PIN DSUB-15PIN
+12V/12G,+HD/-HD,+VD/-VD(CH1,CH2)
S M33_VIS 013
S M33_VIS 001(S M33_V IS 003)
DSUB-9PIN
FID_CAMFID_CAM
S M33_VIS 005(S M33_V IS 007)
S M33_VIS 002
S M33_VIS 008(S M33_V IS 010)
S M33_VIS 009
S M33_VIS 006
S M33_VIS 004
S M33_VIS 011
NEXTEYE B/D
ME G A : S M33_V IS 012
VISION MUX B/D
TO VME
FIX CAM. #1
FIDUCIAL CAM.
INDUSTIAL PC
FLAT CABLE
CAMERA IO B/D
FLY CAM.1
FLY CAM.2
FLY CAM.3
FLY CAM.4
FLY CAM.5
FLY CAM.6
FIX CAM. #2

Page
SAMSUNG TECHWIN
118
SM411
Vision Board Interface
NO. PART NO. PART NAME Q'TY TYPE REMARK
1
J90831098A HEAD1 FIDUCIAL CAMERA CABLE ASSY SM33-VIS001
2
J90831100A HEAD2 FIDUCIAL CAMERA CABLE ASSY SM33-VIS003
3
J90831110A CALIBRATION_CAMERA_CABLE_ASSY SM33-VIS013
4
J90831102A HEAD1 FLY CAM PWR/SYNC CABLE ASSY SM33-VIS005
5
J90831104A HEAD2 FLY CAM PWR/SYNC CABLE ASSY SM33-VIS007
6
J90831105A HEAD1 FLY CAM SIG CABLE ASSY SM33-VIS008
7
J90831107A HEAD2 FLY CAM SIG CABLE ASSY SM33-VIS010
8
J90831101A NEXTEYE B/D I/F CABLE ASSY,HR70 SM33-VIS004
9
J90831109A NEXTEYE B/D I/F CABLE ASSY,MEGA SM33-VIS012
10
J90831099A FLAT_FID. CAMERA CABLE ASSY SM33-VIS002
11
J90831103A FLY CAM PWR/SYNC EXT CABLE ASSY SM33-VIS006
12
J90831106A FLY CAM SIG EXT CABLE ASSY SM33-VIS009
13
J90831108A FLYING CAMERA I/F CABLE ASSY SM33-VIS011
14
15
16
17
18
19
20
21
22
23
24
25
26
27
P art L is t

Page
SAMSUNG TECHWIN
119
SM411
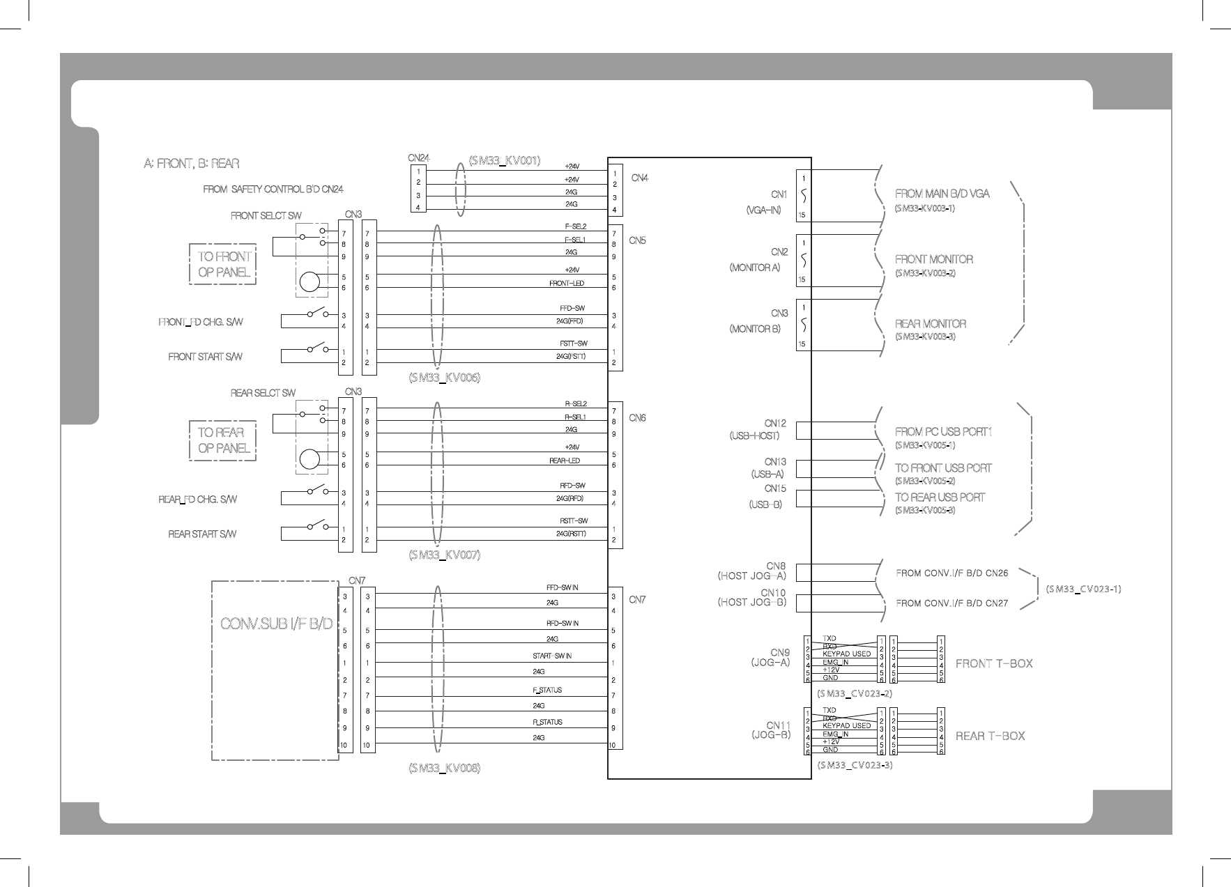
KVMS Board Interface
+24V
1
2
3
4
+24V
24G
24G
FROM SAFETY CONTROL B'D CN24
CN4
24G
F-SEL1
F-SEL2
CN5
FRONT-LED
+24V
A: FRONT, B: REAR
24G(FFD)
15
1
FRONT MONITOR
CN1
REAR MONITOR
15
1
FROM MAIN B/D VGA
15
1
TO FRONT USB PORT
FRONT SELCT SW
FFD-SW
(VGA-IN)
CN2
(MONITOR A)
CN3
(MONITOR B)
CN12
(USB-HOST)
CN13
(USB-A)
CN15
(USB-B)
TO REAR USB PORT
FROM PC USB PORT1
FRONT_FD CHG. S/W
FRONT START S/W
24G(FSTT)
FSTT-SW
TO FRONT
OP PANEL
FFD-SW IN
CN7
5
3
RFD-SW IN
START-SW IN
1
CONV.SUB I/F B/D
(SM33-KV003-1)
(SM33_KV001)
1
2
3
4
4
6
2
24G
24G
24G
CN24
1
2
3
4
5
6
7
8
9
(SM33_KV006)
CN3
8
2
1
4
3
5
6
9
7
88
22
REAR START S/W
OP PANEL
TO REAR
1 1
4
3
4
3
55
6 6
9 9
REAR SELCT SW
CN3
7 7
(SM33_KV007)
RFD-SW
24G(RSTT)
RSTT-SW
24G(RFD)
REAR-LED
+24V
24G
R-SEL2
R-SEL1
CN6
REAR_FD CHG. S/W
F_STATUS
24G
R_STATUS
24G
7
8
9
1010
9
1
8
7
2
5
6
4
3
CN7
(SM33_KV008)
8
2
1
4
3
5
6
9
7
8
2
1
4
3
5
6
9
7
5
3
1
4
6
2
7
8
9
10
(SM33-KV003-2)
(SM33-KV003-3)
(SM33-KV005-1)
(SM33-KV005-2)
(SM33-KV005-3)
CN10
(JOG-A)
(JOG-B)
CN11
CN9
(HOST JOG-B)
FROM CONV.I/F B/D CN26
(HOST JOG-A)
CN8
FROM CONV.I/F B/D CN27
(S M33_C V 023-1)
(S M33_C V 023-2)
(S M33_C V 023-3)
(S M33_C V 023-4)
(S M33_C V 023-5)
KEYPAD USED
GND
+12V
TXD
RXD
EMG_IN
3
4
6
5
2
1
3
4
6
5
REAR T-BOX
2
1
EMG_IN
KEYPAD USED
4
6
5
GND
+12V
1
2
3
TXD
RXD
FRONT T-BOX
6
5
4
3
2
1
6
5
4
3
2
1
6
1
4
3
2
5
6
3
2
1
6
5
4
3
2
1
4
5