SM411 Technical Reference(User)-Distribution - 第123页
Page SAMSUNG TECHWIN 123 SM411 S af et y C on tro l Boa rd In te rfa ce (3 /3 ) +24V 1 1 4 4 CN25 4 4 CN24 3 2 3 2 CN7S 1 1 4 4 3 2 3 2 SCANNER KVMS B/D AXIS SENSOR B/D 24G +24V 24G 1 1 4 4 D-SUB 15P 4 4 +24V +24V 24G 24…

Page
SAMSUNG TECHWIN
122
SM411
Safety Control Board Interface (2/3)
+24V
11
4 4
CN25
4 4
CN24
3
2
3
2
CN7S
1 1
4 4
3
2
3
2
SCANNER
KVMS B/D
AXIS SENSOR B/D
24G
+24V
24G
1
1
4
4
D-SUB 15P
4
4
+24V
+24V
24G
24G
24G
3
2
1
CN4
3
2
1
4
3
2
4
3
2
44
4 4
CN23
1 1
CN22
2 2
3 3
1 1
2 2
4 4
3 3
CN21
1 1
CN20
22
3 3
1 1
4
4
REAR FEEDER
I/F B/D
FRONT FEEDER
I/F B/D
CN4
24G
+24V
+24V
+24V
24G
4
4
CN10
1
1
3
2
1
3
2
1
24G
24G
+24V
+24V
2
2
4
3
4
3
CN4
1
1
CONVEYOR
I/F B/D
24G
24G
+24V
+24V
CN4
2
3
1
2
3
1
9 9
1010
7 7
88
5
66
5
CN13
MOLEX 10PIN
3
44
3
1
22
1
F-DOOR
READY RELAY OUT
READY LP
R-DOOR
R-SO
F-SO
99
10 10
7
8
6
5
7
8
6
5
F-EM
READY SW
PW-ON
R-EM
4
3
2
1
4
3
2
1
SUB-CN6
CONV.SUB
I/F B/D
4
4
4 4
+24V
+24V
BOARD
CN26
4DP
SAFETY
CONTROL
2 2
33
11
24G
24G
CN1
2
2
3
3
1
1
VME IO B/D
(S M33_C V001)
(S M21_F D001)
(S M21_F D002)
(S M33_A X001)
(S M33_K V001)
(S M33_IT004)
(S M33_VI001)
(S M33_S C 005)
(S M21_F D010)
(S M21_F D011)
(DOCKING CART)
(DOCKING CART)
CN4
CN29
(S M33-S C 003-2)
+24V
24G
24G
+24V
4 4
2
3
2
3
1 1
4
2
3
1
CN28
(S M33-S C 003-1)
24G
+24V
+24V
24G
4 4
2
3
2
3
1 1
4
2
3
CN4
1
SEDES SLAVE B/D
4
REAR
2
3
1
4
2
3
1
SEDES SLAVE B/D
FRONT
CN27
(S M33_P W 032)
+24V
24G
24G
+24V
4 4
2
3
2
3
1 1
HEAD1
SEDES B/D
4P
15
15
4
1
4
1
CN4
4
CN4
1
4
HEAD2
SEDES B/D
1
4P
BOARD
SAFETY
CONTROL

Page
SAMSUNG TECHWIN
123
SM411
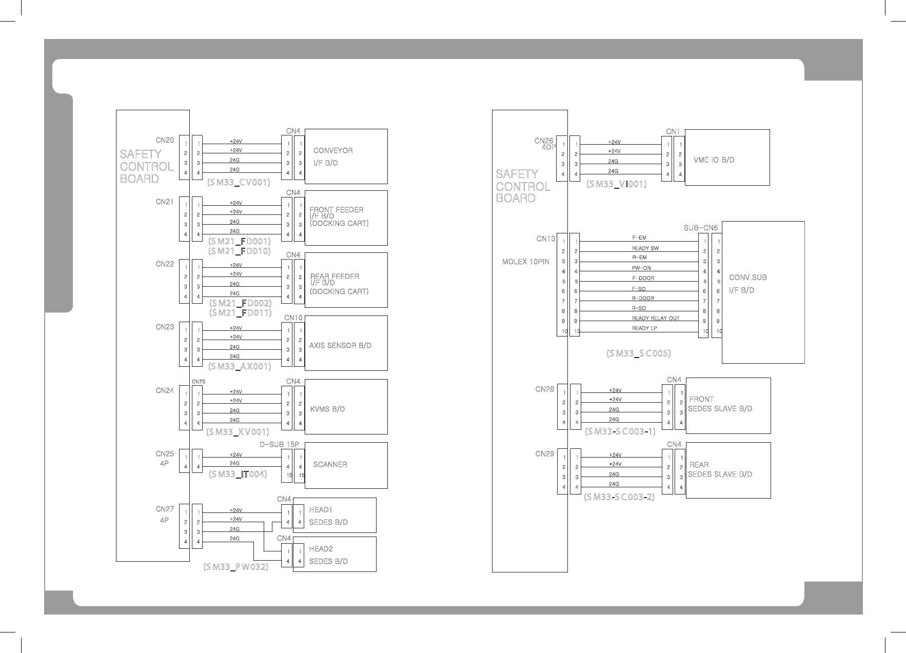
Safety Control Board Interface (3/3)
+24V
11
4 4
CN25
4 4
CN24
3
2
3
2
CN7S
1 1
4 4
3
2
3
2
SCANNER
KVMS B/D
AXIS SENSOR B/D
24G
+24V
24G
1
1
4
4
D-SUB 15P
4
4
+24V
+24V
24G
24G
24G
3
2
1
CN4
3
2
1
4
3
2
4
3
2
44
4 4
CN23
1 1
CN22
2 2
3 3
1 1
2 2
4 4
3 3
CN21
1 1
CN20
22
3 3
1 1
4
4
REAR FEEDER
I/F B/D
FRONT FEEDER
I/F B/D
CN4
24G
+24V
+24V
+24V
24G
4
4
CN10
1
1
3
2
1
3
2
1
24G
24G
+24V
+24V
2
2
4
3
4
3
CN4
1
1
CONVEYOR
I/F B/D
24G
24G
+24V
+24V
CN4
2
3
1
2
3
1
9 9
1010
7 7
88
5
66
5
CN13
MOLEX 10PIN
3
44
3
1
22
1
F-DOOR
READY RELAY OUT
READY LP
R-DOOR
R-SO
F-SO
99
10 10
7
8
6
5
7
8
6
5
F-EM
READY SW
PW-ON
R-EM
4
3
2
1
4
3
2
1
SUB-CN6
CONV.SUB
I/F B/D
4
4
4 4
+24V
+24V
BOARD
CN26
4DP
SAFETY
CONTROL
2 2
33
11
24G
24G
CN1
2
2
3
3
1
1
VME IO B/D
(S M33_C V001)
(S M21_F D001)
(S M21_F D002)
(S M33_A X001)
(S M33_K V001)
(S M33_IT004)
(S M33_VI001)
(S M33_S C 005)
(S M21_F D010)
(S M21_F D011)
(DOCKING CART)
(DOCKING CART)
CN4
CN29
(S M33-S C 003-2)
+24V
24G
24G
+24V
4 4
2
3
2
3
1 1
4
2
3
1
CN28
(S M33-S C 003-1)
24G
+24V
+24V
24G
4 4
2
3
2
3
1 1
4
2
3
CN4
1
SEDES SLAVE B/D
4
REAR
2
3
1
4
2
3
1
SEDES SLAVE B/D
FRONT
CN27
(S M33_P W 032)
+24V
24G
24G
+24V
4 4
2
3
2
3
1 1
HEAD1
SEDES B/D
4P
15
15
4
1
4
1
CN4
4
CN4
1
4
HEAD2
SEDES B/D
1
4P
BOARD
SAFETY
CONTROL

Page
SAMSUNG TECHWIN
124
SM411
Safety Control Board Interface
SAMSUNG TECHWIN
NO. PART NO. PART NAME Q'TY TYPE REMARK
1
J90831089A PS1,PS2_SAFETY CONTROL B/D CABLE ASSY SM33-PW027
2
J90831052A FRONT EM/DOOR READY SW CABLE ASSY SM33-SC001
3
J90831053A REAR EM/DOOR/FD CHANGE SW CABLE ASSY SM33-SC002
4
J90831130A CONV.I/F B/D POWER CABLE ASSY SM33-CV001
5
J9083198A FRONT FDR CTRL PWR CABLE ASSY SM21-FD001
6 J9083202A FRONT D-CART PWR CABLE ASS'Y, D-CART SM21-FD010
7
J9083199A REAR FDR CTRL PWR CABLE ASSY SM21-FD002
8 J9083203A REAR D-CART PWR CABLE ASS'Y, D-CART SM21-FD011
9
J90831153A AXIS SENSOR B/D PW CABLE ASSY SM33-AX001
10
J90831042A KVMS B/D POWER CABLE ASSY SM33-KV001
11 J90831226A DEVICE_NET_CABLE_ASSY SM33-IT004
12
J90831231A SEDES B/D POWER CABLE ASSY SM33-PW032
13
J90831093A VME IO B/D POWER CABLE ASSY SM33-VI001
14
J90831056A CONVEYOR SUB CONN CABLE ASSY SM33-SC005
15
J90831250A SEDES SLAVE HEAD1 B/D POWER CABLE ASSY SM33-SC003-1
16
J90831251A SEDES SLAVE HEAD2 B/D POWER CABLE ASSY SM33-SC003-2
17
J90831453A FRONT FDR BASE PWR CABLE ASSY SM33_FD008
18
J90831454A REAR FDR BASE PWR CABLE ASSY SM33_FD009
19
J90831060A FRONT OVERRIDE KEY EXT. CABLE ASSY SM33-SC009
20
J90831059A SAFEGUARD OVERRIDE KEY SW CABLE ASSY SM33-SC008
21
J90831057A MC1 ENABLE CABLE ASSY SM33-SC006
22
J90831058A MC2 ENABLE CABLE ASSY SM33-SC007
23
J90831062A FR,RR STEP DRIVER POWER CABLE ASSY SM33-SC011
24 J90831062A FR_RR_STEP_DRV_PW_CABLE_ASSY SM33-SC011
25
J90831061A TRAY FEEDER EM CABLE ASSY SM33-SC010
26
27
P art L is t