SM411 Technical Reference(User)-Distribution - 第127页
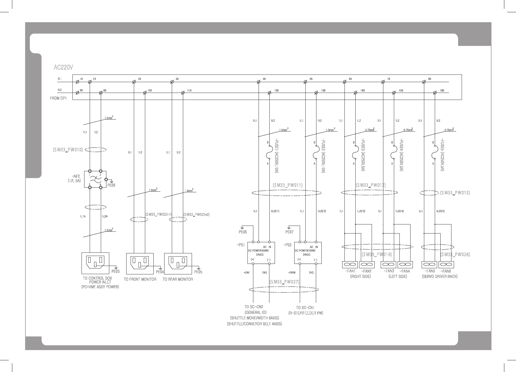
Page SAMSUNG TECHWIN 127 SM411 E le ct ric C irc ui t D ia gra m (3/ 6) 9A 9B 1A 1B 10A 2A 3A A B 11A 14B 6A 4A A B 12B A B 13B 5A B A 7A 15B A B 16B 8A 1 3 4 2 TO REAR MONITOR (PC+VME ASSY POWER) TO CONTROL BOX TO FRONT…

Page
SAMSUNG TECHWIN
126
SM411
Electric Circuit Diagram (2/6)
2 4 6
1 3 5
1
4 5 6
2 3
2
1
2 64
321
1 3 5
4
4
3
2 4
1 3
6
5
2
1
4
3
(S M33_P W 005)
(S M33_P W 004)
2.5 mm
2.5 mm
-MAIN S/W
(600VAC,20A)
L32
L33
L31
-NF1
(3Ø, 20A)
L22
L21
L23
2P-C16
-CP1
(S M33-P W 003-1)
(S M33_P W 002)
(S M33_P W 001)
2.5 mm
FACTORY MAIN POWER
4.0 mm
2.5 mm
(3Ø/PE 60HZ 200~415VAC)
-MCCB1
(3Ø, 20A)
L13
L12
L11
-MAIN CON.
TR S
APPROX. 5KVA)
T
SR
-EARTH PLATE
FRAME GROUND
PE
PE
to TB1-1A,TB1-9A
1L1
1L2
22S
22R
(S M33_P W 008)
22T
3P-C16
-CP3
TF2L1
TF2L2
TF2L3
2.5 mm
to MC2
6.SECONDARY #1 : 1Ø 220(2KVA)
SECONDARY #2 : 3Ø 220(3KVA)
2.FREQUENCY : 50/60Hz
1.CAPACITY : 5KVA
3.PHASE : 3Ø
4. CONNECTION: Y-Y
<TRANS SPECIFICATION>
5.PRIMARY : 3Ø 200/208/220/240/380/415V, 5KVA
(23860)
(23880)
DC POWER #3,#4(24VDC)
(FZ1~FZ6, RZ1~RZ6 AXIS)
to MC1
to TB1-21A,TB1-26A
22R 22T
CONTROL RACK(PC+VME)
MONITOR1,2
DC POWER #1,#2(24VDC)
AC FAN
-TB2
(S M33_P W 030)
2.5 mm
TF1L1
4.0 mm
TF1L2
2.5 mm
(S M33_P W 006)
2L1
2L2
2.5 mm
2.5 mm
2.5 mm
(S M33_P W 007)
2P-C16
-CP2
(23860)
2.5 mm
2
2
PE01
2
2
2
2
2
2
2
2
2
2 2
240
-TRANS
220V
208200 220
L31
220V 220V
0V 220V
200220415380 200208
380
240 415
L32
415208220 380240
L33
PE02
(S M33-P W 003-2)
(S M33-P W 003-3)
(S M33-P W 003-4)
(S M33-P W 003-5)

Page
SAMSUNG TECHWIN
127
SM411
Electric Circuit Diagram (3/6)
9A
9B
1A 1B
10A
2A 3A
A
B
11A 14B
6A4A
A
B
12B
A
B
13B
5A
B
A
7A
15B
A
B
16B
8A
1
3 4
2
TO REAR MONITOR
(PC+VME ASSY POWER)
TO CONTROL BOX
TO FRONT MONITOR
1L1 1L2
FROM CP1
1L2
1L1
1.5mm
(RIGHT SIDE)
-FAN1
-FAN2
1L1 1L2(F3)
0.75mm
1L1 1L2
POWER INLET
1L1 1L2 1L1 1L2
-PS1
1.5mm
1L1 1L2(F1)
1L21L1
-FUSE1 (AC250V,10A)
1.5mm
TO SC-CN2
+24V 24G +24VM 24G
1L1 1L2(F2)
-FUSE2 (AC250V,10A)
1.5mm
1L1 1L2
-PS2
TO SC-CN1
-FUSE3 (AC250V,5A)
-FAN3
(LEFT SIDE)
-FAN4
1L1
1L1
1L2(F4)
-FUSE4 (AC250V,5A)
1L2
0.75mm
(SERVO DRIVER RACK)
-FAN5
-FAN6
1L2(F5)
-FUSE5 (AC250V,5A)
1L2
0.75mm
1L1
1L1
AC220V
(S M33_P W 010)
(S M33_P W 011)
(S M33_P W 012)
(S M33_P W 013)
(GENERAL IO)
(R-STEP/FEEDER PW)
-NF2
(1Ø, 5A)
1L1N 1L2N
(SHUTTLE/CONVEYOR BELT 4AXIS)
(SHUTTLE MOVE/WIDTH 6AXIS)
1.5mm
1.5mm
(S M33_P W 025-1)
(S M33_P W 025-2)
(S M33_P W 027)
(S M33_P W 014) (S M33_P W 026)
PE04
2
PE05
2
PE03
DC POWER(400W)
(+)
PE06
(-)
AC IN
2
24VDC
2
DC POWER(400W)
(-)
24VDC
(+)
AC IN
2
PE07
2 2
PE08
2
2

Page
SAMSUNG TECHWIN
128
SM411
Electric Circuit Diagram (4/6)
1 2
5 6
3
4
19B 20B
19A 20A
18B
18A
17A
17B
1,2 3,4 1,2 3,4
11L1
11L2
2L2
FROM CP2
2L1
-MC1
AC220V
LC1D096BD-20A
24G
+24VZ1 24G
-PS3
(SHUTTLE/CONVEYOR BELT 4AXIS)
11L1 11L2
(SHUTTLE MOVE/WIDTH 6AXIS)
+24VB
24G
-MC1
(PB DRIVER)
+24V 24G
HEAD FZ1~FZ6 AXIS
+24VZ2 24G
-PS4
11L1 11L2
HEAD RZ1~RZ6 AXIS
FROM PS1(DC POWER #1)
+24V
1.5 mm1.5 mm
(S M33_P W 021)
(S M33_P W 020)
(S M33_P W 009)
1.5 mm 1.5 mm
2.5 mm
2.5 mm
2.5 mm
(S M33_P W 007)
(S M33_P W 023)
(S M33_P W 024)
-TB1 (17~20 : DC24V)
(S M33_P W 028)
(S M33_P W 029)
CN1 CN1
DC POWER (400W)
(-)
24VDC
(+)
AC IN
PE09
DC POWER B/D#1
DC POWER B/D#2
DC POWER(400W)
(-)
24VDC
(+)
AC IN
PE10
22
2 2
2
2
2