SM411 Technical Reference(User)-Distribution - 第81页
Page SAMSUNG TECHWIN 81 SM411 S M4 1 1 W iring D iag ra m ( 2/ 2) X7043N SEDES #1 BOARD (30W) (30W) (30W) (50W) SW (750W) FX Panasonic AC servo SET MODE Panasonic AC servo SET MODE +24VP,24G R56 R34 (STEPPING MOTOR) R12 …

Page
SAMSUNG TECHWIN
80
SM411
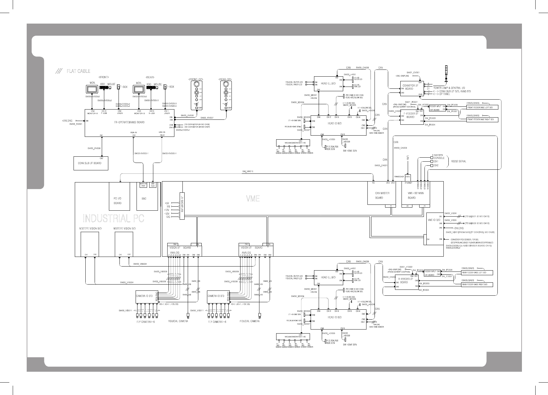
SM411 Wiring Diagram (1/2)
CN1
CN12
USB-IN
VGA-IN
CN2
MONITOR-A
CN3
MONITOR-B
CN13
F-USB
CN15
R-USB
JOG/A
CN9
JOG/B
CN11
CN8
CN10
J1-BACKPLAIN
CAN MASTER VME-162 MAIN
BOARD BOARD
VME IO B/D
CN5
CN1
CPU1
ETHERNET
CONSOLE1
CONSOLE2
CONSOLE3
CONSOLE4
D-SUB 25PIN
CONSOLE
LAN
F-FEEDER I/F
BOARD
CONVEYOR I/F
BOARD
HEAD ILL.B/D
HEAD IO B/D
CN2
CN3
CN3
CN2
CN2
CN5
CN6
TOWER LAMP & GENERAL I/O
+5V
5G
+12V
-12V
12G
CAN
CAN
CAN
CAN
RS232 SERIAL
CH2
+24V,24G
+24V,+24VP,24G
CN4
+24V,+24VP,24G
CN1
P1P2P1
PCI
TRANSCEIVER
210TS
CH1
CN3
CN6
CN4
<--> CONV.SUB I/F B/D, KVMS B'D
CN28
CN2
CAN
CAN
H1~H6
OUTER LED
H1~H6
SIDE LED
FIDUCIAL OUTER LED
CN3
CN4
CN9
<--> OP PANEL
NEXTEYE VISION B/D
CN11
CN
VISION I/F
CN1
CN2 CN3
CN4
ANALOG
J4J3J2
J1
J5 J6
BOARD
J4
J3
J2
J1
CAMERA IO B'D
J5
J6
FLY CAMERA1~6
HD+/-,VD+/-,+12V,12G
FIDUCIAL CAMERA
PCI I/O
BOARD
SBC
MONITOR
PORT
USB1
PORT
CN11
CN10
CN6
CN14
CN15CN13CN4 CN12
R12,R34,R56
AUX.SEN
CN8
Z 1~6 HOME SEN
SENSORSENSORSENSORSENSOR
VAC.
VAC.VAC.
VAC.
H1 H2
H3 H4
VACUUM SENSOR B'D(H1~H6)
H6H5
VAC. VAC.
SENSOR SENSOR
H 1~6 VAC SOL
H 1~6 BLOW SOL
SM33_CA001
SM33_CA002
SM33_VIS011
SM33_VIS009
SM33_VIS008
SM33_VIS
SM33_VIS
SM33_VIS
SM33_VIS
SM33_VIS004
SM33_VI001(FROM SAFETY CONTROL B/D CN26)
SM33_VI004
(TO HEAD1 IO B/D CN13)
SM_FD004
SM_FD003
SM_FD005
(FROM SAFETY CONTROL
SM21_FD001
SM33_CA006
SM33_HD005
SM33_HD005
SM33_HD006
SM33_HI001
SM33_HD004
SM33_HD003
SM33_HD007
SM_VM011
FLAT CABLE
SM_FD007
SM_FD006
FEEDER INPUT
CN3
CN2
EXT.BOARD
FRONT FEEDER BASE RIGHT B/D
FRONT FEEDER BASE LEFT B/D
F24V/G,D24V/G
F24V/G,D24V/G
CH1
CH2
SM21_CV001
CN5
FIDUCIAL INNER LED
+24V,24G
HEAD HOME SENSOR
CN1
+24V,24G
SM33_HD001
CN1
R12,34,56 HOME SENav
SM33
_HD008
SW HOME SEN
(TO VME IO B/D CN9)
HEAD VAC/BLOW SOL
CN11
CN
VISION I/F
CN1
CN2 CN3
CN4
ANALOG
J4J3J2
J1
J5 J6
BOARD
J4
J3
J2
J1
CAMERA IO B'D
J5
J6
FLY CAMERA1~6
HD+/-,VD+/-,+12V,12G
FIDUCIAL CAMERA
SM33_VIS011
SM33_VIS009
SM33_VIS008
SM33_VIS
SM33_VIS
SM33_VIS
SM33_VIS
SM33_VIS004
NEXTEYE VISION B/D
CH1
CH2
<FRONT>
<REAR>
FR-OPERATE(KVMS) BOARD
CN4
+24V,24G
<FRONT-OP> <REAR-OP>
MON.
KBD MOUSE
T-BOX
MON.
KBD MOUSE
T-BOX
SM33-KV003-2
SM33-KV005-2
SM33-CV023-4
SM33-KV003-3
SM33-CV023-3
SM33-CV023-5
SM33_KV001
(TO CONVEYOR I/F B/D CN26)
SM33-KV003-1
SM33-CV023-1
CN5
CN6
CN7
CONV.SUB I/F BOARD
CN7
SM33_KV008
SM33_KV006
SM33_KV007
(TO CONVEYOR I/F B/D CN27)
SM33-KV005-1
HEAD ILL.B/D
HEAD IO B/D
CN2
CAN
CN3
CN6
CN2
CAN
CAN
H1~H6
OUTER LED
H1~H6
SIDE LED
FIDUCIAL OUTER LED
CN3
CN4
CN9
CN11
CN10
CN6
CN14
CN15CN13CN4 CN12
R12,R34,R56
AUX.SEN
CN8
Z 1~6 HOME SEN
SENSORSENSORSENSORSENSOR
VAC.
VAC.VAC.
VAC.
H1 H2
H3 H4
VACUUM SENSOR B'D(H1~H6)
H6H5
VAC. VAC.
SENSOR SENSOR
H 1~6 VAC SOL
H 1~6 BLOW SOL
SM33_CA006
SM33_HD005
SM33_HD005
SM33_HD006
SM33_HI001
SM33_HD004
SM33_HD003
SM33_HD007
CN5
FIDUCIAL INNER LED
+24V,24G
HEAD HOME SENSOR
CN1
+24V,24G
SM33_HD001
CN1
R12,34,56 HOME SEN
SM33
_HD008
SW HOME SEN
(TO VME IO B/D CN9)
HEAD VAC/BLOW SOL
CN11
R-FEEDER I/F
BOARD
CN2
CN3
CN4
CN5
CN6
+24V,+24VP,24G
CN11
FEEDER INPUT
EXT.BOARD
SM33_CA005
(FROM SAFETY CONTROL
SM_FD003
SM_FD004
SM_FD005
SM21_FD002
CN3
CN2
SM_FD007
SM_FD006
REAR FEEDER BASE LEFT B/D
REAR FEEDER BASE RIGHT B/D
F24V/G,D24V/G
F24V/G,D24V/G
CPU1
CAN
SM33_CA003
CN2
SM33_VI005
(TO HEAD2 IO B/D CN13)
CN6
CONVEYOR PCB SENSOR, F/R SOL
SM33-CS035-1(to AXIS SENSOR BOARD CN10)
(STOPPER,ANC,EDGE PUSHER,WORK STOPPER,BUT)
INDUSTRIAL PC
VME
G
LOCK
R
S
T
M
E
E
CHANGE
F/FEEDER
RESET
0N
STOP
START
READY
E
O
P
C
N
Y
RESET
F/FEEDER
CHANGE
STOP
START
READY
P
O
T
S
Y
N
C
E
E
E
M
R
G
LOCK
0N
SM33-CV023-2
SM33-KV005-3
SM33-CS035-2

Page
SAMSUNG TECHWIN
81
SM411
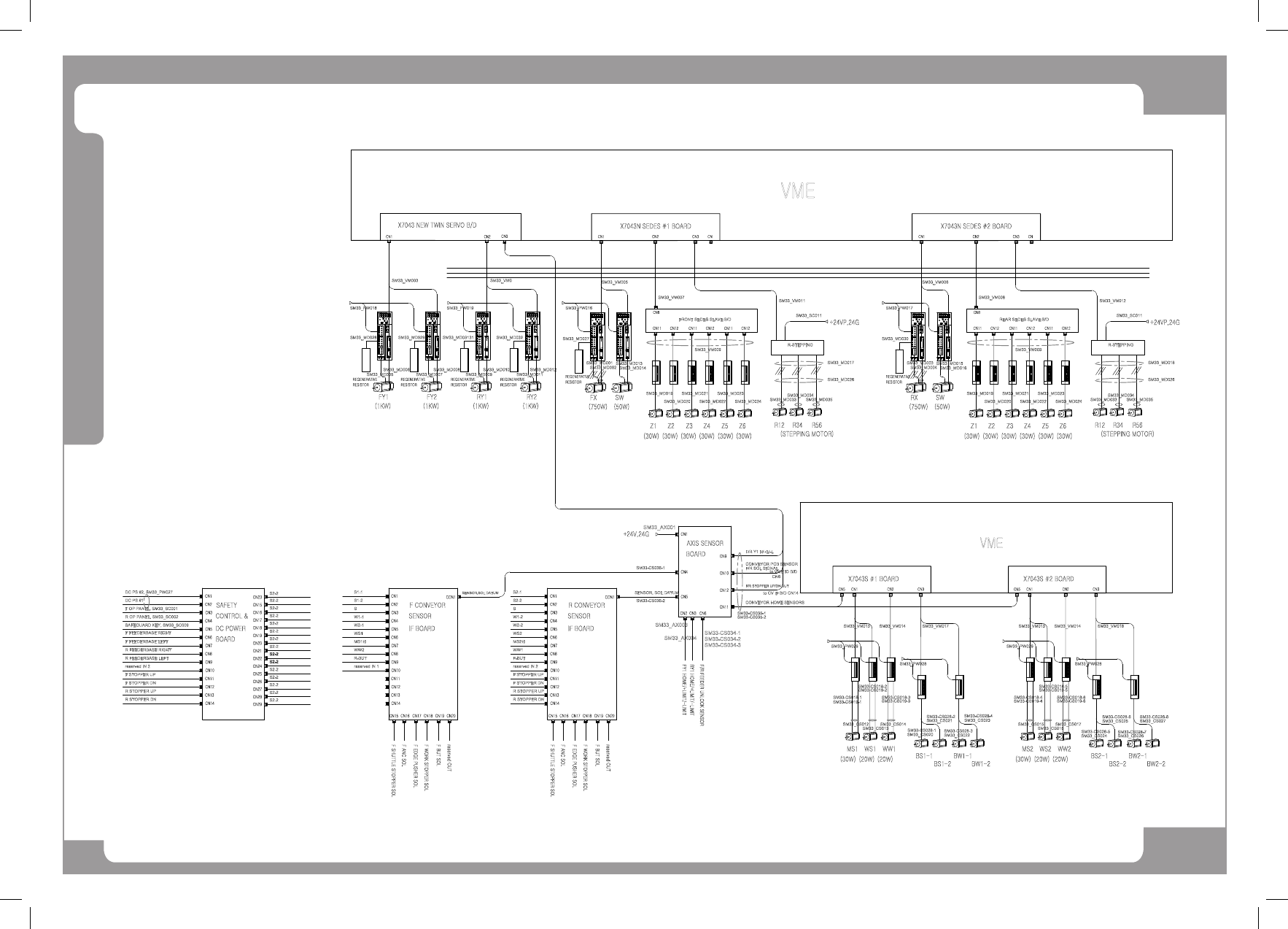
SM411 Wiring Diagram (2/2)
X7043N SEDES #1 BOARD
(30W) (30W) (30W)
(50W)
SW
(750W)
FX
Panasonic AC servo
SET
MODE
Panasonic AC servo
SET
MODE
+24VP,24G
R56R34
(STEPPING MOTOR)
R12
VME
X7043 NEW TWIN SERVO B/D
(1KW)
FY2
(1KW)
FY1
Panasonic AC servo
SET
MODE
Panasonic AC servo
SET
MODE
(1KW)
RY2
(1KW)
RY1
Panasonic AC servo
SET
MODE
Panasonic AC servo
SET
MODE
Z1 Z2 Z3 Z4 Z5 Z6
(30W) (30W) (30W)
X7043N SEDES #2 BOARD
(30W) (30W) (30W)
(50W)
SW
(750W)
RX
Panasonic AC servo
SET
MODE
Panasonic AC servo
SET
MODE
+24VP,24G
R56R34
(STEPPING MOTOR)
R12
Z1 Z2 Z3 Z4 Z5 Z6
(30W) (30W) (30W)
CN1 CN2
CN3
X7043S #1 BOARD
(30W) (20W) (20W)
VME
MS1 WS1 WW1
BS1-1
BS1-2
BW1-1
BW1-2
CN1 CN2
CN3
X7043S #2 BOARD
(30W) (20W) (20W)
MS2 WS2 WW2
BS2-1
BS2-2
BW2-1
BW2-2
CN6
CN3CN2
CN11
CN1
BOARD
AXIS SENSOR
+24V,24G
F/R FEEDER UNLOCK SENSOR
RY1 HOME/+LIMIT/-LIMIT
FY1 HOME/+LIMIT/-LIMIT
SM33_AX003
SM33_AX004
SM33-CS034-1
SM33-CS034-2
SM33-CS034-3
SM33_AX001
CN5 CN5
CN9
CN10
CN12
F/R STOPPER UP/DN,BUT
CN16CN15
CN1
SENSOR
R CONVEYOR
F ANC SOL
F SHUTTLE STOPPER SOL
CON1
CN5
CN4
CN2
CN3
CN4
CN5
CN6
CN7
CN8
CN9
CN10
CN11
CN12
CN13
CN14
CN18
F WORK STOPPER SOL
CN19
F BUT SOL
CN20
reserved OUT
CN17
F EDGE PUSHER SOL
IF BOARD
CN16CN15
CN1
SENSOR
F CONVEYOR
F ANC SOL
F SHUTTLE STOPPER SOL
CON1
SENSOR,SOL DATUM
CN2
CN3
CN4
CN5
CN6
CN7
CN8
CN9
CN10
CN11
CN12
CN13
CN14
CN18
F WORK STOPPER SOL
CN19
F BUT SOL
CN20
reserved OUT
CN17
F EDGE PUSHER SOL
IF BOARD
CN1
CONTROL &
SAFETY
CN23
CN2
CN3
CN4
CN5
CN6
CN7
CN8
CN9
CN10
CN11
CN12
CN13
CN14
DC POWER
BOARD
CN15
CN16
S2-2
CN17
S2-2
CN18
S2-2
CN19
S2-2
CN20
S2-2
CN21
S2-2
CN22
S2-2S2-2
CN24
S2-2S2-2
CN25
S2-2
CN26
S2-2
CN27
S2-2
CN28
S2-2
CN29
CN1 CN2 CN3 CN
SM33_MD001
SM33_MD002
SM33_MD013
SM33_MD014
FRONT SEDES SLAVE B/D
SM33_VM005
R-STEPPING
CN1
SM33_MD006
SM33_VM003
CN3
CN2
SM33_VM0
CN8
CN11 CN12 CN11 CN12 CN11 CN12
SM33_VM007
SM33_VM009
SM33_MD019
SM33_MD020
SM33_MD021
SM33_MD022
SM33_MD023
SM33_MD024
SM33_PW016
SM33_MD027
REGENERATIVE
RESISTOR
SM33_VM011
SM33_MD017
SM33_MD026
SM33_MD033 SM33_MD035
SM33_MD034
SM33_SC011
CN1 CN2 CN3 CN
SM33_MD003
SM33_MD004
SM33_MD015
SM33_MD016
REAR SEDES SLAVE B/D
SM33_VM006
R-STEPPING
CN8
CN11 CN12 CN11 CN12 CN11 CN12
SM33_VM008
SM33_VM009
SM33_MD019
SM33_MD020
SM33_MD021
SM33_MD022
SM33_MD023
SM33_MD024
SM33_PW017
SM33_MD030
REGENERATIVE
RESISTOR
SM33_VM012
SM33_MD018
SM33_MD026
SM33_MD033 SM33_MD035
SM33_MD034
SM33_SC011
SM33_MD005
SM33_MD008
SM33_MD007
SM33_MD010
SM33_MD009
SM33_MD012
SM33_MD011
SM33_MD028
REGENERATIVE
RESISTOR
SM33_MD029
REGENERATIVE
RESISTOR
SM33_MD03131
REGENERATIVE
RESISTOR
SM33_MD032
REGENERATIVE
RESISTOR
SM33_PW018 SM33_PW019
SM33-CS018-1
SM33-CS019-1
SM33_CS020
SM33_PW029
SM33_PW028
SM33_VM013 SM33_VM014 SM33_VM017
SM33-CS018-3
SM33-CS018-2
SM33_CS012 SM33_CS014
SM33_CS013
SM33_CS021
SM33_CS022
SM33_CS023
SM33-CS028-1
SM33-CS028-2
SM33-CS028-3
SM33-CS028-4
SM33-CS028-5
SM33-CS028-6
SM33-CS028-7
SM33-CS028-8
SM33-CS018-4
SM33_CS024
SM33_PW029
SM33_PW028
SM33_VM013 SM33_VM014 SM33_VM018
SM33-CS018-6
SM33-CS018-5
SM33_CS015 SM33_CS017
SM33_CS016
SM33_CS025
SM33_CS026
SM33_CS027
CONVEYOR HOME SENSORS
SM33-CS035-1
F/R Y1 H/+L/-L
CONVEYOR PCB SENSOR
F/R SOL SIGNAL
to VME IO B/D
CN6
to CV IF B/D CN14
SENSOR, SOL DATUM
S2-1
S
S2-2
W1-2
W2-2
WS2
MS2H
WW1
F-BUT
reserved IN 2
F STOPPER UP
F STOPPER DN
R STOPPER UP
R STOPPER DN
S1-1
S
S1-2
W1-1
W2-1
WS1
MS1H
WW2
R-BUT
reserved IN 1
SM33-CS036-1
DC PS #2, SM33_PW027
F OP PANEL, SM33_SC001
DC PS #1
R OP PANEL, SM33_SC002
SAFEGUARD KEY, SM33_SC009
F FEEDERBASE LEFT
R FEEDERBASE RIGHT
R FEEDERBASE LEFT
reserved IN 2
F STOPPER UP
F STOPPER DN
R STOPPER UP
R STOPPER DN
S2-2
S2-2
S2-2
F FEEDERBASE RIGHT
SM33-CS035-2
SM33-CS036-2
SM33-CS019-2
SM33-CS019-3
SM33-CS019-4
SM33-CS019-5
SM33-CS019-6

Page
SAMSUNG TECHWIN
82
SM411
VME IO Board Interface
CN5
4P
VME IO
BOARD
VME IO
BOARD
6P
CN3P
3
CN2S
2
5
20P
CN1P
33
4 4
2
1
2
1
24G
24G
+24V
CN1S
+24V
6
1
4
+24V
F_FIX1 SIDE
+24V
+24V
F_FIX1 OUTER
F_FIX1 INNER
6
3
2
5
4
1
CN4P
6P
CN3S
+24V
+24V
F_FIX2 INNER
F_FIX2 OUTER
F_FIX2 SIDE
+24V
6
5
4
3
2
1
FROM SAFETY CONTROL B/D CN26
S M33_VI001
S M33_VI002
S M33_VI003
12
11
10
9
8
7
6
5
4
3
2
HD1-SOL
1
FRONT FLAT
CABLE
12
11
10
9
8
7
6
5
4
3
2
1
H1-VAC
H2-VAC
H3-VAC
H4-VAC
H5-VAC
H6-VAC
13
12
3
5
7
6
4
2
CN9S
20S
H6-BLOW
H4-BLOW
H5-BLOW
H3-BLOW
H2-BLOW
H1-BLOW
2
4
3
1
TO FIX1 LED I/F B/D JP1
TO FIX2 LED I/F B/D JP1
15
14
17
16
S M33_VI004
3
2
5
6
1
4
3
2
5
6
1
4
3
2
5
6
1
4
13
12
3
5
7
6
4
2
15
14
17
16
17 17
16
15
16
15
14
13
14
13
12
7
12
7
6
5
6
5
H6-BLOW
S M33_VI005
12 12
H2-BLOW
H4-BLOW
H3-BLOW
H5-BLOW
H1-BLOW
H6-VAC
H4-VAC
H5-VAC
11
10
11
10
9
8
9
8
7
6
7
6
5
4
5
4
CN2P
20P
CN9S
3
4
3
4
2 2
20S
H2-VAC
H3-VAC
H1-VAC
HD2-SOL
3
2
3
2
1 1
REAR FLAT
CABLE
REAR EDGE PUSHER SOL
REAR WORK STOPPER SOL
FRONT STOPPER SOL
FRONT EDGE PUSHER SOL
FRONT WORK STOPPER SOL
REAR WORK #2 (W2-2)
FRONT WORK #2 (W1-2)
FRONT FEEDER UNLOCK
B1B1
B9B9
B13 B13
B15 B15
B14 B14
B11 B11
B12 B12
B10 B10
REAR BUT SOL
REAR ANC SOL
B5B5
B7B7
B8 B8
B6 B6
B3B3
B4 B4
B2 B2
FRONT BUT SOL
FRONT ANC SOL
BOARD OUT #2 (BO)
A14 A14
A15 A15
A12
A13
A12
A13
A10
A11
A10
A11
A8
A9
A8
A9
REAR FEEDER UNLOCK
GND
GND
REAR STOPPER SOL
A3A3
A6
A7
A6
A7
A4
A5
A4
A5
CN6
A1A1
A2 A2
FRONT WORK #1 (W1-1)
PCB OUT #1 (S2-1)
REAR WORK #1 (W2-1)
PCB OUT #2 (S2-2)
PCB IN #2 (S1-2)
PCB IN #1 (S1-1)
BOARD OUT #1 (BO)
B1B1
B9B9
B13B13
B15B15
B14 B14
B11B11
B12 B12
B10 B10
B5B5
B7B7
B8 B8
B6 B6
B3B3
B4 B4
B2 B2
AXIS SENSOR BOARD
A14A14
A15 A15
A12
A13
A12
A13
A10
A11
A10
A11
A8
A9
A8
A9
A3 A3
A6
A7
A6
A7
A4
A5
A4
A5
A1 A1
A2 A2
CN10
S M33-C S 035-2
S M33-C S 035-1