SM411 Technical Reference(User)-Distribution - 第84页
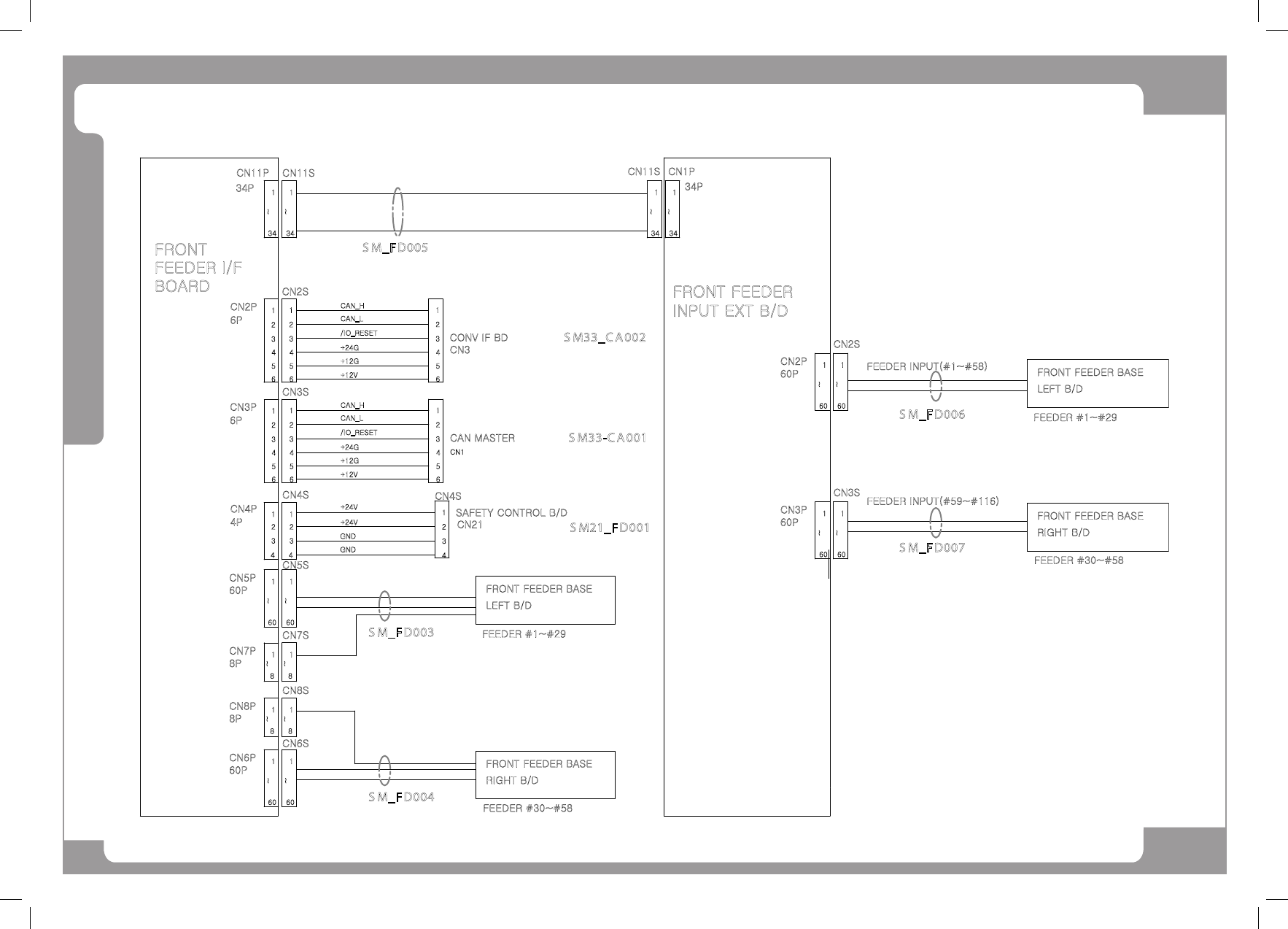
Page SAMSUNG TECHWIN 84 SM411 F ro nt Fe ed er Bo ard I nte rf ace CN11P 34P FRONT FEEDER I/F BOARD FRONT FEEDER INPUT EXT B/D +24V GND GND +24V /IO_RESET +24G +12G +12V CAN_H CAN_L CAN_H CAN_L /IO_RESET +24G +12G +12V 4…

Page
SAMSUNG TECHWIN
83
SM411
VME IO Board Interface
NO. PART NO. PART NAME Q'TY TYPE REMARK
1
J90831096A HEAD1 VAC/BLOW CONTROL CABLE ASSY SM33-VI004
2
J90831097A HEAD2_VAC-BLOW_CTRL_CABLE_ASSY SM33-VI005
3
J90831093A VME IO B/D POWER CABLE ASSY SM33-VI001
4
J90831094A FIX1_ILL_I-F_CABLE_ASSY SM33-VI002
5
J90831095A FIX2_ILL_I-F_CABLE_ASSY SM33-VI003
6
J90831288A AXIS SENSOR BOARD DATA CABLE ASSY SM33-CS035-1
7
J90831289A AXIS SENSOR BOARD STP_BUT DATA CABLE ASSY SM33-CS035-2
8
9
10
11
12
13
14
15
16
17
18
19
20
21
22
23
24
25
26
27
P art L is t

Page
SAMSUNG TECHWIN
84
SM411
Front Feeder Board Interface
CN11P
34P
FRONT
FEEDER I/F
BOARD
FRONT FEEDER
INPUT EXT B/D
+24V
GND
GND
+24V
/IO_RESET
+24G
+12G
+12V
CAN_H
CAN_L
CAN_H
CAN_L
/IO_RESET
+24G
+12G
+12V
4
5
6
4
5
6
4P
CN4P
6P
CN3P
4
5
6
4
5
6
11
60
~
60
CN5S
2
2
3
3
CN3S
1
1
6P
CN2P
3
3
CN2S
1
2
1
2
4
5
6
3
4
5
6
2
1
CAN MASTER
CN1
3
2
1
CONV IF BD
CN3
S M21_F D001
S M33-C A 001
S M33_C A 002
CN5P
60P
CN4S
4
3
2
1
SAFETY CONTROL B/D
CN21
~
~
8
CN7P
8P
1
~
8
1
CN7S
4
1
4
1
CN4S
2 2
3 3
11
60
60P
~
60
~
CN6P
CN6S
FRONT FEEDER BASE
LEFT B/D
FRONT FEEDER BASE
RIGHT B/D
FEEDER #1~#29
FEEDER #30~#58
S M_F D003
S M_F D004
11
34
~
34
~
CN11S
1 1
34
~
34
~
CN1PCN11S
34P
S M_F D005
60 60
1
60P
~
CN3P
1
~
CN3S
11
60
60P
~
60
~
CN2P
CN2S
FEEDER #30~#58
RIGHT B/D
FRONT FEEDER BASE
S M_F D007
FEEDER #1~#29
FRONT FEEDER BASE
LEFT B/D
S M_F D006
FEEDER INPUT(#1~#58)
FEEDER INPUT(#59~#116)
~
~
8 8
CN8P
8P
1
CN8S
1

Page
SAMSUNG TECHWIN
85
SM411
Front Feeder Board Interface
SAMSUNG TECHWIN
NO. PART NO. PART NAME Q'TY TYPE REMARK
1 J90800840B FDR INPUT EXT CABLE ASS'Y SM_FD005
2
J90831027A FFDR-CVIF CAN CABLE ASSY SM33-CA002
3
J90831026A MASTER CPU1-FFDR CAN CABLE ASSY SM33-CA001
4
J9083198A FRONT FDR CTRL PWR CABLE ASSY SM21-FD001
5 J9080838A LEFT FDR SOL OUTPUT CABLE ASS'Y SM_FD003
6 J9080839A RIGHT FDR SOL OUTPUT CABLE ASS'Y SM_FD004
7 J9080841A LEFT FDR SENSOR INPUT CABLE ASS'Y SM_FD006
8 J9080842A RIGHT FDR SENSOR INPUT CABLE ASS'Y SM_FD007
9
10
11
12
13
14
15
16
17
18
19
20
21
22
23
24
25
26
27
P art L is t