SM411 Technical Reference(User)-Distribution - 第87页
Page SAMSUNG TECHWIN 87 SM411 R ea r Fee de r B oa rd In ter fa ce NO. PART NO. PART NAME Q'TY TYPE REMARK 1 J90800840B FDR INPUT EXT CABLE ASS'Y SM_FD005 2 J90831030A RFDR-REAR FLAT CAN CABLE ASSY SM33-CA005 3…

Page
SAMSUNG TECHWIN
86
SM411
Rear Feeder Board Interface
CN11P
34P
REAR FEEDER
I/F
BOARD
REAR FEEDER
INPUT EXT B/D
+24V
GND
GND
+24V
/IO_RESET
+24G
+12G
+12V
CAN_H
CAN_L
CAN_H
CAN_L
/IO_RESET
+24G
+12G
+12V
4
5
6
4
5
6
4P
CN4P
6P
CN3P
4
5
6
4
5
6
11
60
~
60
CN5S
2
2
3
3
CN3S
1
1
6P
CN2P
3
3
CN2S
1
2
1
2
4
5
6
3
4
5
6
2
1
CAN MASTER BD
CN2
3
2
1
REAR FLAT CABLE
HD-CAN
S M21_F D002
S M33-C A 003
S M33_C A 005
CN5P
60P
CN4S
4
3
2
1
SAFETY CONTROL B/D
CN22
~
4
1
4
1
CN4S
2 2
3 3
11
60
60P
~
60
~
CN6P
CN6S
REAR FEEDER BASE
LEFT B/D
REAR FEEDER BASE
RIGHT B/D
FEEDER #1~#29
FEEDER #30~#58
S M_F D003
S M_F D004
11
34
~
34
~
CN11S
1 1
34
~
34
~
CN1PCN11S
34P
S M_F D005
60 60
1
60P
~
CN3P
1
~
CN3S
11
60
60P
~
60
~
CN2P
CN2S
FEEDER #30~#58
RIGHT B/D
REAR FEEDER BASE
S M_F D007
FEEDER #1~#29
REAR FEEDER BASE
LEFT B/D
S M_F D006
FEEDER INPUT(#1~#58)
FEEDER INPUT(#59~#116)
~
~
8 8
~
~
CN8P
8P
1
8
CN8S
1
8
CN7P
8P
1
CN7S
1

Page
SAMSUNG TECHWIN
87
SM411
Rear Feeder Board Interface
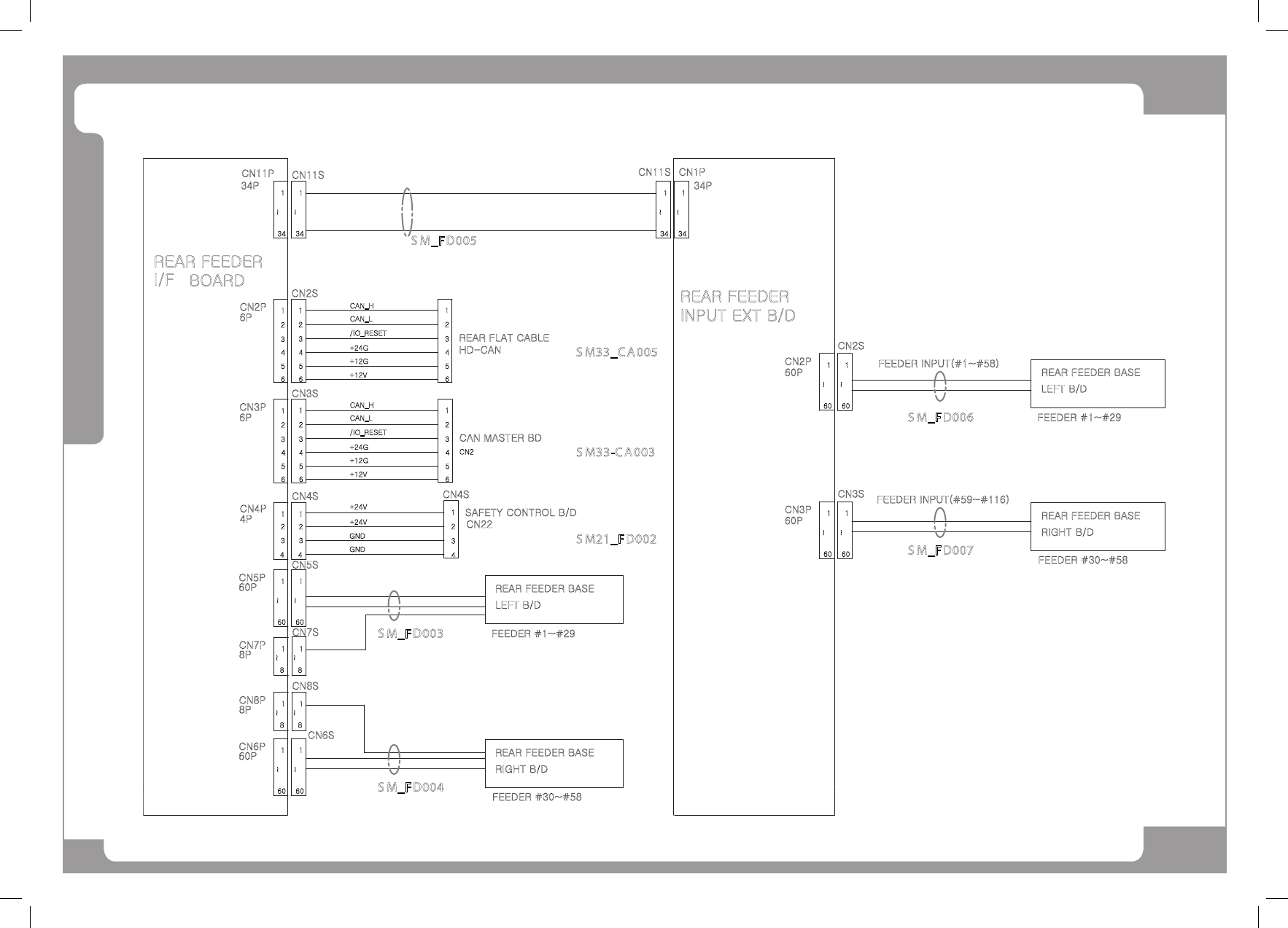
NO. PART NO. PART NAME Q'TY TYPE REMARK
1 J90800840B FDR INPUT EXT CABLE ASS'Y SM_FD005
2
J90831030A RFDR-REAR FLAT CAN CABLE ASSY SM33-CA005
3
J90831028A MASTER CPU2-RFDR CAN CABLE ASSY SM33-CA003
4
J9083199A REAR FDR CTRL PWR CABLE ASSY SM21-FD002
5 J9080838A LEFT FDR SOL OUTPUT CABLE ASS'Y SM_FD003
6 J9080839A RIGHT FDR SOL OUTPUT CABLE ASS'Y SM_FD004
7 J9080841A LEFT FDR SENSOR INPUT CABLE ASS'Y SM_FD006
8 J9080842A RIGHT FDR SENSOR INPUT CABLE ASS'Y SM_FD007
9
10
11
12
13
14
15
16
17
18
19
20
21
22
23
24
25
26
27
P art L is t

Page
SAMSUNG TECHWIN
88
SM411
Conveyor Board Interface (1/5)
1
3
2
1
3
2
I/F BOARD
+24V
GND
GND
+24V
/IO_RESET
+24G
+12G
+12V
CAN_H
CAN_L
CAN_H
CAN_L
/IO_RESET
+24G
+12G
+12V
4
5
6
4
5
6
4P
CN4P
6P
CN3P
4
5
6
4
5
6
11
3
4
2
3
4
2
CN4S
2
2
3
3
CN3S
1
1
6P
CN2P
3
3
CN2S
1
2
1
2
8
7
6
6
8
7
4
5
4
5
4
5
6
3
4
5
6
2
1
F_FEEDER I/F B/D
CN2
3
2
1
FLAT CABLE
CAN
CONVEYOR
8P
CN1P
CN1S
CONVEYOR
I/F BOARD
CN6S
CN6P
24P
READY LP
S M33_C A 004
S M33_C A 003
S M33_C V 001
CN20
2
4
3
1
SAFETY CONTROL B/D
READY RELAY OUT
22
4
3
5
2
1
22
4
3
5
2
1
START LP
STOP LP
9
9
10
10
21
21
RESET LP
+24V
14
14
16
16
FFD LP
13
13
+24V
RFD LP
15
15
+24V
19
19
17
17
24G
CONV SUB I/F B/D
2
12
3
4
11
7
8
5
6
10
9
1
9
10
6
5
8
7
11
4
3
12
2
1
+24V
CN1S
CN1P
12P
S M33_C V 003
for Firmware Downloading