SM411 Technical Reference(User)-Distribution - 第90页
Page SAMSUNG TECHWIN 90 SM411 C on ve yor B oar d Int er fac e (3/ 5) CN19S 6P CN19P 2 4 6 1 5 3 CN18S CN17P CONVEYOR I/F BOARD 24P 22 22 16 18 16 18 14 14 CN17S CONV SUB I/F B/D 18 16 14 CONVEYOR I/F BOARD 24P CN18P 18 …

Page
SAMSUNG TECHWIN
89
SM411
Conveyor Board Interface (2/5)
GREEN
24G
22
4
3
4
3
1
RED
BLUE
1
BLUE
GREEN
TOWER LAMP
RED
24G
RED LAMP
BLUE LAMP
GREEN LAMP
S M33_C V 004
BUZZER
+24V
FRONT D_CART SOL1
+24V
REAR D_CART SOL1
1
2 2
1
+24V
BZ
BUZZER
RED
TOWER LAMP
GREEN
BLUE
S M33_C V 004
+24V
BZ
+24V
FRONT D_CART SOL2
+24V
REAR D_CART SOL2
CN14S
CN13S
CN11P
6P
33
4
4
6
6
2
5
2
5
CN11S
1 1
22
CONVEYOR
I/F BOARD
CN10P
CN9P
6P
6P
CN9S
CN10S
4
3
2
4
3
2
33
1
4
1
4
1
2
1
2
4
5
6
4
5
6
3 3
CN7P
6P
CN7S
1 1
CONVEYOR
I/F BOARD
2
INLINE AFTER
INLINE BEFORE
24P
CN14P
5
6
3
4
6P
CN13P
1
2
5
6
3
4
1
5
3
5
3
4
6
4
6
2
2
1 1
11
2
2
6
4
6
4
3
5
3
5
BUSY OUTPUT
AVAILABLE OUTPUT
DF1B-6DP-
DF1B-6DP-
DF1B-6DP-
DF1B-6DP-
DF1B-6DP-
TW-LP
2
1
FRONT DOCKING CART
SOL VALVE
REAR DOCKING CART
SOL VALVE
2
1
* DOCKING CART OPTION
SM33_CV006 SM33_CV024
S M33_C V 028
S M33_C V 029
TW-BZ
1
2
1
2
3
4
2
1
3
4
2
1
21
16
15
4
9
3 3
4
9
15
16
21
FRONT BUT UP (F-BUT)
REAR WORK STOPPER UP (R-STS-UP)
REAR WORK STOPPER DN (R-STS-DN)
FRONT WORK STOPPER UP (F-STS-UP)
FRONT WORK STOPPER DN (F-STS-DN)
REAR BUT UP (R-BUT)
1
2
3
6
7
8
AXIS SENSOR BOARD
CN12
8
7
6
1
2
3
10P
S M33-C S 035-2
S M33-C S 035-1

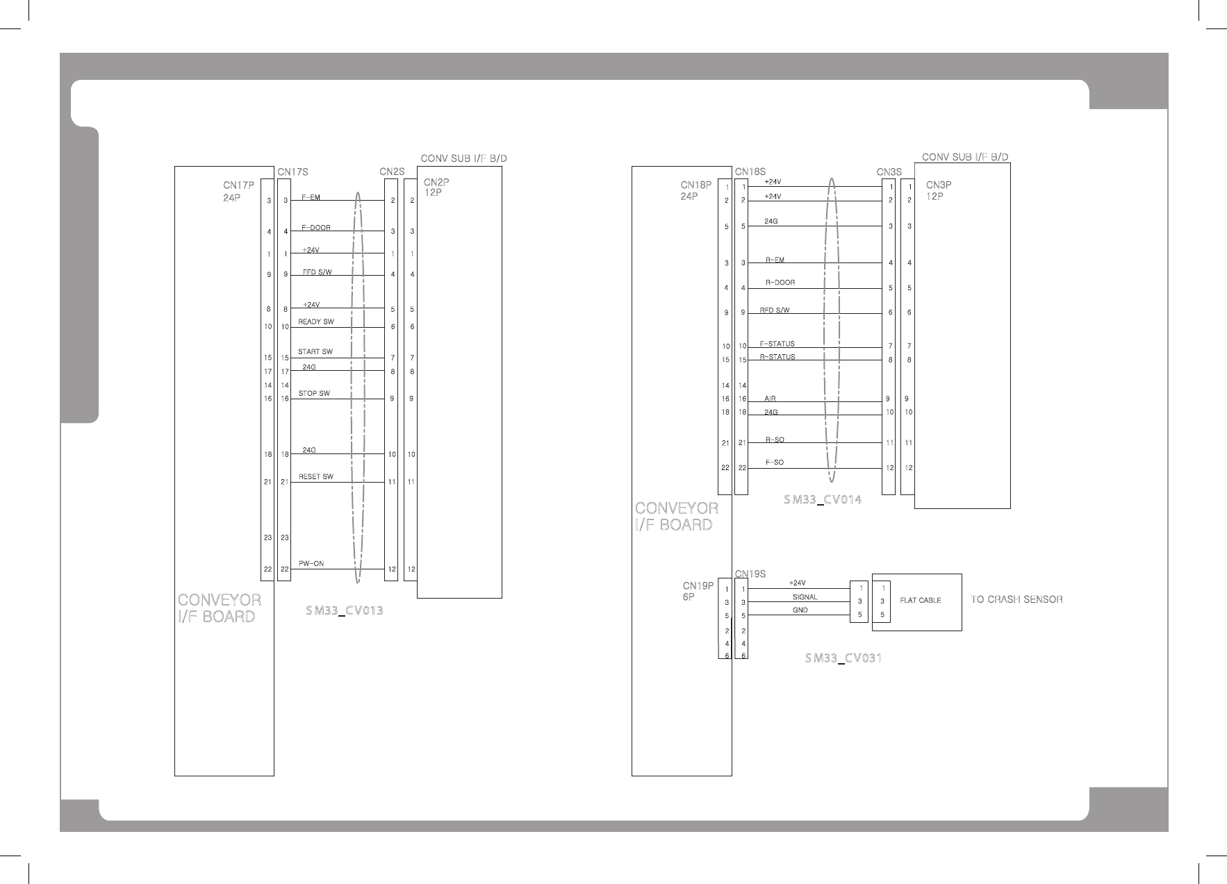
Page
SAMSUNG TECHWIN
90
SM411
Conveyor Board Interface (3/5)
CN19S
6P
CN19P
2
4
6
1
5
3
CN18S
CN17P
CONVEYOR
I/F BOARD
24P
22 22
16
18
16
18
14 14
CN17S
CONV SUB I/F B/D
18
16
14
CONVEYOR
I/F BOARD
24P
CN18P
18
16
14
F-EM
F-DOOR
FFD S/W
R-EM
R-DOOR
READY SW
START SW
STOP SW
PW-ON
AIR
24G
+24V
+24V
24G
24G
23 23
2121
RESET SW
15
17
8
10
15
17
8
10
9
1
4
3
9
1
4
3
3
2
5
1
3
2
5
1
+24V
+24V
24G
4
4
10
10
15
15
R-STATUS
F-STATUS
22
22
21
21
F-SO
R-SO
12
2
3
1
4
6
5
8
7
11
CN2S
10
9
12
CN2P
9
10
11
7
8
5
6
4
1
3
2
12P
S M33_C V 013
11
12
8
7
5
1
3
2
4
9
10
CN3S
RFD S/W
9
9 6
12
11
9
10
7
6
8
5
4
3
2
1
CN3P
12P
CONV SUB I/F B/D
S M33_C V 014
3
5
1
S M33_C V 031
FLAT CABLE
1
5
3
4
2
6
1
5
3
GND
SIGNAL
+24V
TO CRASH SENSOR

Page
SAMSUNG TECHWIN
91
SM411
Conveyor Board Interface (4/5)
INLINE BEFORE
INLINE AFTER
6P
CN24P
6
4
4
6
2
5
3 3
2
5
CN24S
1
6
1
6
6P
CN23P
2
5
4
2
5
4
CN23S
3
1
3
1
6P
CN21P
4
6
6
4
3
5
2
5
2
3
CN21S
1 1
6
6
CONVEYOR
I/F BOARD
CN20P
6P
2
5
4
2
5
4
CN20S
3
1
3
1
3
4
2
1
2
1
3
4 4
2
1
3
2
3
4
1
3
4
2
1
3
4
2
1
6
5
4
3
2
1
CN28S
33
CN28P
3P
2
1
2
1
5
6
4
6
5
4
MVME3100 B/D
RXD
TXD
GND
3
6
8
7
5
4
2
1
6
5
4
3
2
1
CONVEYOR
I/F BOARD
CN27S
CN26S
CN27P
6P
2
3
1 1
2
3
5
6
6
5
CN26P
6P
2
3
4
2
3
4
1 1
BUSY INPUT
AVAILABLE INPUT
3
1
2
44
3
1
2
RECEIVER
FRONT ARER
SENSOR
+24V
FASEN
24G
3
1
22
3
1
+24V
24G
FRONT AREA
SENSOR
EMMITER
FASEN
SYNC
SYNC
+24V
24G
+24V
24G
3
1
2
3
1
2
4
2
33
24G
+24V
2
3
1
24G
4
3
2
5
2
5
4
6
6
4
RASEN
+24V
1
11
CN22S
CN22P
6P
REAR ARER
SENSOR
SYNC
SYNC
+24V
24G
24G
EMMITER
REAR AREA
SENSOR
RECEIVER
+24V
RASEN
1
3
1
3
CN12S
4
5
2
4
5
2
CN12P
6P
6
6
OPTION!
S M33_C V 021
CN-FDOCK2
CN-FDOCK1
24G
FDOCK2
+24V
24G
FDOCK1
+24V
3
2
2
3
1
2
1
3
3
2
11
EE-SPY312
EE-SPY312
FRONT DOCKING
SENSOR 2
FRONT DOCKING
SENSOR 1
CN-RDOCK1
CN-RDOCK2
RDOCK2
RDOCK1
+24V
24G
+24V
24G
EE-SPY312
EE-SPY312
REAR DOCKING
SENSOR 2
REAR DOCKING
SENSOR 1
1 1
2
3
3
1
2
1
3
2
2
3
DOCKING CART OPTION
S M33_C V006
S M33_C V 024
S M33_C V015
S M33_C V016
S M33_C V017
S M33_C V018
S M33_C V 019
S M33_C V 020
2
1 1
2
HEAD1 AIR SOL VALVE
HEAD1 AIR SOL
+24V
S M33-C V 027-1
S M33-C V 027-2
PMC-3 PORT
2
1 1
2
HEAD2 AIR SOL
+24V
HEAD2 AIR SOL VALVE
TEACHING BOX CABLE
S M33_C V023-1
6P
CN26P
6P
CN27P
CN9
CN8
KVMS B/D
1
2
3
4
6
5
1
2
3
6
5
4