SM411 Technical Reference(User)-Distribution - 第94页
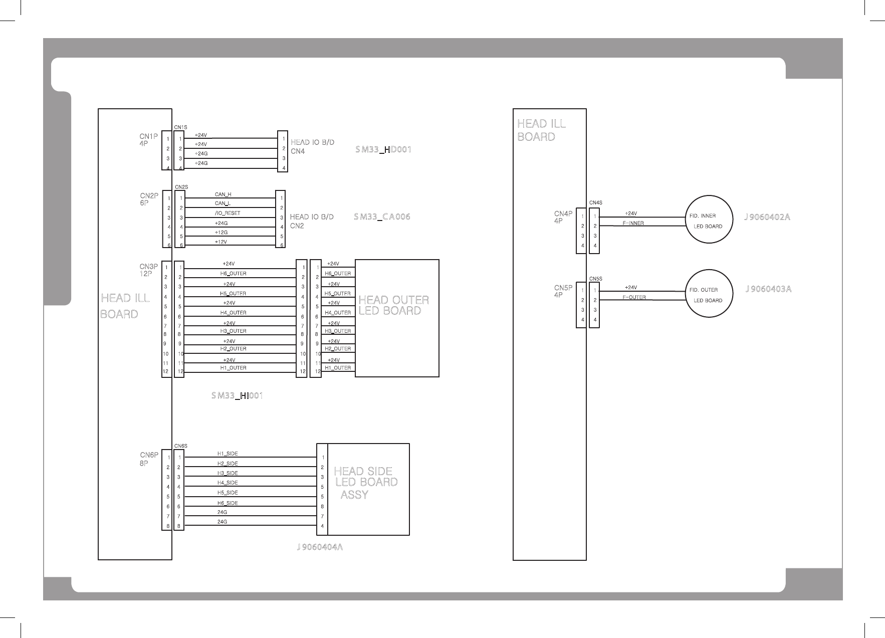
Page SAMSUNG TECHWIN 94 SM411 H ea d Ill um ina ti on Bo ard I nte rf ace HEAD ILL BOARD /IO_RESET +24G +12G +12V CAN_H CAN_L 4P CN1P 6P CN2P 4 5 6 4 5 6 1 1 3 4 2 3 4 2 CN1S 2 2 3 3 CN2S 1 1 3 4 5 6 2 1 HEAD IO B/D CN2 …

Page
SAMSUNG TECHWIN
93
SM411
Conveyor Board Interface
NO. PART NO. PART NAME Q'TY TYPE REMARK
1
J90831029A CVIF-FRONT FLAT CAN CABLE ASSY SM33-CA004
DOCKING CART OPTION
2
J90831028A MASTER CPU2-RFDR CAN CABLE ASSY SM33-CA003
3
J90831026A MASTER CPU1-FFDR CAN CABLE ASSY SM33-CA001
4
J90831131A CONV S/W OUTPUT CABLE ASSY SM33-CV003
5
J90831132A TOWER LAMP EXT CABLE ASSY SM33-CV004
DOCKING CART OPTION
6 J90831149A F_DOCKING_CART_SOL_CABLE_ASSY SM33-CV028 DOCKING CART OPTION
7 J90831150A REAR_DOCKING_CART_SOL_CABLE_ASSY SM33-CV029 DOCKING CART OPTION
8
J90831133A INLINE IN/OUT CABLE ASSY SM33-CV006
DOCKING CART OPTION
9
J90831146A SMEMA CABLE ASSY SM33-CV024
DOCKING CART OPTION
10
J90831288A AXIS SENSOR BOARD DATA CABLE ASSY SM33-CS035-1
DOCKING CART OPTION
11
J90831289A AXIS SENSOR BOARD STP_BUT DATA CABLE ASSY SM33-CS035-2
DOCKING CART OPTION
12
J90831136A CONV S/W INPUT1 CABLE ASSY SM33-CV013
13
J90831137A CONV S/W INPUT2 CABLE ASSY SM33-CV014
14
J90831152A CRASH SENSOR I/F CABLE ASSY SM33-CV031
15
J90831138A FRONT AREA SENSOR EXT CABLE ASSY SM33-CV015
OPTION
16
J90831139A FRONT AREA SENSOR CABLE ASSY SM33-CV016
OPTION
17
J90831140A REAR AREA SENSOR EXT CABLE ASSY SM33-CV017
OPTION
18
J90831141A REAR AREA SENSOR CABLE ASSY SM33-CV018
OPTION
19 J90831142A F_DOCKING_CART_SNS_CABLE_ASSY SM33-CV019 DOCKING CART OPTION
20 J90831143A R_DOCKING_CART_SNS_CABLE_ASSY SM33-CV020 DOCKING CART OPTION
21
J90831258A KVMS-CONV IF BD CABLE ASSY
SM33-CV023-1
22
J90831144A SERIAL COMM CABLE ASSY SM33-CV021
23
J90831263A HEAD1 AIR SOL PWR CABLE ASSY SM33-CV027-1
24
J90831264A HEAD2 AIR SOL PWR CABLE ASSY SM33-CV027-2
25
J90831256A ANC SENSOR FRONT EXT CABLE ASSY SM33-CV009-1
26
J90831257A ANC SENSOR REAR EXT CABLE ASSY SM33-CV009-2
27
J90831135A ANC SENSOR CABLE ASSY SM33-CV010
P art L is t

Page
SAMSUNG TECHWIN
94
SM411
Head Illumination Board Interface
HEAD ILL
BOARD
/IO_RESET
+24G
+12G
+12V
CAN_H
CAN_L
4P
CN1P
6P
CN2P
4
5
6
4
5
6
11
3
4
2
3
4
2
CN1S
2
2
3
3
CN2S
1
1
3
4
5
6
2
1
HEAD IO B/D
CN2
S M33_C A 006
+24V
+24G
+24G
+24V
4
3
2
1
HEAD IO B/D
CN4
CN3P
12P
CN4P
4P
4
3
4
3
2
1
2
1
CN4S
8
7
CN6P
HEAD ILL
BOARD
8P
2
4
6
5
3
CN6S
1
55
8 8
7
6 6
7
11
33
4 4
2 2
LED BOARD
HEAD OUTER
LED BOARD
HEAD SIDE
S M33_HI001
S M33_HD001
9
12
10
11
+24V
+24V
+24V
+24V
+24V
+24V
H6_OUTER
H5_OUTER
H4_OUTER
H3_OUTER
H2_OUTER
H1_OUTER
9
12
10
11
55
8 8
7
6 6
7
11
33
4 4
2 2
9
12
10
11
9
12
10
11
+24V
+24V
+24V
+24V
+24V
+24V
H6_OUTER
H5_OUTER
H4_OUTER
H3_OUTER
H2_OUTER
H1_OUTER
8
7
2
4
6
5
3
1
ASSY
H1_SIDE
H2_SIDE
H3_SIDE
H4_SIDE
H5_SIDE
H6_SIDE
24G
24G
4
7
2
5
8
5
3
1
J 9060404A
LED BOARD
FID. INNER
+24V
F-INNER
CN5P
4P
4
3
4
3
2
1
2
1
CN5S
LED BOARD
FID. OUTER
+24V
F-OUTER
J 9060402A
J 9060403A

Page
SAMSUNG TECHWIN
95
SM411
Head Illumination Board Interface
NO. PART NO. PART NAME Q'TY TYPE REMARK
1
J90831033A HEAD IO/ILL POWER CABLE ASSY SM33-HD001
2
J90831031A HDIO-HILL CAN CABLE ASSY SM33-CA006
3
J90831041A FLY OUTER LED B/D CABLE ASSY SM33-HI001
4
5
6
7
8
9
10
11
12
13
14
15
16
17
18
19
20
21
22
23
24
25
26
27
P art L is t