SM411 Technical Reference(User)-Distribution - 第95页
Page SAMSUNG TECHWIN 95 SM411 H ea d Ill um ina ti on Bo ard I nte rf ace NO. PART NO. PART NAME Q'TY TYPE REMARK 1 J90831033A HEAD IO/ILL POWER CABLE ASSY SM33-HD001 2 J90831031A HDIO-HILL CAN CABLE ASSY SM33-CA006…

Page
SAMSUNG TECHWIN
94
SM411
Head Illumination Board Interface
HEAD ILL
BOARD
/IO_RESET
+24G
+12G
+12V
CAN_H
CAN_L
4P
CN1P
6P
CN2P
4
5
6
4
5
6
11
3
4
2
3
4
2
CN1S
2
2
3
3
CN2S
1
1
3
4
5
6
2
1
HEAD IO B/D
CN2
S M33_C A 006
+24V
+24G
+24G
+24V
4
3
2
1
HEAD IO B/D
CN4
CN3P
12P
CN4P
4P
4
3
4
3
2
1
2
1
CN4S
8
7
CN6P
HEAD ILL
BOARD
8P
2
4
6
5
3
CN6S
1
55
8 8
7
6 6
7
11
33
4 4
2 2
LED BOARD
HEAD OUTER
LED BOARD
HEAD SIDE
S M33_HI001
S M33_HD001
9
12
10
11
+24V
+24V
+24V
+24V
+24V
+24V
H6_OUTER
H5_OUTER
H4_OUTER
H3_OUTER
H2_OUTER
H1_OUTER
9
12
10
11
55
8 8
7
6 6
7
11
33
4 4
2 2
9
12
10
11
9
12
10
11
+24V
+24V
+24V
+24V
+24V
+24V
H6_OUTER
H5_OUTER
H4_OUTER
H3_OUTER
H2_OUTER
H1_OUTER
8
7
2
4
6
5
3
1
ASSY
H1_SIDE
H2_SIDE
H3_SIDE
H4_SIDE
H5_SIDE
H6_SIDE
24G
24G
4
7
2
5
8
5
3
1
J 9060404A
LED BOARD
FID. INNER
+24V
F-INNER
CN5P
4P
4
3
4
3
2
1
2
1
CN5S
LED BOARD
FID. OUTER
+24V
F-OUTER
J 9060402A
J 9060403A

Page
SAMSUNG TECHWIN
95
SM411
Head Illumination Board Interface
NO. PART NO. PART NAME Q'TY TYPE REMARK
1
J90831033A HEAD IO/ILL POWER CABLE ASSY SM33-HD001
2
J90831031A HDIO-HILL CAN CABLE ASSY SM33-CA006
3
J90831041A FLY OUTER LED B/D CABLE ASSY SM33-HI001
4
5
6
7
8
9
10
11
12
13
14
15
16
17
18
19
20
21
22
23
24
25
26
27
P art L is t

Page
SAMSUNG TECHWIN
96
SM411
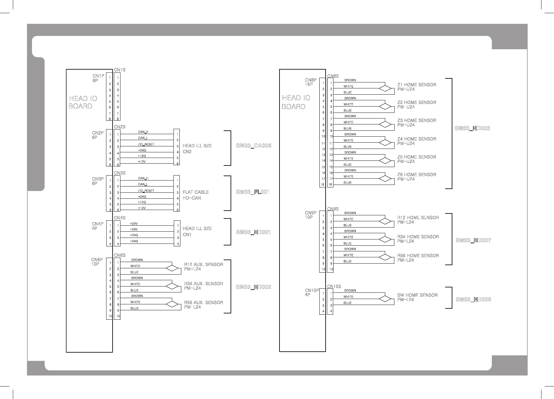
Head IO Board Interface (1/2)
6P
3
2
3
2
1
CN3P
CN3S
1
11
2
3
6P
3
2
CN2P
CN2S
BOARD
HEAD IO
1
3
2
4
CN1P
CN1S
5
6
BOARD
HEAD IO
CN6P
CN6S
8P
8
7
8
7
6
5
4
1
3
2
4
5
6
4
5
6
3
4
5
6
1
2
FLAT CABLE
SM33_FL001
SM33_HD001
CN4P
4P
11
33
4 4
2 2
CN4S
4
2
3
1
10P
4
5
6
4
5
6
1
4
5
6
2
3
HD-CAN
CAN_H
CAN_L
/IO_RESET
+24G
+12G
+12V
+24V
+24G
+24G
+24V
HEAD ILL B/D
CAN_H
+12V
+12G
+24G
/IO_RESET
CAN_L
4
5
6
3
2
1
HEAD ILL B/D
CN2
SM33_CA006
R12 AUX. SENSOR
PM-L24
BROWN
WHITE
BLUE
PM-L24
R34 AUX. SENSOR
PM-L24
R56 AUX. SENSOR
SM33_HD002
CN1
7
8
9
10
1
4
5
6
2
3
8
9
10
7
BLUE
WHITE
BROWN
BLUE
WHITE
BROWN
CN9P
CN9S
10P
1
4
5
6
2
3
1
4
5
6
2
3
R12 HOME SENSOR
PM-L24
BROWN
WHITE
BLUE
PM-L24
R34 HOME SENSOR
PM-L24
R56 HOME SENSOR
SM33_HD007
8
9
10
7
8
9
10
7
BLUE
WHITE
BROWN
BLUE
WHITE
BROWN
CN10P
CN10S
4P
1
2
3
1
2
3
SW HOME SENSOR
PM-L24
BROWN
WHITE
BLUE
SM33_HD008
4
4
CN8P
CN8S
16P
1
4
5
6
2
3
Z1 HOME SENSOR
PM-U24
BROWN
WHITE
BLUE
SM33_HD003
8
9
10
7
BLUE
WHITE
BROWN
BLUE
WHITE
BROWN
11
16
17
18
15
12
13
14
1
4
5
6
2
3
8
9
10
7
11
16
17
18
15
12
13
14
Z4 HOME SENSOR
PM-U24
BROWN
WHITE
BLUE
BLUE
WHITE
BROWN
BLUE
WHITE
BROWN
Z2 HOME SENSOR
PM-U24
Z5 HOME SENSOR
PM-U24
Z6 HOME SENSOR
PM-U24
Z3 HOME SENSOR
PM-U24