FX-3-Rev11(k-) - 第155页
- 150 - NOTE( 注記 ) #01....FOR EN EN 用 #02....TYPE XL XL 仕様 REF.NO NOTE PART NO D E S C R I P T I O N 品 名 Qty 1 400-98950 POWER_SUPPLY_ASSY_ R(ST) 電源供給組(右)ST 2 2 #01 400-93150 POWER SU PPLY ASSY R(EN) 電源供給組(右)EN 2 3 401-4…

- 149 -
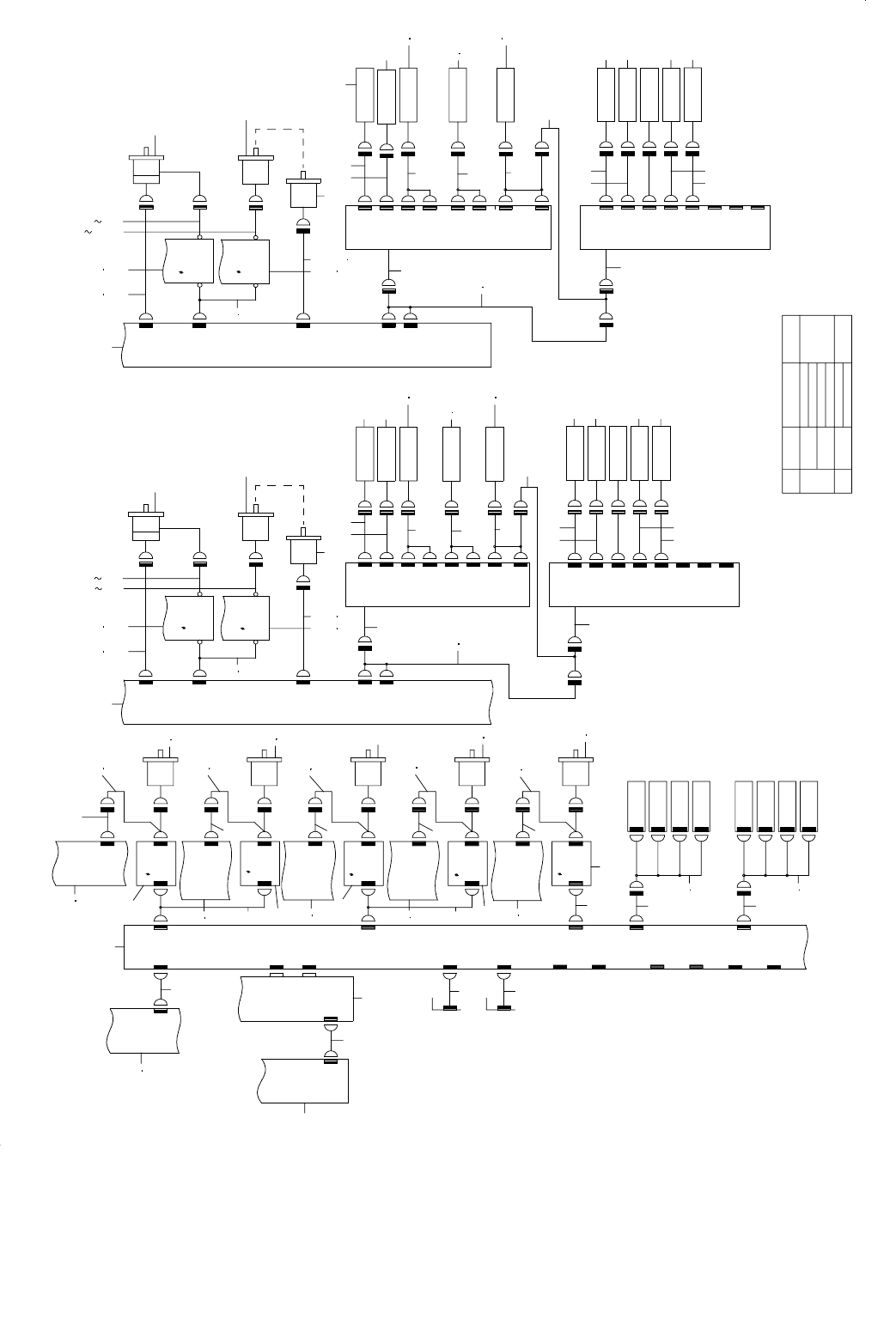
75.SYSTEM DIAGRAM (HEAD RF/RR)
SYSTEM DIAGRAM(HEAD RF / RR)
OPTION
4-5C
POWER UNIT
(R)
CN020
7-3A
PWRR020
CN203
CN246
CN802
EN1
CN813
CN813RF
EN2
6-1A
ETHER-MAIN
PCB
EN2
EN2
CN814
CN814RF
7-1A
HEAD-MAIN
PCB(RR)
EN1
7-4A
EN1
CN813
CN813RR
6-3B
IP-X5
PCB
CN5
7-3B
IPX OCC
RF
CN478 RF
CN478
CN805
HEAD
CN22
AMP
HEIGHT
SENSOR
THERMAL
SENSOR
PCB
HEAD
CN23
CN23
CN22
CN14
CN19
HEAD FAN(RF)
HEAD_CN12
PLATE_F
PLATE_F
OCC_F
HEAD_CN29
7-2A
CN29
CN12
CN11
CN10
EN2
CN9
EN1
HEAD_CN11
HEAD_CN10
HEAD_CN9
CN1
OCC-A
LIGHT-A1
LIGHT-C
OCC-C
CN1
HEAD-MAIN
PCB(RF)
3-2A
CN13
CN1
HEAD_CN1
OCC
OCC CAMERA(R)
VIDEO OUT /DC I N/SYNC
Z1 P RESSURE
SENSOR
Z2 PRESSURE
SENSO R
Z3 P RESSURE
SENSOR
Z4 PRESSURE
SENSOR
Z5 PRESSURE
SENSOR
Z6 PRESSURE
SENSOR
HEAD_CN24
PRESSURE
Z1
Z2
Z3
Z4
Z5
Z6
NZL
DWN
HEAD_CN28
CN24
CN26
NOZZLE DOWN
SENSOR L
CN28
CN16
HEAD_CN16
NOZZLE UP
SOLENOID
Z1 BLOW
SOLENOID
Z2 B LOW
SOLENOID
Z3 BLOW
SOLENOID
Z4 BLOW
SOLENOID
Z5 BLOW
SOLENOID
Z6 B LOW
THERMAL
SENSOR
PCB
HEIGHT
SENSOR
BAD MARK
SENSOR
AMP
AMP
HEAD
CN22
HEAD
CN14
HEAD
CN23
CN23
CN22
CN14
CN19
SOLENOID
HEAD_CN26
Z1B
Z2B
Z3B
Z4B
Z5B
Z6B
7-1D
CN25
CN27
HEAD-MAIN
PCB(RF)
HEAD_CN25
Z1V
Z2V
Z3V
Z4V
Z5V
Z6V
Z1 VACUUM
SOLENOID
Z2 V ACUUM
SOLENOID
Z3 V ACUUM
SOLENOID
Z4 VACUUM
SOLENOID
Z5 VACUUM
SOLENOID
Z6 V ACUUM
SOLENOID
7-1A
POWER UNIT
(R)
CN021
8-2A
PWRR021
CN204
CN246
CN802
7-1A
CN13
CN1
HEAD-MAIN
PCB(RR)
CN9
HEAD_CN1
OCC
OCC C AMERA(R)
VIDEO OUT/DC IN/SYNC
LIGHT-C
HEAD_CN9
OCC-C
CN1
HEAD_CN10
LIGHT-A1
O
CC-A
CN1
7-1B
IP-X5
PCB
CN6
9-4C
IPX OCC
RR
CN478 RR
CN478
CN805
CN2
CN11
CN10
HEAD_CN11
LIGHT-A2
CN1
OCC-A
OPTION
Z1 P RESSURE
SENSOR
Z2 PRESSURE
SENSOR
Z3 PRESSURE
SENSOR
Z4 P RESSURE
SENSOR
Z5 PRESSURE
SENSOR
Z6 P RESSURE
SENSOR
PRESSURE
HEAD_CN24
Z1
Z2
Z3
Z4
Z5
Z6
CN24
CN26
NOZZLE DOWN
SENSOR L
NOZZLE DOWN
SENSOR R
2
1
NZL DWN
HEAD_CN28
CN28
CN16
NOZZLE UP
SOLENOID
HEAD_CN16
Z1 B LOW
SOLENOID
Z2 BLOW
SOLENOID
Z3 B LOW
SOLENOID
Z4 B LOW
SOLENOID
Z5 B LOW
SOLENOID
Z6 B LOW
SOLENOID
HEAD_CN26
Z1B
Z2B
Z3B
Z4B
Z5B
Z6B
Z1 VACUUM
SOLENOID
Z2 VACUUM
SOLENOID
Z3 VACUUM
SOLENOID
Z4 VACUUM
SOLENOID
Z5 V ACUUM
SOLENOID
Z6 VACUUM
SOLENOID
HEAD_CN25
Z1V
Z2V
Z3V
Z5V
Z6V
Z4V
HEAD-MAIN
PCB(RR)
CN27
CN25
7-4D
HEAD FAN(RR)
HEAD_CN12
PLATE_F
PLATE_F
O
CC_F
HEAD_CN29
7-5A
CN29
CN12
NOZZLE DOWN
SENSOR R
2
1
CN2
14
5
3
11
1
2
12
13
8
15
16
20
17
6
5
21
7
22
9
10
29
29
28
31
30
27
25
19
24
23
26
18
41
39
38
40
5
32
5
3734
33
35
44
36
4342
1
2
45
9
10
27
25
19
24
23
26
18
6
46
9
10
47
4
48
29
28
49
21
7
31
20 22
30
38
29
41
42
5
44
43
32
40
39
34
33
37
35
36
12
13
9
10

- 150 -
NOTE( 注記 ) #01....FOR EN EN 用
#02....TYPE XL XL 仕様
REF.NO NOTE PART NO D E S C R I P T I O N
品 名
Qty
1 400-98950 POWER_SUPPLY_ASSY_R(ST)
電源供給組(右)ST
2
2
#01
400-93150 POWER SUPPLY ASSY R(EN)
電源供給組(右)EN
2
3 401-49647 ETHER-MAIN PCB ASM
イーサメイン基板組
1
4 400-47507 OCC A LIGHT PCB
OCC A ライト基板
1
5 400-47506 HEAD-MAIN PCB ASM
HEAD − MAIN 基板組
5
6 400-47528 IP-X5 PCB ASM
IP − X 5基板 組図
2
7 HD-0022500-00 SENSOR
センサ
2
8 400-91532 HEAD MAIN PWR CABLE (RF) ASM
ヘッドメイン電源ケーブル(RF)組
1
9 400-47500 XY BEAR CABLES D ASM
XY ベアケーブル D 組
4
10
#02
400-89837 XY BEAR CABLES D ASM XL
XY ベアケーブル D 組
4
11 400-47948 ETHER HEAD RF CABLE ASM
イーサ ヘッド RF ケーブル組
1
12 400-47811 Y BEAR B CABLES ASM
Y ベア B ケーブル組
2
13
#02
400-89839 Y BEAR B CABLES ASM XL
Y ベアケーブル B 組 XL
2
14 400-47949 ETHER HEAD RR CABLE ASM
イーサ ヘッド RR ケーブル組
1
15 400-47810 Y BEAR A CABLES ASM
Y ベア A ケーブル組
1
16
#02
400-89838 Y BEAR A CABLES ASM XL
Y ベアケーブル A 組 XL
1
17 400-47944 OCC CABLE RF ASM
OCC ケーブル RF 組
1
18 400-47865 OCC CAMERA CABLE ASM
OCC カメラケーブル組
2
19 400-48028 OCC CAMERA
OCC カメラ
2
20 400-47874 HIGHT SENSOR UNIT ASM
ハイトセンサユニット組
2
21 400-29824 TEMPERATURE SENSOR PCB ASM
温度センサ基板組
2
22 400-48272 BASE TEMP CABLE ASM
ベース温度ケーブル組
2
23 400-47866 OCC C LIGHT CABLE ASM
OCC C ライトケーブル組
2
24 400-47511 OCC C LIGHT PCB
OCC C ライト基板
2
25 400-47867 OCC A1 LIGHT CABLE ASM
OCC A 1ライトケーブル組
2
26 400-47507 OCC A LIGHT PCB
OCC A ライト基板
2
27 400-47868 OCC A2 LIGHT CABLE ASM
OCC A 2ライトケーブル組
2
28 400-82666 HEAD FAN CABLE ASM
ヘッドファンケーブル組
2
29 400-82667 HEAD PLATE FAN CABLE ASM
ヘッドプレートファンケーブル組
4
30 400-82668 OCC FAN CABLE ASM
OCC ファンケーブル組
2
31 400-65161 HEAD FAN RELAY CABLE ASM
ヘッドファン中継ケーブル組
2
32 400-48279 Z1 PRESSURE SENSOR ASM
Z 1 PRESSURE センサー組
2
33 400-48280 Z2 PRESSURE SENSOR ASM
Z 2 PRESSURE センサー組
2
34 400-48281 Z3 PRESSURE SENSOR ASM
Z 3 PRESSURE センサー組
2
35 400-48282 Z4 PRESSURE SENSOR ASM
Z 4 PRESSURE センサー組
2
36 400-48283 Z5 PRESSURE SENSOR ASM
Z 5 PRESSURE センサー組
2
37 400-48284 Z6 PRESSURE SENSOR ASM
Z 6 PRESSURE センサー組
2
38 400-47877 Z PRESSURE RELAY CABLE ASM
Z PRESSURE 中継ケーブル組
2
39 400-92835 NOZZLE DOWN SENSOR1 ASM
ノズル DOWN センサー1ケーブル組
2
40 400-92836 NOZZLE DOWN SENSOR2 ASM
ノズル DOWN センサー2ケーブル組
2
41 400-47980 NOZZLE DOWN RELAY CABLE ASM
ノズル DOWN 中継ケーブル組
2
42 400-47869 VAC CABLE ASM
VAC ケーブル組
2
43 400-47870 BLOW CABLE ASM
BLOW ケーブル組
2
44 400-47982 NOZZLE UP SV ASM
ノズル UP SV 組
2
45 400-91542 HEAD MAIN PWR CABLE (RR) ASM
ヘッドメイン電源ケーブル(RR)組
1
46 400-47945 OCC CABLE RR ASM
OCC ケーブル RR 組
1
47 E9638-729-000 FIBER LENS
ファイバレンズ
1
48 HD-0013100-30 FIBER UNIT
ファイバユニット
1
49 400-47981 BAD MARK FIBER AMP ASM
バッドマークファイバアンプ組
1

- 151 -
76.SYSTEM DIAGRAM (BASE-CARRY)
SYSTEM DIAGRAM(BASE − CARRY)
Note1
Note1
7-1A
ETHER-MAIN
PCB
EN3
ES-BC C N1
3-1B
ETHER-SLAVE
PCB(BC)
EN1
J1
J2
SMEMA
LOWE R UNIT
UPPER UNIT
SMEMA
COVER
IN
COVER
OUT
SMEMA_U
SME MA_L
SMEMA-U
CN30
SMEMA-L
CN31
CN13
AN1
CN14
AN2
CN20
SPO1
CN16
SPO2
CN28
SPO1
CN29
SPO2
8-2A
CN32
BC-32
EV-R
EV
STOP
SHAPE _X
SHAPE_Y
BU_LOCK
STOPPER(R)
SOLV.
SHAPE X(R)
SOLV.
SHAPE Y(R)
SOLV.
BU(R) LOCK
SOLV.
CN24
BC-24
EV-L
EV
STOP
SHAPE_X
SHAPE_Y
BU_LOCK
STOPPER(L)
SOLV.
SHAPE X(L)
SOLV.
SHAPE Y(L)
SOLV.
BU(L) LOCK
SOLV.
CN10
MTR6 -8
MT6-8
OTM-1
5DRIVER
CN1
CN2
(OUT)
OTM-2
9-2A
CN033
POWER UNIT(R)
8-2B
PWRR033
OTM-P
OUT MOTOR
OTM CN665
CN656
CMR-1
5DRIVER
CN1
CN2
(CENTER R)
CMR-2
CMR
CN665
CN656
CENTER MOTOR(R)
CMR-PPWRR035
8-2C
CN035
POWER UNIT(R)
8-2B
CN9
MTR3-5
MT3-5
JM-1
5 DRIVER
CN1
CN2
(JOINT)
JM-2
JM
CN656
CN665
JOINT MOTOR
P2
P1
8-1A
POWER UNIT(R)
CN034
8-2B
JM-P
CML-1
5DRIVER
CN1
CN2
(CENTER L)
CML-2
BASE-CARRY
PCB
7-3A
POWE R UNIT
(R)
CN027
8-2B
PWRR0 27
BCPWR
CN17
PWR
CN6
MTR1-2
MT1-2
INM-1
6-3A
POWER UNIT
(L)
CN033
8-2A
PWRL033
INM-P
IN MO TOR
CN665
CN656
INM
INM-2
5 DRI VER
CN1
CN2
(IN)
8-2A
POWER UNIT(L)
CN035
9-1A
PWRL035
CML-P
CENTE R MOTOR(L)
CML
CN665
CN656
8-1D
CN23
ENC3
ENC3
MT9-10
CN15
MTR9-10
BASE-CARRY
PCB
ENC1
CN19
ENC1
CN25
SPWR- L
CN27
SENS-L
SPWR- L
SBL1
SENS-L
8-4A
SBL1/2 SBL2
SBL2
S1
S2
S3
S4
S5
S6
SBL2-1
SBL2-2
SBL2-3
SBL2- 4
SBL2 -5
S7
S8
BU(L) O RG
SENSOR
BU(L) L OCK
SENSOR
TPIN(L)
SENSOR
AWC(L) ORG
SENSOR
BU-L
BULK-L
TPIN -L
AWC-L
CN445
CN442
CN446
CN409L
BU UP ENCODER(L)
BACK UP MO TOR(L)
BULE
CN658
CN668
BULM
CN667
CN657
(BU L)
5 DR IVER
1-3C
(AWC L)
5DRIVER
1-3B
AWCLM
CN660
AWCLE
CN659
AUTOWIDTH ADJUSTMENT
MOTOR(L)
IN
SENSOR
SUPPORT PIN
EMITT ER SENSOR
WAIT(L)
SENSO R
STOP(L)
SENSOR
COUT(L)
SENSOR
SBL1
S1
S2
S3
S4
S5
S6
S7
S8
SBL1 -1
SBL1-2
SBL1-34
SBL1-56
SBL1-78
IN
BPIN
WAIT-L
STOP- L
COUT-L
PWR2
CSL-5
CSL-4
CSL-3
OUT-L
CN437
8-2C
CN22
CN12
MTR11-12
ENC4
BASE-CARRY
PCB
CN18
ENC2
CN21
SPWR-R
CN26
SENS-R
SBR1SPWR-R
SENS-R
ENC2
MT11-12
ENC4
1-5B
5 DRI VER
(AWC R)
1-5B
5 DRIVER
(BU R)
AUTOWIDTH ADJUSTMENT
MOTOR(R)
AWCR E
CN659
CN660AWCRM
BACK UP MOTOR(R)
BURM
CN657
CN667
CN658
CN668
BURE
BU UP ENCODER(R )
SBR1
S1
S2
S3
S4
S5
S6
S7
S8
SBR1-1
SBR1-2
SBR1-34
SBR1-56
SBR1-78
CN438
OUT-R
CSR-3
OUT
BPIN
WAIT- R
CSR-4
STOP-R
COUT-R
CSR-5
PWR2
OUT
SENSOR
SUPPORT PIN
EMITTER SENSOR
WAIT (R)
SENS OR
STOP (R)
SENS OR
COUT(R)
SENSOR
SBR1/ 2
SBR2
SBR2
S1
S2
S3
S4
S5
S6
S7
S8
SBR2-1
SBR2-2
SBR2-4
SBR2- 5
BU-R
BULK-R
TPIN- R
AWC-R
CN445
CN442
CN446
CN409L
BU(R) ORG
SENSOR
BU(R) LOCK
SENSOR
TPIN(R)
SENSOR
AWC(R) ORG
SENSOR
SPEC
L
XL
CARRY
DIRECTION
LR
RL
DON`T CARE
RELAY CABLE
SBL2-3:40065185
SBR2-3:40065186
SEL2-3:40065186
SBR2-3:40065185
SBL2-3:40089930
SBR2-3:40089932
SENSOR
40065184
L829E5210A0
NOTE1
6
1
2
3
8
4
9
11 12
39 42
40
41 40 41
36
19
21
19
21
19
21
19
21
25
1
2
1
2
1
2
15
16
15
16
18
18
13 14
18
18
17
26
24 32 35
37
38
33
34
30
31
27
2822 23
4
81
65
66
64
61
62
53
54
43
44
51
52
51
52
47
50
55
58
63
59
45
67
68
69
70
71
80
82
83
84
85
8987 8886
7273
74
75
76
77
78
79
102
103
104
4
5
105
106
96
97
90
91
45
51
52
51
52
20
108
63
98
101
92
95
107
59
109
110
111
7
29
46
60
8987 8886
73
113
114 10 117
115
116
112
18