FX-3-Rev11(k-) - 第165页
- 160 - NOTE( 注記 ) #01....TYPE EN EN 用 REF.NO NOTE PART NO D E S C R I P T I O N 品 名 Qty 1 400-47560 FEEDER PCB ASM フィーダ基板組 4 2 401-07941 FEEDER IF RELAY-03 CA BLE ASM フィーダ IF RELAY −03ケーブル組 2 3 400-47481 FEEDER IF RELAY…

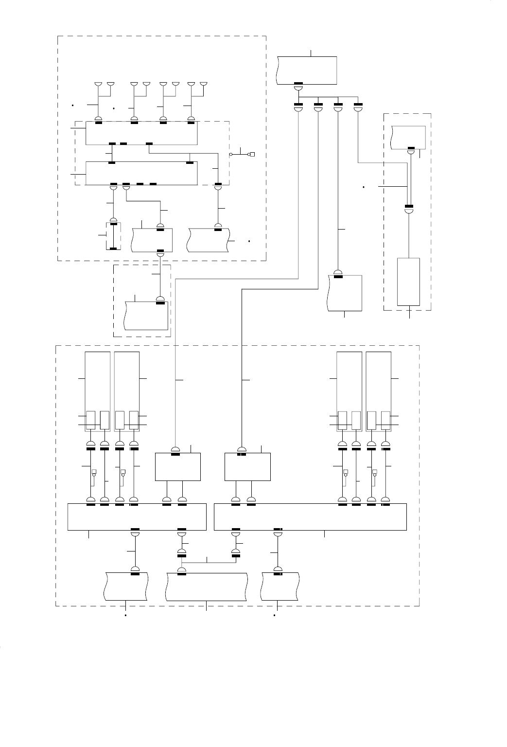
- 159 -
80.SYSTEM DIAGRAM (MECH TOROLY I/F)
SYSTEM DIAGRAM(MECH TOROLY I / F)
in the c ase of
"FIXE D B ANK",
refer to 12-5A
inthecaseof
"FIXED BANK",
refer to 12-5A
11-1D
FEEDER PCB
(L)
CN3
12-3A
CN3
CN3
FEEDER PCB (L)
CN03
FCAN1
FCAN2
RLY03
RLYL03
CN350
CN370
CN350
14-1A
ELEC
TOROLY
I/F
11-3C
POWER UNIT( L)
CN024
CN065
12-3B
PWRL065
PWRL024
FG-TAP
(LF)
in the case of
"FIXED BANK",
refer to 12-5A
CVS OPTION/RFID
13-5B
CN383
CN352
CN352
CN206
CN206
CN205
CN205
COVER (LF)
MBANK
BK31
BK40
CN31
CN40
CN36
BK36
MECH BANK
PCB
BK34
BK39
CN34
CN39
CN37
CN38
BK37
BK38
RFID
CN357
CN357
CN50 7 CN507
CONNECTOR BRACKET OPTION
RFID
ANTENNA
OUT IN
CN649
CN649
CN10
CN9
CN10
CN9
FEEDER BANK
PCB
KNOCK PIN
S.V.
12-1A
FEED ER PCB
(L)
CN4
14-1A
CN4
CN4 CN04
FEEDER PCB (L)
RCAN1
RCAN2
RLY04
RLYL04
CN350
CN37 0
14-3A
ELEC
TOROLY
I/F
CN350
COVER (LR)
M BANK
BK31
BK40
12-1B
POWER UNIT(L)
CN025
CN066
13-1A
PWRL025
PWRL066
CN205
CN206
CN205
CN206
CN352
CN352
FG-TAP
(LR)
CN383
CVS OPTION/ RFID
13-5B
RFID
ANTEN NA
OUT
IN
RFID
CONNECTOR BRACKET O PTION
CN357
CN357
CN507
CN507
CN38
CN37
CN39
CN34
BK38
BK37
BK39
BK34
CN649
CN649
CN10
CN9
FEEDER BANK
PCB
CN9
CN10
CN40
CN31
CN36
BK36
MECH BANK
PCB
KNOCK PIN
S.V.
FIXED BANK
MECH BANK PCB
CN31
CN40
BK31
BK40
CN350
CN205
CN206
CN352
CN357
11-3D
FEEDE R PCB
(R)
CN3
12-3C
CN3 CN3
FEEDER PCB
(R)
CN03
FCAN1
RLY03
RLYR03
CN350
CN370
14-1C
ELEC
TORO LY
I/F
CN350
COVER (RF)
FCAN2
MBANK
BK31
BK40
MECH BANK
PCB
CN31
CN40
CN36
BK36
CN34
CN39
BK34
BK39
CN37
CN38
BK37
BK38
11-4C
POWER UNIT(R)
CN024
CN065
12-3C
PWRR024
PWRR065
FG-TAP
(RF)
CN352
CN206
CN205
CN205
CN206
CN352
CN383
CVS OPTION/ RFID
13-5C
RFID
ANTE NNA
OUT
IN
RFID
CONN ECTOR BRACKET OPTION
CN35 7
CN357
CN507
CN507
CN649
CN649
CN10
CN9
FEEDER BANK
PCB
CN9
CN10
KNOCK PIN
S.V.
12-1C
CN4
14-1B
FEEDER PCB
(R)
CN4
CN4
CN04
FEEDER PCB
(L)
RCAN1
RCAN2
RLY04
RLYR0 4
CN350
CN370
14-3C
ELEC
TOROLY
I/F
CN350
COVER (RR)
M BANK
BK40
BK31
MECH BANK
PCB
BK36
CN36
CN31
CN40
CN34
CN39
CN37
CN38
BK38
BK37
BK39
BK34
CN9
CN10
CN649
CN649
CN357
CN357
CN507
CN507
CONNECTOR BRACKET OPTION
RFID
RFID
ANTENNA
OUT IN
CN383
CVS OPTION/RFID
13-5B
FG-TAP
(RR)
CN352
CN206
CN205
CN205
CN206
CN352
PWRR025
PWRR 066
12-1C
POWE R UNIT(R)
CN025
CN066
13-1C
in th e case of
"FIXED BANK",
refer to 12-5A
FEEDER BANK
PCB
CN9
CN10
KNOCK PIN
S.V.
31
2
1
7
8
3
9
10
9
20
21
5
6
23
24
24
24
27
26
25
22
1
2
12
13
3
21
14
10
14
20
24
23
24
25
24
22
27
26
7
8
31
1
15
21
17
10
17
20
5
24
23
6
24
25
24
22
27
26
12
13
1
15
21
19
10
19
20
5
24
23
6
24
25
24
22
27
26
4
11
18
16
5
6
29
28
30

- 160 -
NOTE( 注記 ) #01....TYPE EN EN 用
REF.NO NOTE PART NO D E S C R I P T I O N
品 名
Qty
1 400-47560 FEEDER PCB ASM
フィーダ基板組
4
2 401-07941 FEEDER IF RELAY-03 CABLE ASM
フィーダ IF RELAY −03ケーブル組
2
3 400-47481 FEEDER IF RELAY(F) CABLE ASM
フィーダ IF 中継ケーブル(F)組
2
4 401-11737 FEEDER PCB(LF) IF CABLE ASM
フィーダ基板(LF)IF ケーブル組
4
5 400-82807 MECHANICAL BANK PCB SET
メカバンク基板セット
4
6 400-63859 DRIVE_CYLINDER
ドライブシリンダー
4
7 400-98974 POWER_SUPPLY_ASSY_L(ST)
電源供給組(左)ST
2
8
#01
400-93149 POWER SUPPLY ASSY L(EN)
電源供給組(左)EN
2
9 400-91543 BANK RLY CABLE (LF) ASM
バンク RLY ケーブル(LF)組
2
10 400-48183 BANK(F) FG CABLE ASM
バンク(F)FG ケーブル組
4
11 401-11738 FEEDER PCB(RF) IF CABLE ASM
フィーダ基板(RF)IF ケーブル組
1
12 400-98950 POWER_SUPPLY_ASSY_R(ST)
電源供給組(右)ST
2
13
#01
400-93150 POWER SUPPLY ASSY R(EN)
電源供給組(右)EN
2
14 400-91546 BANK RLY CABLE (RF) ASM
バンク RLY ケーブル(RF)組
2
15 401-07942 FEEDER IF RELAY-04 CABLE ASM
フィーダ IF RELAY −04ケーブル組
2
16 401-11735 FEEDER PCB(LR) IF CABLE ASM
フィーダ基板(LR)IF ケーブル組
1
17 400-91544 BANK RLY CABLE (LR) ASM
バンク RLY ケーブル(LR)組
2
18 401-11736 FEEDER PCB(RR) IF CABLE ASM
フィーダ基板(RR)IF ケーブル組
1
19 400-91550 BANK RLY CABLE (RR) ASM
バンク RLY ケーブル(RR)組
2
20 400-48189 MECH BANK RELAY WIRE ASM
メカバンク中継束線組
4
21 400-48190 MECH BANK IF CABLE ASM
メカバンク IF ケーブル組
4
22 400-79659 RFID JOINT CABLE ASM
RFID ジョイントケーブル組
4
23 400-48193 CONNECTOR BRACKET IF CABLE ASM
コネクタブラケット IF ケーブル組
4
24 400-48194 CONNECTOR BRACKET PWR CABLE ASM
コネクタブラケット PWR ケーブル組
12
25 E8615-715-0A0 FEEDER BANK CIRCUIT BOARD ASM.
フィーダバンク基板組
4
26 E9395-721-0A0 IC FULL RELAY CABLE 3 ASM.
IC FULL 中継ケ−ブル3組
4
27 E9532-729-0A0 CUTTER POWER SOURCE CABLE ASM.
カッタ電源ケ−ブル組
4
28 400-48158 BANK CABLE ASM
バンクケーブル組
1
29 400-65159 BANK PCB PWR RELAY CABLE ASM
バンク基板電源中継ケーブル組
1
30 400-82807 MECHANICAL BANK PCB SET
メカバンク基板セット
1
31 401-07942 FEEDER IF RELAY-04 CABLE ASM
フィーダ IF RELAY −04ケーブル組
2

- 161 -
81.SYSTEM DIAGRAM (CVS/RFID/TRACEABILITY)
SYSTEM DIAGRAM(CVS / RFID / TRACEABILITY)
12-3B
POWER UNIT(L)
PWRL028
14-1B
CN028L
CVSLC1
11-5C
CN12
XY-RELAY
PCB
13-3A
XYCN12
CVSLIO
CVSLC2
CVSRIO
CVSRC2
12-3D
POWER UNIT(R)
PWRR028
13-4B
CN028R
CVSRC1
CVS PCB (R)
CN2 CN3
CN4
CN1
CN3CVS
CN4
DMM (R)
DMM (L)
CN3CVS
CN4
CN3
CN4
CN2
CN1
CN8
CN7
CN6
CN5
CVS PCB (L)
CN5/CVS
CN6/CVS
CN7/CVS
CN8/CVS
J043/LF
J042/LF
J043/LR
J042/LR
FG-TAP
(LF)
FG-TAP
(LR)
J43
J42
J43
J42
PROBE
SOLENOID VALVE
PROBE
SOLENOID VALVE
SURFACE VERIFICATION
UNIT(LR)
SURFACE VERIFICATION
UNIT(LF)
HOD OPTION
13-1C
XY-RELAY PCB
CN49
XY-49
HLC LAN
LAN
PWRR22
RFID_PWR
9-4C
CPU BOARD
COM2
LAN
13-1C
POWER UNIT(R)
CN022
14-1C
FG-TAP
FRONT
DC INPUT
X4
X3
X2
X1
X5
SWITCHING
HUB
HUB_BOX
MPC-4C
ETHERNET
PROG
CN3
CN4
DC_INPUT
CN1
CN2
CH3
LR
CH4
RR
CH1
LF
CH2
RF
LR383
LR382
RR383
RR382
LF383
LF382
RF383
RF382
12-3B
MECH TOROLY I/F
14-3B
ELEC TOROLY I/F
12-3D
MECH TOROLY I/F
14-3D
ELEC TOROLY I/F
12-1B
MECH TOROLY I/F
14-1B
ELEC TOROLY I/F
12-1D
MECH TOROLY I/F
14-1D
ELEC TOROLY I/F
RFID OPTION
5-5D
IEEE1394 BO ARD
UART
UART
COM A
COM B
COM C
COM D
9-5C
ATX POWER
CN6
ATX-6
BR
TRACEABILITY OPTION
BARCORD REEDER
XY-49
9-4D
SUPER IMPOSE BOARD
HOST
CVS OPTION
PROBE
SOLENOID VALVE
SURFACE VERIFICATION
UNIT(RF)
SURFACE VERIFICATION
UNIT(RR)
PROBE
SOLENOID VALVE
J043/RF
J042/RF
J043/RR
J042/RR
J42
J43
J42
J43
FG-TAP
(RF)
(RR)
FG-TAP
CN5/CVS
CN6/CVS
CN7/CVS
CN8/CVS
CN5
CN6
CN7
CN8
5 67910
13
15
1412
11
16
16
17
19
18
20
22 22
21
23
21
23
25 25
24
24
26
27
28
29
2222
23
21
23
21
1
2
3
30
31
8
45
4
39
36
37
38
35
33
44
41
42
43
46
47
48
49
50
40
32
7
34