JX-100_使用说明书.pdf - 第49页
第 1 部 基本编 第 1 章 设备概要 1-2-9 简称的说明 简称 意 义 中文 英语 AT C 自动工具交换装 置 (Auto T ool C han ger) BMR 坏板标记识别器 (Bad Mark Reader) EPU 外部编程 装置 (External Programming Unit) HMS 高度测量装置 (Height Mea surement Sys tem) HOD 手持操作盘 (Handheld O per…

第 1 部 基本编 第 1 章 设备概要
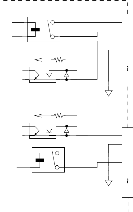
◇ READY OUT(IN)信号与 BOAD AVAILABLE 信号的接口电路图示 1-2-8-4 如下。
GND
(
24V
)
+
+ 24
V
3.3K 1/4W
READY OUT +
BOAD AVAILABLE IN +
READY OUT -
BOAD AVAILABLE IN -
N.C.
1
2
3
4
5
14
READY IN +
BOAD AVAILABLE OUT +
READY IN -
BOAD AVAILABLE OUT -
N.C.
1
2
3
4
5
14
+ 24
V
3.3K 1/4W
+
GND
(
24V
)
图 1-2-8-4
1-33

第 1 部 基本编 第 1 章 设备概要
1-2-9 简称的说明
简称
意 义
中文 英语
ATC
自动工具交换装置
(Auto Tool Changer)
BMR
坏板标记识别器
(Bad Mark Reader)
EPU
外部编程装置
(External Programming Unit)
HMS
高度测量装置
(Height Measurement System)
HOD
手持操作盘
(Handheld Operating Device)
LNC
激光校准新概念
(Laser align New Concept)
OCC
位置校正摄像机
(Offset Correction Camera)
PWB
基板
(Printed Wiring Board)
1-34

第 1 部 基本编 第 1 章 设备概要
1-3 基本操作
1-3-1 画面的构成
图 1-3-1-1 桌面画面
④ 工具栏
⑧命令按钮
⑦状态栏
②
菜单栏
①标题栏
⑨语言切换按钮
1-35