N7202A047B.pdf - 第130页
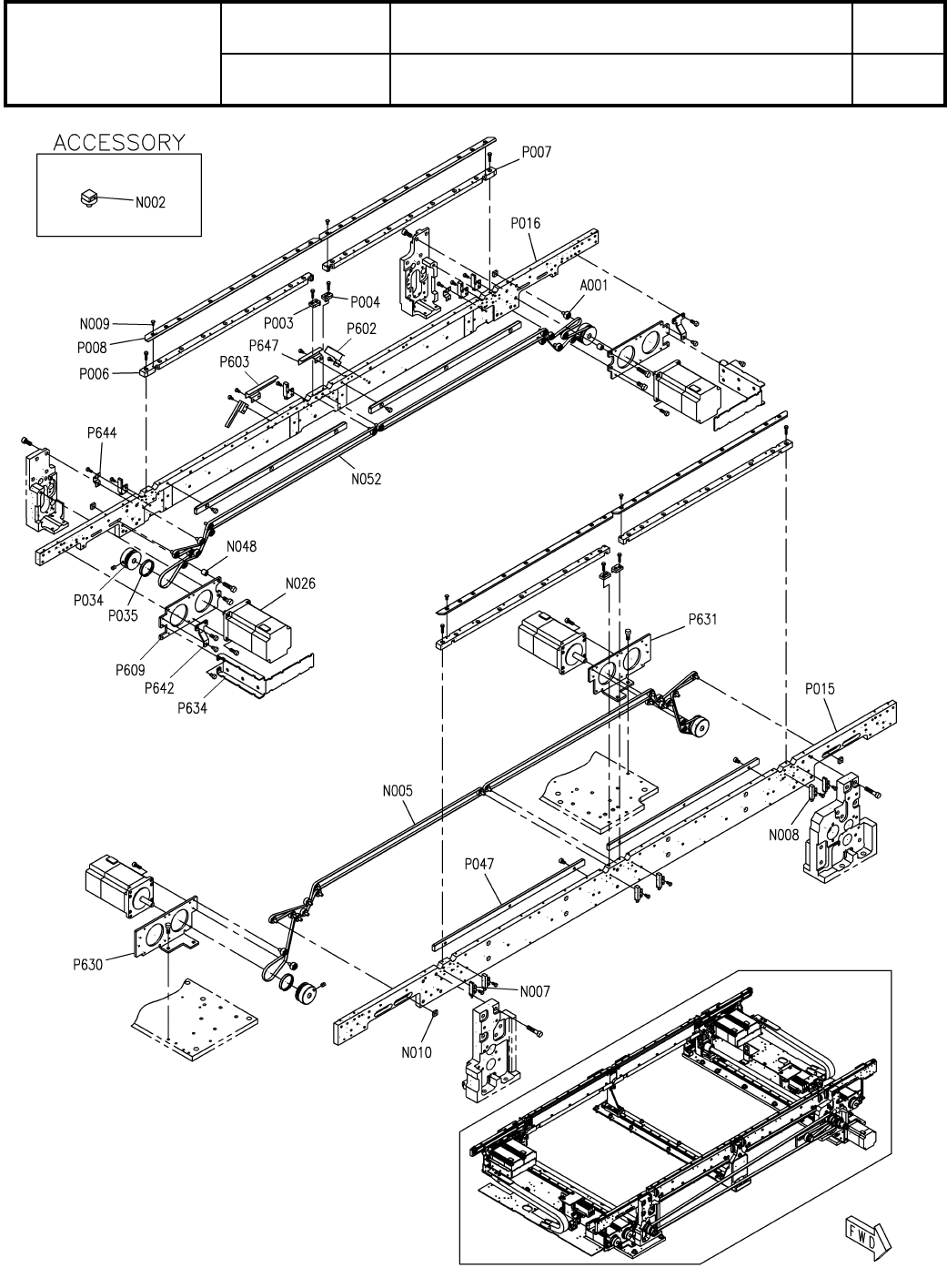
2-A シング ルコ ンベ ア:NP M- W2 Single Conv eyor:NPM -W 2 パーツレイアウト Kit No . キット品番 Kit Name キット名称 N610164022A A セクシ ョンNo. PARTS LAYOUT Section No. - - O3 ( FN610164022 AA-25-1 ) LAYOUT

Ref No. Remarks R
1
Q'ty
1
ユニット交換工具
Unit Exchange Tool
イラストNo.
Part No.
品 名品 番 数量
R
2
パーツリスト
Kit No.
キット品番
Kit Name
キット名称
N610102541AA
Part Name
備 考
セクションNo.
PARTS LIST
Section No.
R
3
WRENCH
1
1 N510050388AA QSP25N3X9.8Nm
WRENCH
1
2 N510046662AA AF95-5-300
O2
-
-
( KN610102541AA-00 )

2-A
シングルコンベア:NPM-W2
Single Conveyor:NPM-W2
パーツレイアウト
Kit No.
キット品番
Kit Name
キット名称
N610164022AA
セクションNo.
PARTS LAYOUT
Section No.
--
O3
( FN610164022AA-25-1 )
LAYOUT

Ref No. Remarks R
1
Q'ty
2-A
シングルコンベア:NPM-W2
Single Conveyor:NPM-W2
イラストNo.
Part No.
品 名品 番 数量
R
2
パーツリスト
Kit No.
キット品番
Kit Name
キット名称
N610164022AA
Part Name
備 考
セクションNo.
PARTS LIST
Section No.
R
3
GUIDE
2
P003 N210105097AC
GUIDE
2
P004 N210105096AB
GUIDE
2
P006 N210194670AC
GUIDE
2
P007 N210194671AD
PLATE
4
P008 N210194672AD
FRAME
1
P015 N210194710AC
FRAME
1
P016 N210194711AC
PULLEY
4
P034 N210092041AA
RING
4
P035 N210088855AA
A
GUIDE
4
P047 N210194688AA
DUCT
2
P602 N210157455AA
DUCT
1
P603 MTPB006876AA
PLATE
2
P609 N210194741AB
BRACKET
1
P630 N210197925AE
BRACKET
1
P631 N210197926AE
BRACKET
2
P634 N210197929AB
BRACKET
2
P642 N210200390AB
DUCT
2
P644 MTPB002807AA
DUCT
1
P647 MTPB006875AA
PULLEY
36
A001 N610127907AA
CABLE-SUPPORT
56
N002 N510048517AA FT4
BELT
2
N005 MTNK002598AA
A
TA-4UEB M/D2 4.5WX0.65TX1314.5L
FIBER
2
N007 N510060532AA CFT0350
FIBER
2
N008 N510060533AA CFT0351
BOLT
36
N009 N510056643AA SPECIAL LOW HEAD CAP M3X6L(SCM435.Fe3O4)
NUT
4
N010 MTNK007605AA 100405
MOTOR
4
N026 MTNM000367AA
S
DU13H713S-03
SPACER
2
N048 N510038548AA CF-508E
BELT
2
N052 MTNK002602AA
A
TA-4UEB M/D2 4.5WX0.65TX1174.5L
O4
--
( FN610164022AA-25-1 )