N7202A047B.pdf - 第231页
Ref No. Remark s R 1 Q'ty 30-B 30連交換台車駆動 部(右側):N PM-W 2 30 Slot Feeder C art Drive Unit(Right Side):N PM-W 2 イラストNo. Part No. 品 名 品 番 数量 R 2 パーツリスト Kit No. キット品番 Kit Nam e キット名称 N610156868A A Part Nam e 備 考 セクションN o…

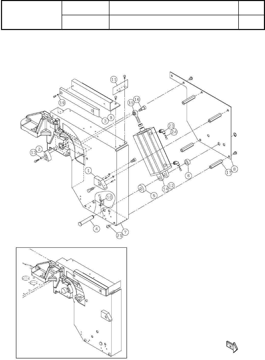
30-B
30連交換台車駆動部(右側):NPM-W2
30 Slot Feeder Cart Drive Unit(Right Side):NPM-W2
パーツレイアウト
Kit No.
キット品番
Kit Name
キット名称
N610156868AA
セクションNo.
PARTS LAYOUT
Section No.
-
-
O103
( KN610156868AA-10-2 )
LAYOUT

Ref No. Remarks R
1
Q'ty
30-B
30連交換台車駆動部(右側):NPM-W2
30 Slot Feeder Cart Drive Unit(Right Side):NPM-W2
イラストNo.
Part No.
品 名品 番 数量
R
2
パーツリスト
Kit No.
キット品番
Kit Name
キット名称
N610156868AA
Part Name
備 考
セクションNo.
PARTS LIST
Section No.
R
3
BLOCK
1
1 N210091111AC
GUIDE
1
2 N210093809AC
GUIDE
1
3 N210150031AB
SHAFT
1
4 N210143117AA
COLLAR
1
5 N210143118AA
COLLAR
1
6 N210143223AA
COVER
1
7 N210184899AD
PLATE
1
8 N210184900AA
BRACKET
1
9 MTPB007817AC
BRACKET
1
10 KXFB00JJA01
COVER
1
11 N210143122AC
SWITCH(400mm)
1
12 N610076513AA
SPACER
2
13 N510038787AA 3382330-50120
CYLINDER
1
14 N510056930AA CDQ2D50-135DC-XB10
ROD-END
1
15 KXF088CAA00 POS10EC
BOLT
1
16 N510032427AA MMSB10-15
SPACER
4
17 N510038834AA ASF-870E
SPACER
2
19 N510009576AA 3382330-40020
BOLT
9
21 N510017569AA
SSS 003 Hexagon socket button head screw M8X10-10.9 A2J (Trivalent)
JOINT
2
23 N510066458AA KQ2L06-02AS
ORIFICE-RING
2
24 N210157884AB
O104
-
-
( KN610156868AA-10-2 )

31-A
30連交換台車駆動部(左側):NPM-W2
30 Slot Feeder Cart Drive Unit(Left Side):NPM-W2
パーツレイアウト
Kit No.
キット品番
Kit Name
キット名称
N610156869AA
セクションNo.
PARTS LAYOUT
Section No.
-
-
O105
( KN610156869AA-09-1 )
LAYOUT