N7202A047B.pdf - 第266页
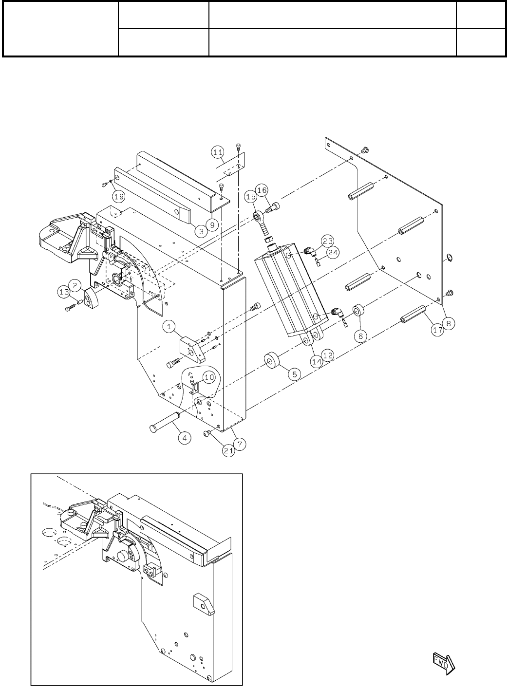
41-B 30連交換台車駆 動部(右側): NPM-W2 30 Slot Feeder Cart Drive Unit(R ight Side):NPM -W 2 パーツレイアウト Kit No. キット品番 Kit Name キット名称 N610156868A A セクシ ョンNo. PARTS LAYO UT Section No. - - O139 ( KN610156868 AA-10-2 ) LAYOUT

Ref No. Remarks R
1
Q'ty
41-A
30連交換台車駆動部(右側):NPM-W2
30 Slot Feeder Cart Drive Unit(Right Side):NPM-W2
イラストNo.
Part No.
品 名品 番 数量
R
2
パーツリスト
Kit No.
キット品番
Kit Name
キット名称
N610156868AA
Part Name
備 考
セクションNo.
PARTS LIST
Section No.
R
3
SHAFT
1
1 N210091107AA
LEVER
1
2 N210103096AE
LEVER
1
3 N210143124AB
SPACER
1
4 N210143115AA
SPRING
1
5 N210146764AB
GUIDE
1
6 N210199740AA
BRACKET
1
7 MTKP000197AB
CAM-FOLLOWER
1
8 N510036568AA CF-SFU-12B
BUSH
1
9 N510037242AA LFF-2010
BUSH
1
10 N510013369AA LFF-2015
WASHER
1
11 N510037241AA LFW-2015
PIN
1
12 N510020590AA MMS3-10
STOPPER
1
13 N510029795AA SPM-M8
DOWEL-PIN
1
14 N510038675AA MMST8-30
PIN
2
15 N510020618AA MMS6-15
POST
1
16 N210155169AB
BOLT
2
17 N510017516AA
SSS 003 Hexagon socket button head screw M4X10-10.9 A2J (Trivalent)
PIN
6
18 KXF0CXHAA00 1017003-40008
SPACER
1
19 MTNK000503AA CF-610ZE
PIN
4
20 N510020607AA MMS5-10
SPACER
1
21 N510019918AA CF-406E
GUIDE
1
22 N210201224AA
O138
-
-
( KN610156868AA-10-1 )

41-B
30連交換台車駆動部(右側):NPM-W2
30 Slot Feeder Cart Drive Unit(Right Side):NPM-W2
パーツレイアウト
Kit No.
キット品番
Kit Name
キット名称
N610156868AA
セクションNo.
PARTS LAYOUT
Section No.
-
-
O139
( KN610156868AA-10-2 )
LAYOUT

Ref No. Remarks R
1
Q'ty
41-B
30連交換台車駆動部(右側):NPM-W2
30 Slot Feeder Cart Drive Unit(Right Side):NPM-W2
イラストNo.
Part No.
品 名品 番 数量
R
2
パーツリスト
Kit No.
キット品番
Kit Name
キット名称
N610156868AA
Part Name
備 考
セクションNo.
PARTS LIST
Section No.
R
3
BLOCK
1
1 N210091111AC
GUIDE
1
2 N210093809AC
GUIDE
1
3 N210150031AB
SHAFT
1
4 N210143117AA
COLLAR
1
5 N210143118AA
COLLAR
1
6 N210143223AA
COVER
1
7 N210184899AD
PLATE
1
8 N210184900AA
BRACKET
1
9 MTPB007817AC
BRACKET
1
10 KXFB00JJA01
COVER
1
11 N210143122AC
SWITCH(400mm)
1
12 N610076513AA
SPACER
2
13 N510038787AA 3382330-50120
CYLINDER
1
14 N510056930AA CDQ2D50-135DC-XB10
ROD-END
1
15 KXF088CAA00 POS10EC
BOLT
1
16 N510032427AA MMSB10-15
SPACER
4
17 N510038834AA ASF-870E
SPACER
2
19 N510009576AA 3382330-40020
BOLT
9
21 N510017569AA
SSS 003 Hexagon socket button head screw M8X10-10.9 A2J (Trivalent)
JOINT
2
23 N510066458AA KQ2L06-02AS
ORIFICE-RING
2
24 N210157884AB
O140
-
-
( KN610156868AA-10-2 )