N7202A047B.pdf - 第461页
Ref No. Remark s R 1 Q'ty 105-B 30連交換台車駆動 部(右側) 可動カバー: NPM-W 2 30 Ex change Cha ssis Drives Right Side Mo vable C over:NPM - イラストNo. Part No. 品 名 品 番 数量 R 2 パーツリスト Kit No. キット品番 Kit Nam e キット名称 MTKA001854A A Part Na…

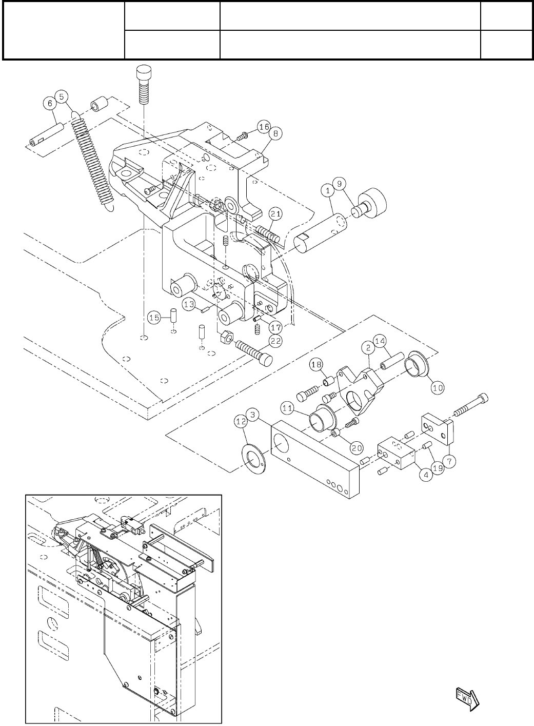
105-B
30連交換台車駆動部(右側) 可動カバー:NPM-W2
30 Exchange Chassis Drives Right Side Movable Cover:NPM-
パーツレイアウト
Kit No.
キット品番
Kit Name
キット名称
MTKA001854AA
セクションNo.
PARTS LAYOUT
Section No.
-
-
O333
( KMTKA001854AA-05-2 )
LAYOUT

Ref No. Remarks R
1
Q'ty
105-B
30連交換台車駆動部(右側) 可動カバー:NPM-W2
30 Exchange Chassis Drives Right Side Movable Cover:NPM-
イラストNo.
Part No.
品 名品 番 数量
R
2
パーツリスト
Kit No.
キット品番
Kit Name
キット名称
MTKA001854AA
Part Name
備 考
セクションNo.
PARTS LIST
Section No.
R
3
BLOCK
1
1 N210091111AC
GUIDE
1
2 N210093809AC
GUIDE
1
3 N210150031AB
SHAFT
1
4 N210143117AA
COLLAR
1
5 N210143118AA
COLLAR
1
6 N210143223AA
ORIFICE-RING
2
7 N210157884AB
SHAFT
1
8 MTPA002556AB
COVER
1
9 MTPB001549AB
PLATE
1
10 MTPB002639AA
BRACKET
1
11 MTPB002071AC
BRACKET
1
12 MTPB001457AA
COVER
1
13 MTPB002070AA
PLATE
1
14 MTPB002081AB
SWITCH(400mm)
1
15 MTKP001342AA
SPACER
2
16 N510038787AA 3382330-50120
CYLINDER
1
17 N510056930AA CDQ2D50-135DC-XB10
ROD-END
1
18 KXF088CAA00 POS10EC
BOLT
1
19 N510032427AA MMSB10-15
SPACER
4
20 N510038834AA ASF-870E
SPACER
2
21 N510009576AA 3382330-40020
BOLT
9
22 N510017569AA
SSS 003 Hexagon socket button head screw M8X10-10.9 A2J (Trivalent)
JOINT
2
23 N510066458AA KQ2L06-02AS
SPACER
1
24 N510038216AA ASF-640E
BOLT
2
25 N510000423AA SRBS-M4X8
POST
1
26 MTPA004637AA
CABLE-SUPPORT
1
27 N510048517AA FT4
O334
-
-
( KMTKA001854AA-05-2 )

106-A
30連交換台車駆動部(左側) 可動カバー:NPM-W2
30 Exchange Chassis Drives Left Side Movable Cover:NPM-
パーツレイアウト
Kit No.
キット品番
Kit Name
キット名称
MTKA001855AA
セクションNo.
PARTS LAYOUT
Section No.
-
-
O335
( KMTKA001855AA-03-1 )
LAYOUT