N7202A047B.pdf - 第542页
126-D 3ノズルヘッド :NPM-W 3 NOZZLE HEAD :NPM-W パーツレイアウト Kit No. キット品番 Kit Name キット名称 N610157754A A セクシ ョンNo. PARTS LAYO UT Section No. - - O415 ( FN610157754 AA-21-4 ) LAYOUT

Ref No. Remarks R
1
Q'ty
126-C
3ノズルヘッド:NPM-W
3 NOZZLE HEAD:NPM-W
イラストNo.
Part No.
品 名品 番 数量
R
2
パーツリスト
Kit No.
キット品番
Kit Name
キット名称
N610157754AA
Part Name
備 考
セクションNo.
PARTS LIST
Section No.
R
3
NUT
3
P022 KXFB0APSA00
HOLDER
3
P023 N210017657AB
RING
3
P024 KXFB0APTB00
HOLDER
3
P025 KXFB0APUB00
CYLINDER
3
P026 KXFB0APVA00
PISTON
3
P027 KXFB0ATVA00
COLLAR
3
P029 KXFB0ATXA00
CLAMP
6
P030 KXFB00L1A02
A
RING
3
P031 KXFB0ATYA00
ARM
3
P032 KXFB00HMA02
PIECE
3
P033 N210110278AA
RING
3
P034 MTPA013098AA
SCREW
3
P035 N210133825AA
COUPLING
3
P037 KXFB0HBTA00
SPRING
3
P053 N210201305AB
A
SHIM
9
P151 MTPB008948AA
DOG
3
P622 N210026984AA
FILTER
3
A003 N610009394AC
TUBE (173mm CUT)
3
A004 N610144924AC
PLATE
3
A021 MTKP005230AA
HOUSING
3
A028 MTKP005231AA
BEARING
6
N042 N510033224AA
C-RING
6
N043 KXF0A74AA00 STW-9
PACKING
12
N044 KXF05YHAA00
A
MYA-6
JOINT
3
N045 N431PLH4M5M
DIAPHRAGM
3
N046 KXF0DZHVA00
DM2-13-13-T2.NN501(Delivery drawing available)
BALL-SPLINE
3
N047 N510037999AA LF6SGCSM+66LPM(12028716X002)
BEARING
12
N049 KXF0DZXDA00 F-679
FASTENER
6
N053 KXF0DKMAA00 BX2.5-8(Drawing available 0DKMA)
BOLT
18
N055 XVE26B6FTC
Hexagon socket head cap screw M2.6X6-12.9 SOB
BOLT
3
N056 XVE2B5FTC Hexagon socket head cap screw M2X5-12.9 SOB
BOLT
12
N057 XVE26B12FTC
Hexagon socket head cap screw M2.6X12-12.9 SOB
BOLT
6
N059 XVE25B8FTC
Hexagon socket head cap screw M2.5X8-12.9 SOB
O-RING
3
N063 KXF0DJ1AA00 CO0614A
JOINT
3
N066 MTNP000776AB M-5AU-6
MOTOR
3
N067 N510043455AA
S
P50BA2002BXS3D
PIN
3
N118 N510020590AA MMS3-10
O414
-
-
( FN610157754AA-21-3 )

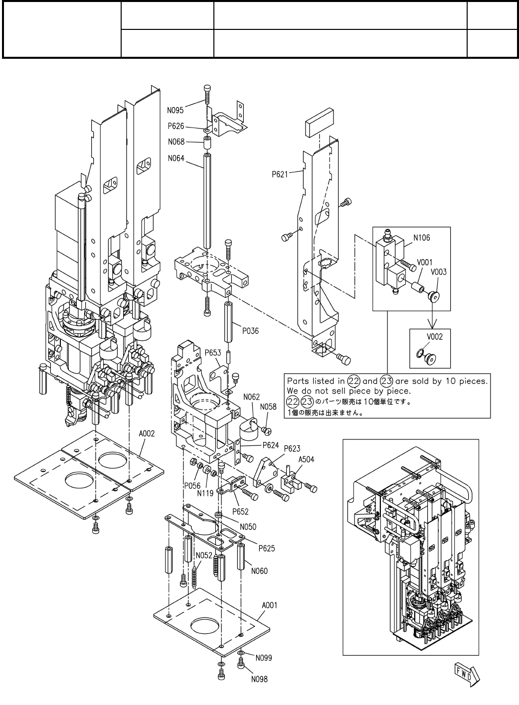
126-D
3ノズルヘッド:NPM-W
3 NOZZLE HEAD:NPM-W
パーツレイアウト
Kit No.
キット品番
Kit Name
キット名称
N610157754AA
セクションNo.
PARTS LAYOUT
Section No.
-
-
O415
( FN610157754AA-21-4 )
LAYOUT

Ref No. Remarks R
1
Q'ty
126-D
3ノズルヘッド:NPM-W
3 NOZZLE HEAD:NPM-W
イラストNo.
Part No.
品 名品 番 数量
R
2
パーツリスト
Kit No.
キット品番
Kit Name
キット名称
N610157754AA
Part Name
備 考
セクションNo.
PARTS LIST
Section No.
R
3
POST
3
P036 KXFB0AU3A00
COLLAR
12
P056 N210198705AB
BRACKET
3
P621 N210142974AC
PLATE
3
P623 N210082178AA
STOPPER
6
P624 N210016069AA
PLATE
3
P625 MTPB009700AA
DOG
3
P626 N210148248AB
BRACKET
3
P652 MTPB009743AA
BRACKET
3
P653 N210198656AC
REFLECTOR
2
A001 MTKP005427AA
REFLECTOR
1
A002 MTKP005428AA
SENSOR
3
A504 MTKP005547AA
SPACER
3
N050 N510019911AA CB-302E
SPRING
6
N052 KXF0E07FA00
A
SP
SCREW
3
N058 N510018279AA
Cross recessed Truss head machine screw M4X6-4.8 A2J (Trivalent)
SPACER
12
N060 N510064234AA ASL-325E
CLIP
3
N062 KXF08EUAA00 NK-4N
SPACER
3
N064 N510017047AA ASB-3100E
SPACER
3
N068 N510059493AA CL-310E
BOLT
6
N095 N510017312AA
Hexagon socket head cap screw M3X15-10.9 A2J (Trivalent)
BOLT
12
N098 N510017338AA
Hexagon socket head cap screw M3X6-10.9 A2S (Trivalent)
WASHER
12
N099 N510033304AA
Small round-plain washer 3 10H A2S (Trivalent)
SENSOR
3
N106 MTNS000432AA PFMV530F-1-N-X518C
BEARING
6
N119 KXF0C8ZAA00 683ZZ
ELEMENT
10
V001 N510059196AA ZS-36-A-X264
O-RING
10
V002 N510059865AA ZS-36-A-X271
CAP
1
V003 N510067900AA ZS-36-A-X314
O416
-
-
( FN610157754AA-21-4 )