N7202A047B.pdf - 第645页
Ref No. Remark s R 1 Q'ty 147-B 軽量8ノズル ヘッド Light W eight 8 Nozz le Head イラストNo. Part No. 品 名 品 番 数量 R 2 パーツリスト Kit No. キット品番 Kit Nam e キット名称 N610166370A A Part Nam e 備 考 セクションN o. PARTS LIST Section No. R 3 BLOC K 4…

147-B
軽量8ノズルヘッド
Light Weight 8 Nozzle Head
パーツレイアウト
Kit No.
キット品番
Kit Name
キット名称
N610166370AA
セクションNo.
PARTS LAYOUT
Section No.
-
-
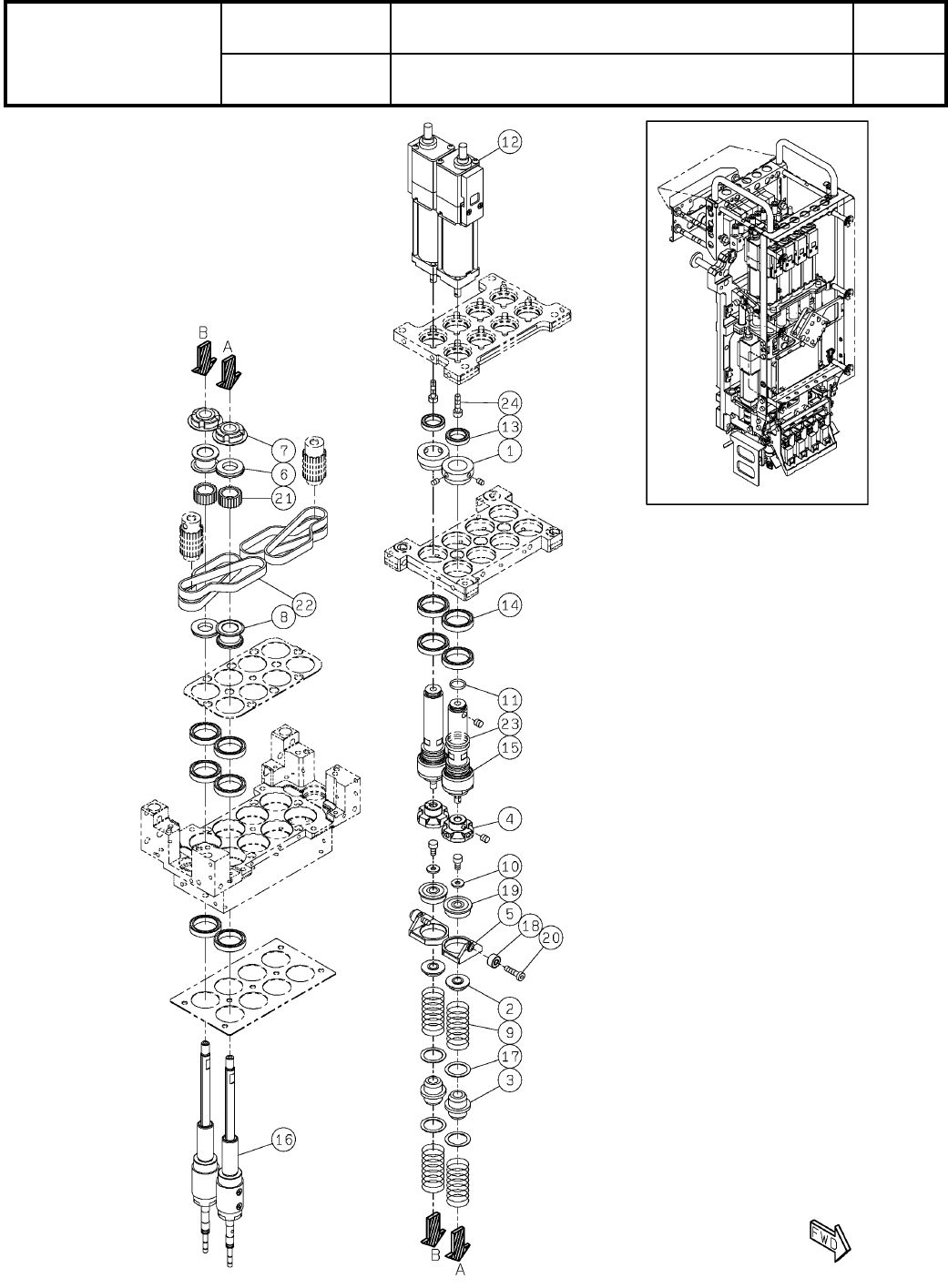
O517
( KN610166370AA-15_A-2 )
LAYOUT

Ref No. Remarks R
1
Q'ty
147-B
軽量8ノズルヘッド
Light Weight 8 Nozzle Head
イラストNo.
Part No.
品 名品 番 数量
R
2
パーツリスト
Kit No.
キット品番
Kit Name
キット名称
N610166370AA
Part Name
備 考
セクションNo.
PARTS LIST
Section No.
R
3
BLOCK
4
1 MTKA005217AA
PLATE
2
2 MTKA005218AA
POST
1
3 MTPA000384AB
GEAR
2
4 MTPA000060AD
PINION
2
5 MTPA000061AB
COLLAR
4
6 MTPA000062AB
BRACKET
1
7 MTPB000019AC
BRACKET
2
8 MTPB000020AC
BRACKET
1
9 MTPB000179AC
COVER
1
10 N210198550AB
COVER
1
11 N210198552AB
TUBE(84mm CUT)
1
12 MTKP000839AA
SENSOR(350mm)
1
13 MTKP000120AF
A
SENSOR(450mm)
1
14 MTKP000119AF
A
PIN
4
15 N510020589AA MMS3-8
BOLT
1
17 N510067764AA Low Head Cap Screw M3X6-8.8 A2J(Trivalent)
BEARING
8
18 MTNB000886AA DDR-930ZZY04MTH P5P24LY21
SPACER
4
19 N510020996AA CF-301E
MOTOR
2
20 MTNM000004AA
S
R2GA02D20FXSP1
PULLEY
2
21 MTNB000016AA P24-2GT-BLP(P1401-019)
BEARING
2
22 N510003585AA DDA-1510ZZ H P0P25LY121
BOLT
2
23 N510017247AA
Hexagon socket head cap screw M2.5X8-10.9 A2J (Trivalent)
BEARING
2
24 N510003597AA DDLF-630ZZ H P0P25LY72
MANIFOLD
1
25 MTNP001526AA VV3Q12-04-X448C
MANIFOLD
1
26 MTNP001527AA VV3Q12-04-X449C
SCREW
6
27 N510068754AA SNZS-M1.6X2-VA
BOLT
2
28 MTNK000514AA
Ultra Low Head Cap Screw M3X16-8.8 A2J(Trivalent)
VALVE
8
29 N510054843AA VQ111U-5MO-X479
SENSOR
1
30 MTNS000437AA PFMV530F-1-N-X537C
ELEMENT
8
31 N510059928AA AXT1197-7A-03
JOINT
8
32 N510054845AA AXT1197-1A
O-RING
8
33 N510059867AA AXT1197-8A
SENSOR
1
34 MTNS000438AA PFMV530F-1-N-X538C
O518
-
-
( KN610166370AA-15_A-2 )

147-C
軽量8ノズルヘッド
Light Weight 8 Nozzle Head
パーツレイアウト
Kit No.
キット品番
Kit Name
キット名称
N610166370AA
セクションNo.
PARTS LAYOUT
Section No.
-
-
O519
( KN610166370AA-15_A-3 )
LAYOUT