N7202A047B.pdf - 第691页
Ref No. Remark s R 1 Q'ty 162-A 捨て打ちユニット (塗布ヘッド): NPM Test Dispense Unit (DISP ENSER HEAD): NPM イラストNo. Part No. 品 名 品 番 数量 R 2 パーツリスト Kit No. キット品番 Kit Nam e キット名称 N610092665A A Part Nam e 備 考 セクションN o. PARTS LIST …

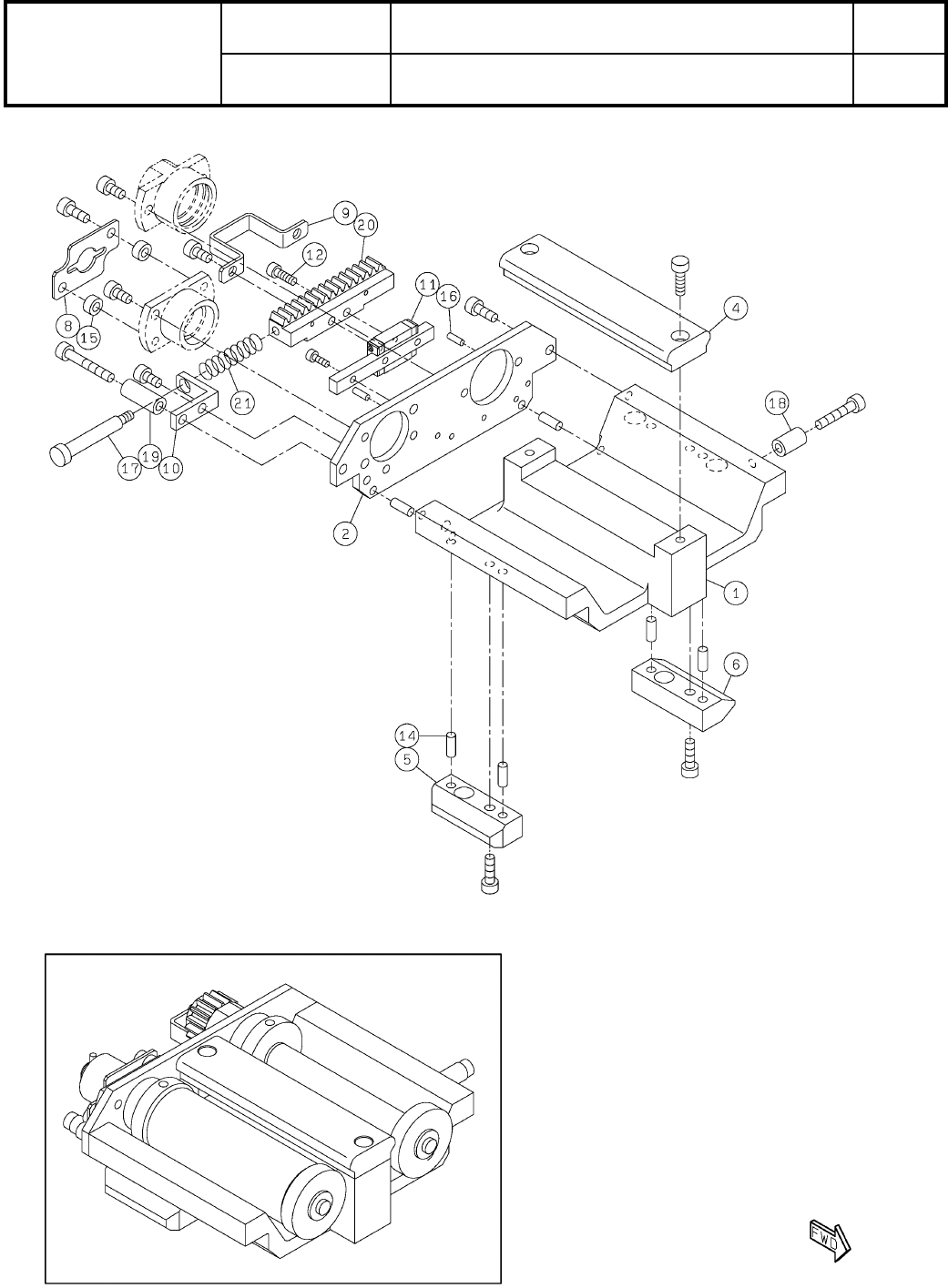
162-A
捨て打ちユニット(塗布ヘッド):NPM
Test Dispense Unit (DISPENSER HEAD):NPM
パーツレイアウト
Kit No.
キット品番
Kit Name
キット名称
N610092665AA
セクションNo.
PARTS LAYOUT
Section No.
-
-
O563
( KN610092665AA-08-1 )
LAYOUT

Ref No. Remarks R
1
Q'ty
162-A
捨て打ちユニット(塗布ヘッド):NPM
Test Dispense Unit (DISPENSER HEAD):NPM
イラストNo.
Part No.
品 名品 番 数量
R
2
パーツリスト
Kit No.
キット品番
Kit Name
キット名称
N610092665AA
Part Name
備 考
セクションNo.
PARTS LIST
Section No.
R
3
BASE
1
1 N210135216AB
PLATE
1
2 N210131679AC
BLOCK
1
4 N210135218AA
BLOCK
1
5 N210092269AC
BLOCK
1
6 N210092268AD
PLATE
1
8 N210111278AB
BRACKET
1
9 N210135219AA
BRACKET
1
10 N210145181AA
LINEAR-WAY
1
11 N510057419AA LWL5C1R45E523
BOLT
2
12 N510017252AA
Hexagon socket head cap screw M2.6X8-10.9 A2J (Trivalent)
PIN
6
14 N510020589AA MMS3-8
SPACER
2
15 N510024882AA CB-303E
PIN
2
16 KXF0525AA00 SPP2-6
BOLT
1
17 N510032513AA MMSB4.5-25
SPACER
1
18 N510020196AA CB-310E
SPACER
1
19 N510017093AA CB-315E
RACK
1
20 N610114116AA
SPRING
1
21 N510052370AA C148
O564
-
-
( KN610092665AA-08-1 )

162-B
捨て打ちユニット(塗布ヘッド):NPM
Test Dispense Unit (DISPENSER HEAD):NPM
パーツレイアウト
Kit No.
キット品番
Kit Name
キット名称
N610092665AA
セクションNo.
PARTS LAYOUT
Section No.
-
-
O565
( KN610092665AA-08-2 )
LAYOUT