N7202A047B.pdf - 第82页
9 他軸干渉 センサ:NPM-W 2 Interference Sensor:NPM -W 2 パーツレイアウト Kit No. キット品番 Kit Name キット名称 N610168718A A セクシ ョンNo. PARTS LAYO UT Section No. - - S35 ( KN610168718 AA-04 ) LAYOUT

Ref No. Remarks R
1
Q'ty
8-D
X軸:NPM-W2
X-Axis:NPM-W2
イラストNo.
Part No.
品 名品 番 数量
R
2
パーツリスト
Kit No.
キット品番
Kit Name
キット名称
N610154663AA
Part Name
備 考
セクションNo.
PARTS LIST
Section No.
R
3
SHAFT
1
P040 N210194916AB
SHAFT
1
P041 MTPA001863AA
STOPPER
1
P203 N210198064AA
SCREW
1
N201 XXF12C45FT
Hexagon socket set screw Flat point M12X35-45H SOB
WASHER
1
N202 N510027223AA
Round finish plain washer (JIS B 1256:1978) 12 10H A2J (Trivalent)
NUT
1
N203 N510046390AA
U-nut M12 SK5 Type-2 S45C Trivalent chromate(white)
S34
-
-
( FN610154663AA-25-4 )

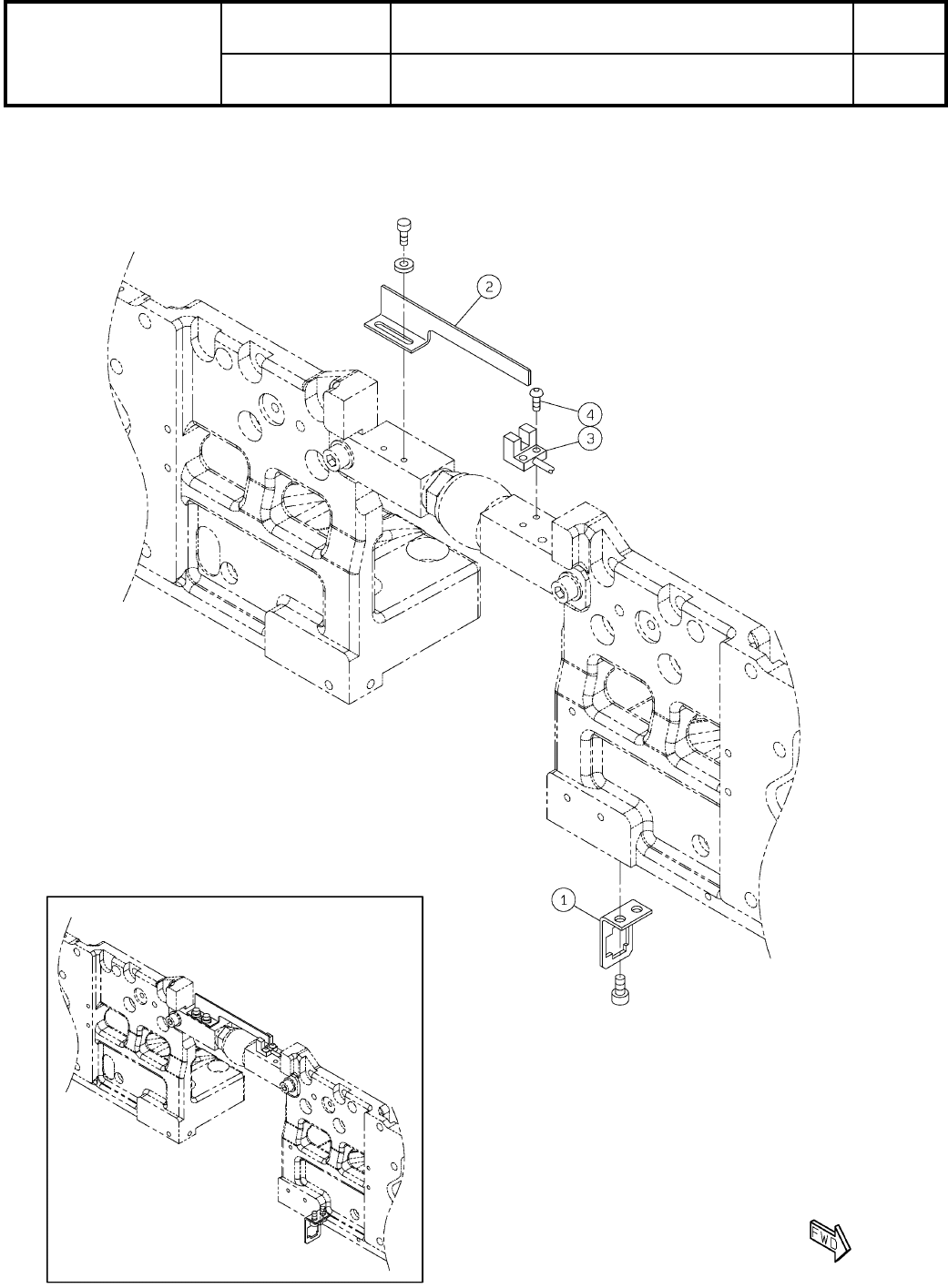
9
他軸干渉センサ:NPM-W2
Interference Sensor:NPM-W2
パーツレイアウト
Kit No.
キット品番
Kit Name
キット名称
N610168718AA
セクションNo.
PARTS LAYOUT
Section No.
-
-
S35
( KN610168718AA-04 )
LAYOUT

Ref No. Remarks R
1
Q'ty
9
他軸干渉センサ:NPM-W2
Interference Sensor:NPM-W2
イラストNo.
Part No.
品 名品 番 数量
R
2
パーツリスト
Kit No.
キット品番
Kit Name
キット名称
N610168718AA
Part Name
備 考
セクションNo.
PARTS LIST
Section No.
R
3
BRACKET
1
1 KXFB02ALA00
DOG
1
2 N210134661AA
SENSOR
1
3 MTNS000238AA EE-SX951-C2J-R 0.3M
BOLT
2
4 N510000327AA
Hexagon socket button head screw M3X8 Steel Black oxide finish 12.9
S36
-
-
( KN610168718AA-04 )