N7202A047B.pdf - 第838页
219-D ヘッドメンテナ ンスユニ ット Head M aintenance U nit パーツレイアウト Kit No. キット品番 Kit Name キット名称 MTKA032567 AB セクシ ョンNo. PARTS LAYO UT Section No. - - O711 ( KMTKA032567 AB-02-4 ) LAYOUT

Ref No. Remarks R
1
Q'ty
219-C
ヘッドメンテナンスユニット
Head Maintenance Unit
イラストNo.
Part No.
品 名品 番 数量
R
2
パーツリスト
Kit No.
キット品番
Kit Name
キット名称
MTKA032567AB
Part Name
備 考
セクションNo.
PARTS LIST
Section No.
R
3
PLATE
1
1 MTPA012433AA
BLOCK
1
2 N210193948AC
PIN
1
3 N210178346AA
BLOCK
1
4 N210193955AB
PIN
1
5 N210178345AA
SPRING
1
6 N210178344AB
BRACKET
1
7 N210196074AA
PLATE
1
8 N210192255AA
BRACKET
1
9 N210193946AD
BLOCK
1
10 MTPA046003AB
BRACKET
1
11 MTPB029098AA
BRACKET
1
12 MTPB029099AC
BRACKET
1
13 MTPB029100AC
AIR-SRIDE
1
14 N610151974AB
PLATE
1
15 MTKP015214AA
AIR-CHUCK-KIT
1
16 MTKP015338AA
JOINT
2
17 N510066684AA KQ2L04-M5N
SPEED-CONTROLLER
2
18 KXF00YMAA00 AS1201F-M5-04
BOLT
6
19 N510067899AA Low Head Cap Screw M4X10-A2-50
PIN
1
20 N510020599AA MMS4-20
BOLT
1
21 N510017733AA
Hexagon head bolt Best class M4X35-6g 4T A2J (Trivalent)
SCREW
1
22 N510018352AA
Hexagon socket set screw Cup point M2.5X4-45H A2J (Trivalent)
SCREW
4
23 N510018440AA
Hexagon socket set screw Flat point M4X8-45H A2J (Trivalent)
O710
-
-
( KMTKA032567AB-02-3 )

219-D
ヘッドメンテナンスユニット
Head Maintenance Unit
パーツレイアウト
Kit No.
キット品番
Kit Name
キット名称
MTKA032567AB
セクションNo.
PARTS LAYOUT
Section No.
-
-
O711
( KMTKA032567AB-02-4 )
LAYOUT

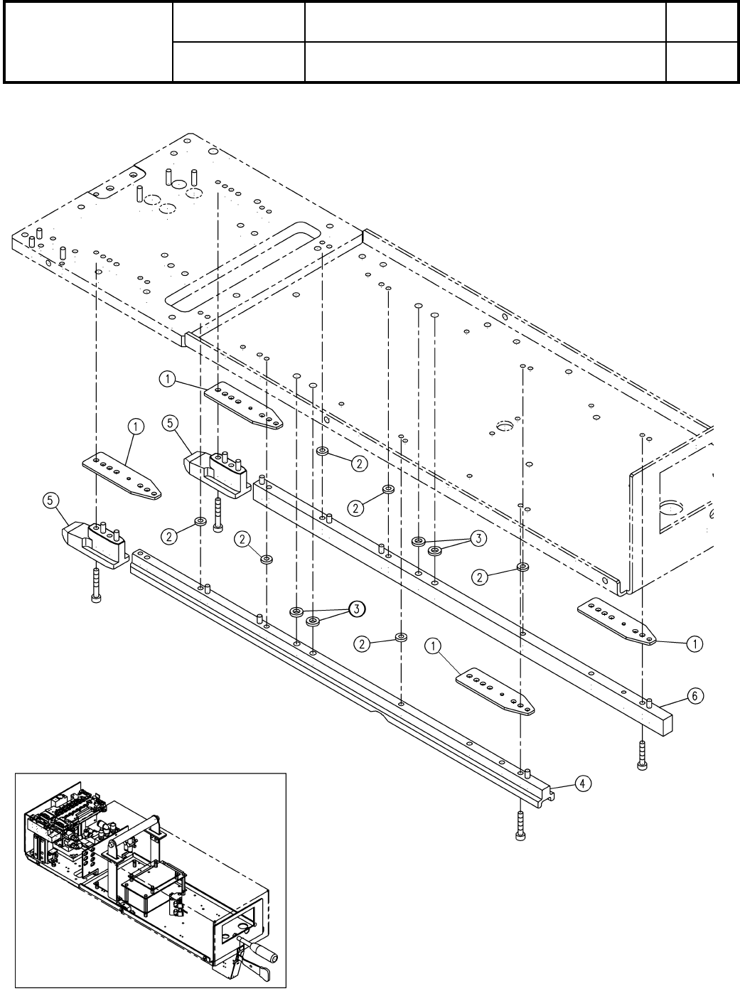
Ref No. Remarks R
1
Q'ty
219-D
ヘッドメンテナンスユニット
Head Maintenance Unit
イラストNo.
Part No.
品 名品 番 数量
R
2
パーツリスト
Kit No.
キット品番
Kit Name
キット名称
MTKA032567AB
Part Name
備 考
セクションNo.
PARTS LIST
Section No.
R
3
PLATE
4
1 N210005450AB
COLLAR
6
2KXFA1Q1CA00
COLLAR
4
3 MTPA002615AA
BLOCK
1
4 N610163737AC
GUIDE
2
5 N610152026AA
BLOCK
1
6 N610165103AB
O712
-
-
( KMTKA032567AB-02-4 )