TCM3500结构图 - 第67页
MEMO

MODEL TCM-3500Z-2
0109-001
64
Key No. PART No. PART NAME Q’ty REMARKS
NOTE
3-16
53 630 000 8937 SET SCREW 1 M4X12 SET
54 411 141 0307 NUT HEX 4 1 M4
55 630 049 3078 SPRING,COMP 1 678KB-02B-137
56 630 059 5611 BLOCK 1 678KB-02B-112
57 411 141 4107 WASHER V 5X10X1 2 FW5
58 411 141 6705 WASHER SPR 5 2 SW5
59 630 000 7763 BOLT,HEX-SCT 2 M5X16

MEMO

MODEL TCM-3500Z-2
0109-001
66
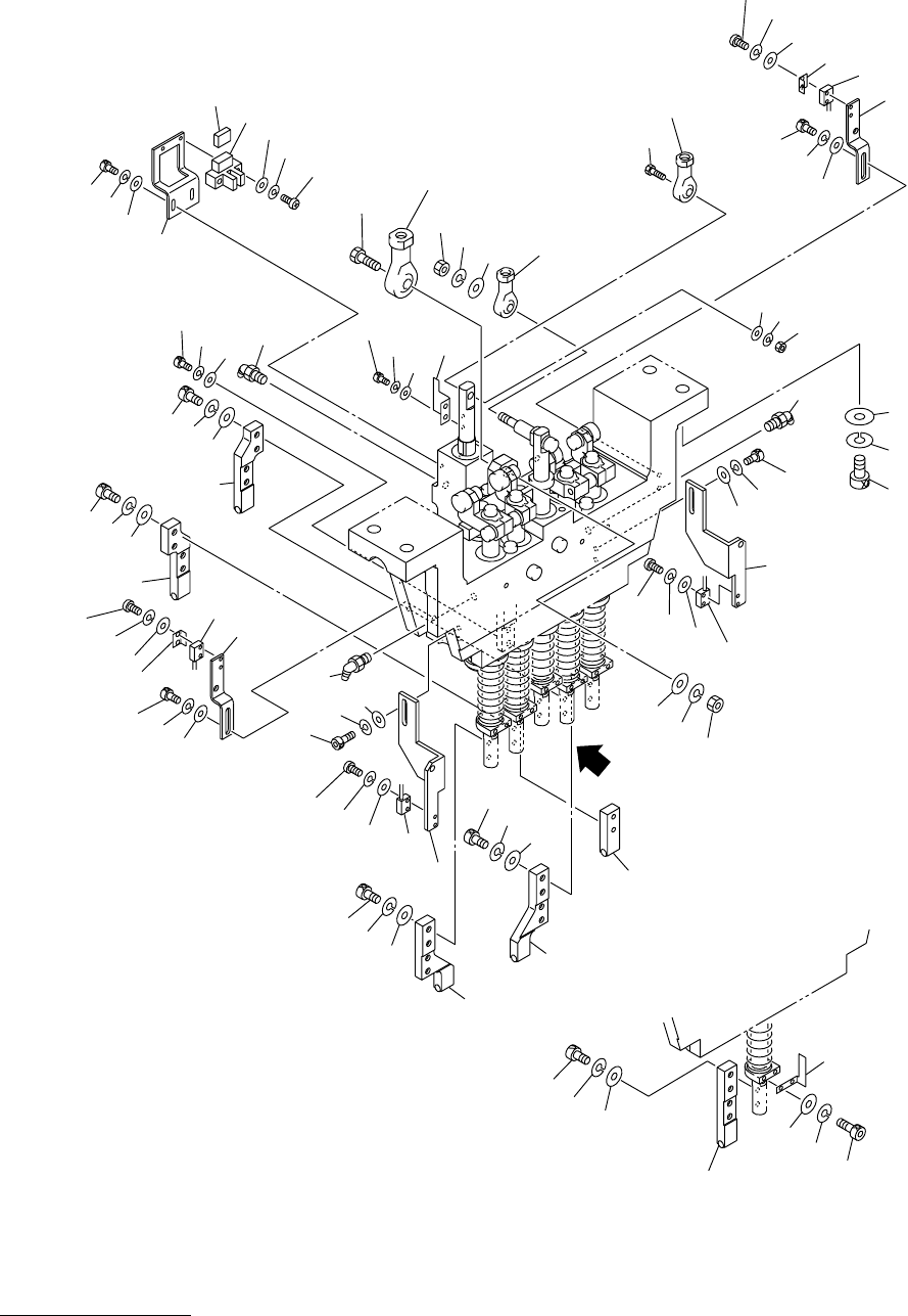
ࡋ࠶࠼㚟േㇱ HEAD DRIVING SECTION
Fig. 3-17 ࠹ࡊㅍࠅㇱ 2 Tape Feed Section-2
87
See Fig.3-10
See Fig.3-10
Key No.33
Key No.33
88
88
89
90
90
92
92
93
93
96
95
95
94
91
91
100
100
100
101
155
154
153
153
152-1
158
157
156
152
151-2
74
73
72
72
72
72
67
71-4
71-3
71-3
71-1
71-2
71-2
102
103
97
98
99
84
84
82
82
81
81
80
62
62
61
61
60
60
79
79
85
86
86
83
See Fig.3-10
See Fig.3-10
Key No.44
See Fig.3-10
Key No.38
75
75
77
77
76
78
78
74
74
73
73
72
74
73
72
73
68
64
63
65
66
66
70
70
69
69
151-4
153
153
152
154
155
158
156
157
153
152
154
155
153
152-1
154
155
156
156
157
157
158
158
151-3
151-3
152
152
151-1
151-1
DETAIL "A"
A