00198460-01_DC_SIPLACE_TX-EditionV2_DE EN - 第73页
electric_schematic SIPLACE TX_V2 electric_schematic SIPLACE TX_V2 electric_schematic SIPLACE TX_V2 electric_schematic SIPLACE TX_V2 90012669-010501LE3 Replaced by FCU_Connection_Assembly_Loc1_CO Ti_I FCU_Connection_Assem…

electric_schematic SIPLACE TX_V2
electric_schematic SIPLACE TX_V2
electric_schematic SIPLACE TX_V2
electric_schematic SIPLACE TX_V2
90012669-010501LE3
Replaced by
FCU Control
FCU Control
FCU Control
FCU Control
Replaced by
Weitergabe sowie Vervielfältigung dieser Unterlage, Verwertung und
Mitteilung des Inhalts nicht gestattet, soweit nicht ausdrücklich zugestanden.
Proprietary Data, company confidential.
All rights reserved
Copying of this document, giving it to others and the use or
communication of the contents thereof, are forbidden without express authority.
Doc. No.
0 1 2 3 4 5 6 7 8 9
Privileged business information.
Do not release
Offenders are liable to payment of damages. All rights are reserved in the
event of the grant or the registration of a utility model or design.
Zuwiederhandlungen verpflichten zu Schadenersatz. Alle Rechte vorbehalten,
insbesondere für den Fall der Patenterteilung oder GM-Eintragung vorbehalten.
Page:
Function: TX_V2 COTi with FCU_CA
==03146501=TX+FCU_CA/67
drawing number:
03153007-010101LE3
FCU Control
FCU Contr
ol
FCU Control
FCU Control
GmbH & Co KG
ASM
Assembly Systems
Copyright reserved
Ed.
Original
Pingist
Date
Date
Modification
Appr
07.02.2018
Name
Size DIN A2
Sheet
67
/
2
Connector Assembly (CA)
Connector Assembly (CA)
Connector Assembly (CA)
Connector Assembly (CA)
X19 / X20 Data EDIF (use twisted pair wiring!)
X19 / X20 Data EDIF (use twisted pair wiring!)
X19 / X20 Data EDIF (use twisted pair wiring!)
X19 / X20 Data EDIF (use twisted pair wiring!)
J7 / J8 Power Special Feeder
J7 / J8 P
ower Special Feeder
J7 / J8 Power Special Feeder
J7 / J8 Power Special Feeder
J5 / J6 Power FCU
J5 / J6 P
ower FCU
J5 / J6 Power FCU
J5 / J6 Power FCU
X34 Safety Switches
X34 Saf
ety Switches
X34 Safety Switches
X34 Safety Switches
Connector Panel COTi (CP)
Connector P
anel COTi (CP)
Connector Panel COTi (CP)
Connector Panel COTi (CP)
X100 Waste bin
X100 W
aste bin
X100 Waste bin
X100 Waste bin
X101 COTi Control
X101 CO
Ti Control
X101 COTi Control
X101 COTi Control
X102 Tape Cutter
X102 T
ape Cutter
X102 Tape Cutter
X102 Tape Cutter
X103 Unlock Unit
X103 Unlock Uni
t
X103 Unlock Unit
X103 Unlock Unit
X104 CAN special feeder
X104 CAN special feeder
X104 CAN special feeder
X104 CAN special feeder
X105 Safety Glue Feeder
X105 Saf
ety Glue Feeder
X105 Safety Glue Feeder
X105 Safety Glue Feeder
X106 Nozzle Changer
X106 Nozzle Changer
X106 Nozzle Changer
X106 Nozzle Changer
03154202-020101le3
03154198-020101le3
-X1.FCU
-
X1.FCU
-X1.FCU
-X1.FCU
Power in
A1
27V
A2
GND
B1
27V
B2
GND
-A1
-
A1
-A1
-A1
FCU Control unit PCBA
FCU.CP2
FCU
.CP2
FCU.CP2
FCU.CP2
Interconnection PCBA to
expand TX V2 FCU control PCBA
FCU.CP2
FCU
.CP2
FCU.CP2
FCU.CP2
Interconnection PCBA to
expand TX V2 FCU control PCBA
Power_fail
-X31.FCU
-
X31.FCU
-X31.FCU
-X31.FCU
1
24V_COTi
2
PWR_OK
PE_FCU
PE_FCU
PE_FCU
PE_FCU
==ME+03153007/40.5
==ME+-PWR_OK.PS6
/66.3
==ME+-27V.COTi
/66.3
==ME+-27V(F31)
/66.2
==ME+-GND27.3
/66.2
==ME+-27V(F32)
/66.2
==ME+-GND27.4
/66.2

electric_schematic SIPLACE TX_V2
electric_schematic SIPLACE TX_V2
electric_schematic SIPLACE TX_V2
electric_schematic SIPLACE TX_V2
90012669-010501LE3
Replaced by
FCU_Connection_Assembly_Loc1_COTi_I
FCU_Connection_Assembly_Loc1_COTi_I
FCU_Connection_Assembly_Loc1_COTi_I
FCU_Connection_Assembly_Loc1_COTi_I
Replaced by
Weitergabe sowie Vervielfältigung dieser Unterlage, Verwertung und
Mitteilung des Inhalts nicht gestattet, soweit nicht ausdrücklich zugestanden.
Proprietary Data, company confidential.
All rights reserved
Copying of this document, giving it to others and the use or
communication of the contents thereof, are forbidden without express authority.
Doc. No.
00 01 02 03 04 05 06 07 08 09
Privileged business information.
Do not release
Offenders are liable to payment of damages. All rights are reserved in the
event of the grant or the registration of a utility model or design.
Zuwiederhandlungen verpflichten zu Schadenersatz. Alle Rechte vorbehalten,
insbesondere für den Fall der Patenterteilung oder GM-Eintragung vorbehalten.
Page:
Function: TX_V2 COTi with FCU_CA
==03146501=TX+Loc1/68
drawing number:
03146501-010101LE3
FCU COTi Location 1
FCU CO
Ti Location 1
FCU COTi Location 1
FCU COTi Location 1
GmbH & Co KG
ASM
Assembly Systems
Copyright reserved
Ed.
Original
Langerd
Date
Date
Modification
Appr
02.03.2018
Name
Size DIN A2
Sheet
68
/
4
- Location 1 -
- Location 1 -
- Location 1 -
- Location 1 -
Power_FCU
Power_FCU
Power_FCU
Power_FCU
Feeder 1
F
eeder 1
Feeder 1
Feeder 1
Feeder 2
F
eeder 2
Feeder 2
Feeder 2
Feeder 40
F
eeder 40
Feeder 40
Feeder 40
Track 40
T
rack 40
Track 40
Track 40Track 1
Track 1
Track 1
Track 1 Track 2
Track 2
Track 2
Track 2
Feeder 20
F
eeder 20
Feeder 20
Feeder 20
Track 20
T
rack 20
Track 20
Track 20
Feeder 3
F
eeder 3
Feeder 3
Feeder 3
Track 3
T
rack 3
Track 3
Track 3
Feeder 21
F
eeder 21
Feeder 21
Feeder 21
Track 21
T
rack 21
Track 21
Track 21
Feeder 22
F
eeder 22
Feeder 22
Feeder 22
Track 22
T
rack 22
Track 22
Track 22
Feeder 23
F
eeder 23
Feeder 23
Feeder 23
Track 23
T
rack 23
Track 23
Track 23
. . . . . . . .
. . . . . . . .
. . . . . . . .
. . . . . . . .
. . . . . . . .
. . . . . . . .
. . . . . . . .
. . . . . . . .
. . . . . . . .
. . . . . . . .
. . . . . . . .
. . . . . . . .
. . . . . . . .
. . . . . . . .
. . . . . . . .
. . . . . . . .
Feeder
F
eeder
Feeder
Feeder
21 - 40
21 - 40
21 - 40
21 - 40
Feeder
F
eeder
Feeder
Feeder
1 - 20
1 - 20
1 - 20
1 - 20
Connector plate
Connector plate
Connector plate
Connector plate
03152757-xx
03152757-
xx
03152757-xx
03152757-xx
-X19
-
X19
-X19
-X19
DATA_EDIF_I
MOLEX
DVI-I (24+5)
Receptacle
Connector
74320-1000
56-S00754
03151054
RST_DISTR_I_P
RST_DISTR_I_M
SPI_I_CLK_P
SPI_I_MOSI_P
SPI_I_CLK_M
SPI_I_MOSI_M
SPI_I_CS0_P
SPI_I_CS0_M
SPI_I_CS1_P
SPI_I_CS2_P
SPI_I_CS1_M
SPI_I_CS2_M
CAN1_UP_TX_P
CAN1_UP_TX_M
CAN1_UP_RX_P
NCONFIG_I_P
CAN1_UP_RX_M
NCONFIG_I_M
DRV_I_RES1_P
DRV_I_RES1_M
SPI_I_MISO_P
SPI_I_MISO_M
GND_SATI
GND_SATI
RST_PLD_I_P
RST_PLD_I_M
REC_I_RES1_P
REC_I_RES1_M
-FCU.CA
-FCU
.CA
-FCU.CA
-FCU.CA
PCBA_FCU Connection Assembly TX_V2
PCBA_FCU Connection Assembly TX_V2
PCBA_FCU Connection Assembly TX_V2
PCBA_FCU Connection Assembly TX_V2
(FCU Supply Unit)
(FCU Supply Uni
t)
(FCU Supply Unit)
(FCU Supply Unit)
03154202
2 3 4 5 61 7 8 9 10 11 12 13 14 15 16 17 18 19 20 21 22 23 24
25
C5(A)
C5(A)
C5(A)
C5(A)
26
C5(B)
C5(B)
C5(B)
C5(B)
27
C1
C1
C1
C1
28
C2
C2
C2
C2
29
C3
C3
C3
C3
30
C4
C4
C4
C4
CAN1_IF_OUT_P
CAN1_IF_OUT_M
1
+27V
2
PGND
-J5/6.CA
-
J5/6.CA
-J5/6.CA
-J5/6.CA
D-5200S
Receptacle Housing
1-Row, 2 Pos.
X-Keying
1-179958-2
03101871
-X1.PWR
-
X1.PWR
-X1.PWR
-X1.PWR
D-5200S
Tab Housing
Panel type
1Row, 2 Pos.
X-Keying
1-353047-2
03149386
1 2
1250 mm
2xAWG10
Single core
03154101
03154101
03154101
03154101 -01
-01
-01
-01
-W121
-
W121
-W121
-W121
Cable COT-i TX V2
Power FCU
dBU
WH
10
98765432 20191817161514131211
-X1.Data
-
X1.Data
-X1.Data
-X1.Data
DVI-I (24+5)
Female Connector
1
-X19/20.CA
-
X19/20.CA
-X19/20.CA
-X19/20.CA
DVI-I (24+5)
Male Connector
1,2 m
15x2xAWG28
Data cable DVI (24+5)P M-F
03154112
03154112
03154112
03154112 -01
-01
-01
-01
-W122
-
W122
-W122
-W122
Cable COT-i TX V2
Data FCU
1 2 3 4 5 6 7 8 9 10 11 12 13 14 15 16 17 18 19 20 21 22 23 24
25
C5(A)
C5(A)
C5(A)
C5(A)
26
C5(B)
C5(B)
C5(B)
C5(B)
27
C1
C1
C1
C1
28
C2
C2
C2
C2
29
C3
C3
C3
C3
21 22 23 24 C5
C5
C5
C5 C5
C5
C5
C5 C1 C2 C3 C4
30
C4
C4
C4
C4
-X1.Data
-
X1.Data
-X1.Data
-X1.Data
DVI-I (24+5)
Male Connector
480 mm
15x2xAWG28
Data cable HRS DF9 - DVI (24+5)P M
03148198
03148198
03148198
03148198 -01
-01
-01
-01
-W1
-
W1
-W1
-W1
Cable Data FCU
grey
black
white
orange
white
brown
brown
white
yellow
white
red
white
black
1
2 3 4 5 6 7 8 9 10 11 12 13 14 15 16 17 18 19 20 21 22 23 24 C5
C5
C5
C5 C5
C5
C5
C5 C1 C2 C3
red
grey
orange
grey
yellow
grey
black
blue
brown
blue
red
blue
orange
blue
yellow
blue
grey
C4
-J1:+27V
-J1:+27V
-J1:+27V
-J1:+27V
-J2:PGND
-J2:PGND
-J2:PGND
-J2:PGND
PGND+27V
-Distribution-Board_FCU
-Distribution-Board_FCU
-Distribution-Board_FCU
-Distribution-Board_FCU
PCBA FCU distribution board
PCBA FCU distribution boar
d
PCBA FCU distribution board
PCBA FCU distribution board
Location_1
Location_1
Location_1
Location_1
03139207
191715131197531 2018161412108642
-J3.DATA
-
J3.DATA
-J3.DATA
-J3.DATA
Data_FCU
312927252321 3028262422
CAN_IF_OUT_P
CAN_IF_OUT_M
RST_DISTR_P
SPI_CLK_P
RST_DISTR_M
SPI_CLK_M
SPI_MOSI_P
SPI_MOSI_M
SPI_CS0_P
SPI_CS1_P
SPI_CS0_M
SPI_CS1_M
SPI_CS2_P
SPI_CS2_M
CAN_UP_TX_P
CAN_UP_RX_P
CAN_UP_TX_M
CAN_UP_RX_M
NCONFIG_P
NCONFIG_M
DRV_RES1_P
DRV_RES1_M
SPI_MISO_P
CAN_OUT_COLL_P
SPI_MISO_M
CAN_OUT_COLL_M
REC_RES1_P
REC_RES1_M
NC
LGND
LGND
201816141210864 191715131197531
-J3.DATA
-
J3.DATA
-J3.DATA
-J3.DATA
2 312927252321 3028262422
1 2
520 mm
2xAWG12
Single core
03148196
03148196
03148196
03148196 -01
-01
-01
-01
-W1
-
W1
-W1
-W1
dBU WH
-X1.PWR
-
X1.PWR
-X1.PWR
-X1.PWR
D-5200S
Receptacle Housing
1-Row, 2 Pos.
X-Keying
1-179958-2
03101871
-Slim_FCU
-Slim_FCU
-Slim_FCU
-Slim_FCU
Slim_FCU TX V2
Sl
im_FCU TX V2
Slim_FCU TX V2
Slim_FCU TX V2
Location_1
Location_1
Location_1
Location_1
03145541
WH/YE
WH/GN
PK/WH
PK/YE
GY/GN
GY/YE
-EDIF_Board-III_(21-40)
-EDIF_Board-III_(21-40)
-EDIF_Board-III_(21-40)
-EDIF_Board-III_(21-40)
PCBA EDIF board_III / FCU Sydney
PCBA EDIF boar
d_III / FCU Sydney
PCBA EDIF board_III / FCU Sydney
PCBA EDIF board_III / FCU Sydney
Location_1
Location_1
Location_1
Location_1
03145557
-EDIF_Board-III_(1-20)
-EDIF_B
oard-III_(1-20)
-EDIF_Board-III_(1-20)
-EDIF_Board-III_(1-20)
PCBA EDIF board_III / FCU Sydney
PCBA EDIF boar
d_III / FCU Sydney
PCBA EDIF board_III / FCU Sydney
PCBA EDIF board_III / FCU Sydney
Location_1
Location_1
Location_1
Location_1
03145557
-X2
-X2
-X2
-X2
PWR EDIF-BOARD A (1..20)
1 2
+27V
PGND
-X23
-
X23
-X23
-X23
PWR EDIF-BOARD A (1..20)
1
+27V
PGND
2
-X3
-X3
-X3
-X3
PWR EDIF-BOARD A (21..40)
1 2
+27V
PGND
1 2
-X23
-
X23
-X23
-X23
PWR EDIF-BOARD A (21..40)
+27V
PGND
-X4
-
X4
-X4
-X4
DATA EDIF-BOARD A (1..20)
1 2 40
-X22
-
X22
-X22
-X22
DATA EDIF-BOARD A (1..20)
1 2 40
-X5
-
X5
-X5
-X5
DATA EDIF-BOARD A (21..40)
1 2 40
-X22
-
X22
-X22
-X22
DATA EDIF-BOARD A (21..40)
1 2 40
YE/BK
YE
RD
RD/BK
BN
BN/WH
lBU
lBU/BK
lBU/GN
lBU/YE
GN
GN/BK
BU
BU/WH
WH
WH/BK
PK
PK/BK
VI
VI/WH
GY
GY/BK
OG
OG/BK
-FFC1
Flat Flexible
Cable
-FFC2
Flat Flexible
Cable
1 2
+27V_I (F31)
PGND_I
-J5
-
J5
-J5
-J5
Power FCU_I
P
ower FCU_I
Power FCU_I
Power FCU_I
D-5200S
1 Row, 2 Pos.
X-Keying
1-353079-2
56-S00763
03155755

electric_schematic SIPLACE TX_V2
electric_schematic SIPLACE TX_V2
electric_schematic SIPLACE TX_V2
electric_schematic SIPLACE TX_V2
90012669-010501LE3
Replaced by
FCU_Connection_Assembly_Loc1_COTi_I
FCU_Connection_Assembly_Loc1_COTi_I
FCU_Connection_Assembly_Loc1_COTi_I
FCU_Connection_Assembly_Loc1_COTi_I
(Option JTF)
(Option JTF)
(Option JTF)
(Option JTF)
Replaced by
Weitergabe sowie Vervielfältigung dieser Unterlage, Verwertung und
Mitteilung des Inhalts nicht gestattet, soweit nicht ausdrücklich zugestanden.
Proprietary Data, company confidential.
All rights reserved
Copying of this document, giving it to others and the use or
communication of the contents thereof, are forbidden without express authority.
Doc. No.
00 01 02 03 04 05 06 07 08 09
Privileged business information.
Do not release
Offenders are liable to payment of damages. All rights are reserved in the
event of the grant or the registration of a utility model or design.
Zuwiederhandlungen verpflichten zu Schadenersatz. Alle Rechte vorbehalten,
insbesondere für den Fall der Patenterteilung oder GM-Eintragung vorbehalten.
Page:
Function: TX_V2 COTi with FCU_CA
==03146501=TX+Loc1/69
drawing number:
03146501-010101LE3
FCU COTi Location 1
FCU CO
Ti Location 1
FCU COTi Location 1
FCU COTi Location 1
GmbH & Co KG
ASM
Assembly Systems
Copyright reserved
Ed.
Original
Pingist
Date
Date
Modification
Appr
15.02.2018
Name
Size DIN A2
Sheet
69
/
4
- Location 1 -
- Location 1 -
- Location 1 -
- Location 1 -
Separation
Separation
Separation
Separation
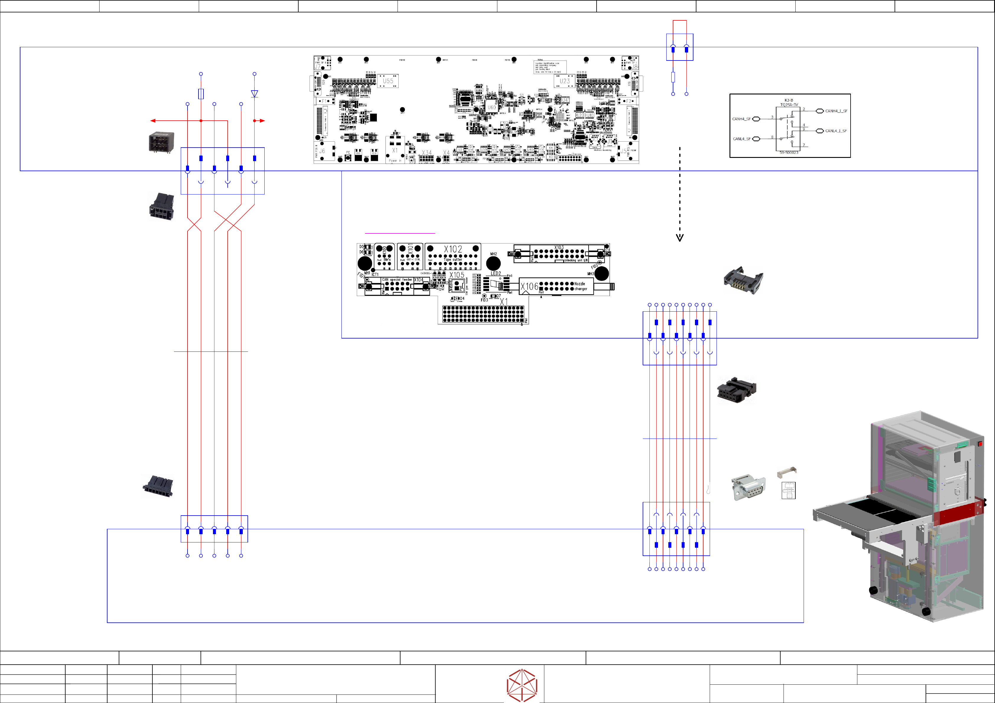
CAN4 Special Feeder_I
CAN4 Special Feeder_I
CAN4 Special Feeder_I
CAN4 Special Feeder_I
JTF-ML
JTF-ML
JTF-ML
JTF-ML
03132258
03132258
03132258
03132258
03154198-020101LE3
(Option JTF)
(Option JTF)
(Option JTF)
(Option JTF)
Note:
Note:
Note:
Note:
Part of the
P
art of the
Part of the
Part of the
Mounting kit
Mounting ki
t
Mounting kit
Mounting kit
Tesla TX V2
T
esla TX V2
Tesla TX V2
Tesla TX V2
03157140-xx
03157140-xx
03157140-xx
03157140-xx
Note:
Note:
Note:
Note:
Part of the
P
art of the
Part of the
Part of the
Mounting kit
Mounting ki
t
Mounting kit
Mounting kit
Tesla TX V2
T
esla TX V2
Tesla TX V2
Tesla TX V2
03157140-xx
03157140-
xx
03157140-xx
03157140-xx
-FCU.CP1
-FCU
.CP1
-FCU.CP1
-FCU.CP1
PCBA_FCU Connector Panel
PCBA_FCU Connector P
anel
PCBA_FCU Connector Panel
PCBA_FCU Connector Panel
COT_insert_1
COT_insert_1
COT_insert_1
COT_insert_1
FCU Supply Unit Location_1
FCU Supply Uni
t Location_1
FCU Supply Unit Location_1
FCU Supply Unit Location_1
-FCU.CA
-FCU
.CA
-FCU.CA
-FCU.CA
PCBA_FCU Connection Assembly TX_V2
PCBA_FCU Connection Assembly TX_V2
PCBA_FCU Connection Assembly TX_V2
PCBA_FCU Connection Assembly TX_V2
(FCU Supply Unit)
(FCU Supply Uni
t)
(FCU Supply Unit)
(FCU Supply Unit)
03154202
-J8
-
J8
-J8
-J8
Power
P
ower
Power
Power
Special Feeder I
Special F
eeder I
Special Feeder I
Special Feeder I
D-3100M
2-Row, 6 Pos.
XX-Keying
1-178137-2
56-S00762
0315xxx
PGND_SF
PE
24V_SSK
PGND
-D40
-X104
-
X104
-X104
-X104
CAN4 Special Feeder_I
CAN4 Special F
eeder_I
CAN4 Special Feeder_I
CAN4 Special Feeder_I
(TESLA / JTF)
(
TESLA / JTF)
(TESLA / JTF)
(TESLA / JTF)
3210-Series
10 Pos.
3210-10SS4BLX1
56-S00698
03137958
1
2
3
4
5
6
7
8
9
10
GND_C4
CANL4_I_SF
CANH4_I_SF
GND_C4
NC
NC
NC
NC
NC
-X104.CP
-
X104.CP
-X104.CP
-X104.CP
BK-MOD421/2
IDC Female connector 10-pin
TYCO.2-1393531-6
BK-MOD421/2 Strain-relief 10-pin
TYCO.1393558-8
1
2
3
4
5
6
7
8
9
10
NC
1
6
2
7
3
8
4
9
5
2 3 4 5 6 7 8 9 101
1850 mm
10x0,14
Flat round cable
03147687
03147687
03147687
03147687 -01
-01
-01
-01
-W2
-
W2
-W2
-W2
Cable: JTF - CAN
A1
B1
A2
-X8.CA
-X8.CA
-X8.CA
-X8.CA
D-3100M
Receptacle
Housing
2-Row, 6 Pos.
XX-Keying
1-178127-6
03155619
B2
A3
-CAN.JTF
-CAN.JTF
-CAN.JTF
-CAN.JTF
D-Sub IDC Female connector 9 pin
TYCO.3-1393486-4
(V42254-A5235-B209)
D-Sub IDC Female connector 9-pin
-nc
A1 A2 A3
B1 B2
B3
B3
1850 mm
5G1,0
ÖLFLEX® 150
03147684
03147684
03147684
03147684 -01
-01
-01
-01
-W1
-
W1
-W1
-W1
GNYE
1
2
3
4
-X501.JTF
-X501.JTF
-X501.JTF
-X501.JTF
DYNAMIC D-3100S Receptacle 1x5-pin
X key
D-3100S
Receptacle Housing
1-Row, 5 Pos.
X-Keying
1-178288-5
03134109-xx
1
+28V_SF
2
PGND_SF
3
PE
4
24V_S
5
PGND
-X36
-
X36
-X36
-X36
CAN-Bus Terminator
CAN-Bus Terminator
CAN-Bus Terminator
CAN-Bus Terminator
Special Feeder I and II
Special F
eeder I and II
Special Feeder I and II
Special Feeder I and II
SAMTEC
Header
2 Positions
TSW-101-07-T-D
56-S00230
03107343
1 2
1
Jumper
Jumper
Jumper
Jumper
2
-R452
120 Ohm
CANL4_SF
CANH4_SF
-JTF
-
JTF
-JTF
-JTF
PCBA, conveyor drive board
PCBA, con
veyor drive board
PCBA, conveyor drive board
PCBA, conveyor drive board
(FCU Supply Unit)
(FCU Supply Uni
t)
(FCU Supply Unit)
(FCU Supply Unit)
Location_1
Location_1
Location_1
Location_1
03128812
-X501
-
X501
-X501
-X501
Power
P
ower
Power
Power
1 2 3 4 5
+28V
GND28
PE
24V_S
GND28
1 2 3 4 5
NC
CANL
GND
NC
NC
-CAN
-CAN
-CAN
-CAN
CAN
CAN
CAN
CAN
6 7 8 9
GND
CANH
NC
NC
+28V_I
-F1
6,3A
1
2
===TX+-28V_SF
===TX+-24V_SSK